特种设备作业人员复审申请表姓 名性 别照片通信地址学 历邮政编码身份证号联系电话申请复审作业种类申请复审作业项目(代号)证件编号首次领证日期是否委托考试机构申请办理复审手续:□ 是 □ 否用人单位单位地址单位联系人联系电话工作简历安全教育和培训情况复审资料□《特种设备作业人员证》(原件)□持证期间安全教育和培训证明□持证期间从事该持证项目的证明□体检证明□没有违章作业等不良记录的证明□其他声明:本人对所填写的内容和所提交资料的真实性负责
申请人(签字): 年 月 日注:“安全教育和培训证明”由聘用单位或者专业培训机构出具,“没有违章作业等不良记录证明”由领证时(指首次复审)或者上次复审以来的用人单位出具
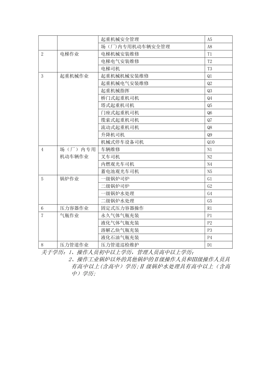
申请考核作业种类及项目序号种类作业项目项目代号1特种设备相关管理锅炉压力容器压力管道安全管理A3电梯安全管理A4起重机械安全管理A5场(厂)内专用机动车辆安全管理A82电梯作业电梯机械安装维修T1电梯电气安装维修T2电梯司机T33起重机械作业起重机械机械安装维修Q1起重机械电气安装维修Q2起重机械指挥Q3桥门式起重机司机Q4塔式起重机司机Q5门座式起重机司机Q6缆索式起重机司机Q7流动式起重机司机Q8升降机司机Q9机械式停车设备司机Q104场(厂)内专用机动车辆作业车辆维修N1叉车司机N2内燃观光车司机N4蓄电池观光车司机N55锅炉作业一级锅炉司炉G1二级锅炉司炉G2一级锅炉水处理G4二级锅炉水处理G56压力容器作业固定式压力容器操作R17气瓶作业永久气体气瓶充装P1液化气体气瓶充装P2溶解乙炔气瓶充装P3液化石油气瓶充装P48压力管道作业压力管道巡检维护D1关于学历:1、操作人员初中以上学历,管理人员高中以上学历; 2、操作工业锅炉以外的其他锅炉的Ⅱ级操作人员和Ⅲ级操作人员具有高中以上(含高中)学历;Ⅱ 级锅炉水处理具有高中以上(含高中)学历;






