电脑桌面
添加小米粒文库到电脑桌面
安装后可以在桌面快捷访问

组件生产在线控制要求

组件生产在线控制要求_第1页
1/9
组件生产在线控制要求_第2页
2/9
组件生产在线控制要求_第3页
3/9
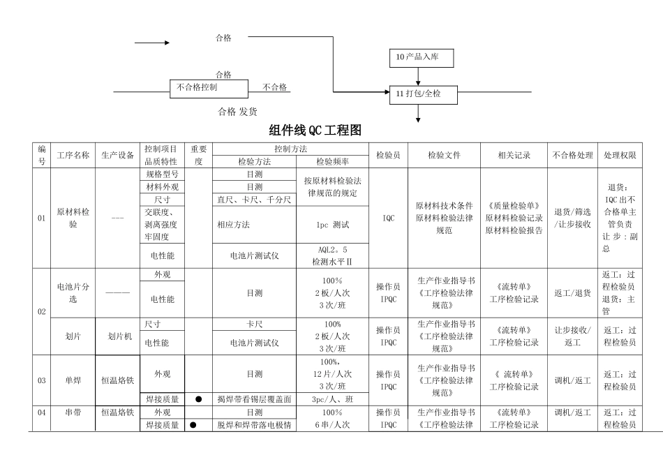
文件修改履历序号版本修订内容简述制定人批准人修订日期备注1A邱明锋09。12组件在线生产质量控制要求1 目的 对太阳电池组件在线生产质量进行控制,确保产品质量符合设计要求。2 范围 本规定适用于平板型太阳电池组件在线生产的半成品、成品和出厂检验。3 职责 3.1 品管处负责编制生产过程检验标准和方法,并实施。3.2 技术处负责提供产品标准和产品设计图样。3.3 生产处负责执行生产过程的自检和互检。4 检验流程 1、关键工序层压:控制设备参数,层压工艺、层压质量及电池片缺陷。2、 重要工序:电池片分选:控制电池片档位、颜色搭配及缺陷质量。单焊:控制焊接温度和焊接质量。叠层:控制电参数匹配、叠层质量及外观质量。组框:控制设备状态及组框质量。组件线检验流程 不合格 合格 合格 不合格 不 合 合格 格 合格 不合格 合格 合格 不合格 合格 合格 合格 不合格 合格 合格 不合格 合格 不合格 03 单焊/抽检04 串焊/抽检02 电池片分选/抽检原材料库01原材料检验汇流条裁切/抽检06 叠层/抽检中测/抽检05 焊带浸泡/抽检玻璃筛选/抽检EVA 裁切抽检背板、隔离条裁切/抽检05 边框、接线盒筛选/抽检 、抽检不合格控制 09 成品/全检07 层压/抽检缺陷/抽查包材/抽检05备料08 装框/抽检 合格 合格 合格 不合格 合格 发货 组件线 QC 工程图编号工序名称生产设备控制项目重要度控制方法检验员检验文件相关记录不合格处理处理权限品质特性检验方法检验频率01原材料检验--- 规格型号 目测按原材料检验法律规范的规定IQC原材料技术条件 原材料检验法律规范《质量检验单》 原材料检验记录 原材料检验报告退货/筛选 /让步接收退货:IQC 出不合格单主管负责 让 步 : 副总 材料外观目测尺寸直尺、卡尺、千分尺交联度、剥离强度 牢固度相应方法1pc 测试电性能电池片测试仪AQL2。5 检测水平Ⅱ02电池片分选——— 外观 目测100% 2 板/人次 3 次/班操作员 IPQC 生产作业指导书 《工序检验法律规范》 《流转单》 工序检验记录返工/退货返工:过程检验员退货:主管 电性能划片 划片机尺寸 卡尺100% 2 板/人次 3 次/班操作员 IPQC 生产作业指导书 《工序检验法律规范》《流转单》 工序检验记录让步接收/返工返工:过程检验员 电性能电池片测试仪03单焊恒温烙铁外观 目测100%, 12 片/人次 3 次/班操作员 IPQC 生产作业指导书 《工序检验法律规范》《 流转单》...

1、当您付费下载文档后,您只拥有了使用权限,并不意味着购买了版权,文档只能用于自身使用,不得用于其他商业用途(如 [转卖]进行直接盈利或[编辑后售卖]进行间接盈利)。
2、本站所有内容均由合作方或网友上传,本站不对文档的完整性、权威性及其观点立场正确性做任何保证或承诺!文档内容仅供研究参考,付费前请自行鉴别。
3、如文档内容存在违规,或者侵犯商业秘密、侵犯著作权等,请点击“违规举报”。

碎片内容

组件生产在线控制要求

您可能关注的文档

确认删除?
VIP
微信客服
  • 扫码咨询
会员Q群
  • 会员专属群点击这里加入QQ群
客服邮箱
回到顶部