电脑桌面
添加小米粒文库到电脑桌面
安装后可以在桌面快捷访问

江苏土建工程造价员考试案例计算题及解析

江苏土建工程造价员考试案例计算题及解析_第1页
1/6
江苏土建工程造价员考试案例计算题及解析_第2页
2/6
江苏土建工程造价员考试案例计算题及解析_第3页
3/6
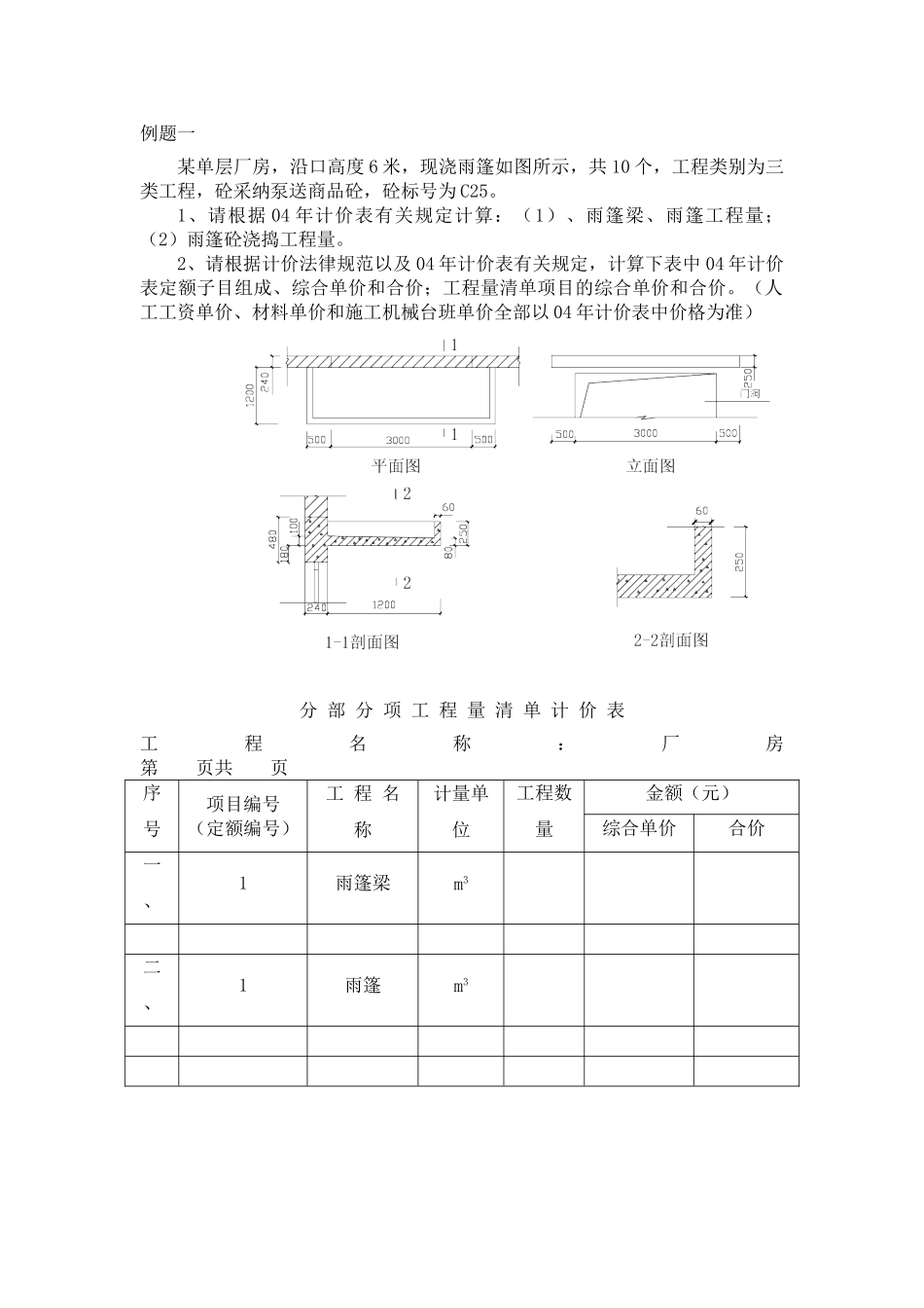
例题一某单层厂房,沿口高度 6 米,现浇雨篷如图所示,共 10 个,工程类别为三类工程,砼采纳泵送商品砼,砼标号为 C25。1、请根据 04 年计价表有关规定计算:(1)、雨篷梁、雨篷工程量;(2)雨篷砼浇捣工程量。2、请根据计价法律规范以及 04 年计价表有关规定,计算下表中 04 年计价表定额子目组成、综合单价和合价;工程量清单项目的综合单价和合价。(人工工资单价、材料单价和施工机械台班单价全部以 04 年计价表中价格为准)分 部 分 项 工 程 量 清 单 计 价 表 工程名称:厂房 第 页共 页序号项目编号(定额编号)工 程 名 称计量单位工程数量金额(元)综合单价合价一、1雨篷梁m3二、1雨篷m3例题一答案:工 程 量 计 算 书序号项目名称计算公式计量单位数量1雨篷工程量1.2×(3+0.5×2)×10=48m2482雨篷梁工程量0.48×0.24×(3+0.5×2)×10=4.61m34.613雨篷砼浇捣工程量m34.95底板(0.08+0.1)×1.2÷2×(3+0.5×2)×10=4.32m3前沿侧板(0.25-0.08)×0.06×(3+0.5×2)×10=0.41m3侧 沿 板 [ ( 0.25 - 0.08 ) + ( 0.25 -0.1)]×(1.2-0.06)×0.06÷2×2×10=0.22m34应调雨篷砼含量5.02-5.36=-0.34m3-0.34含损耗雨篷砼用量4.95 m3×(1+1.5﹪)=5.02m3雨篷砼计价表用量48 m2÷10×1.116 m3/10 m2=5.36m3计 价 表 综 合 单 价 计 算序号定额编号项 目 名 称计 算 方 式综合单价15 - 187换雨篷梁 C25328.64+(280-269)×1.02339.86 元/m325 - 206复式雨篷 C25379.64+(280-391.92 元/10m2换269)×1.1165 - 208换C25 雨篷砼含量每增减 1m3331.14+(280-269)×1.005342.20 元/m3分 部 分 项 工 程 量 清 单 计 价 表序号项目编号(定额编号)清单项目名称(定额项目名称)计量单位工程数量金额(元)综合单价合价一、1雨篷梁m34.61339.861566.755-187 换圈梁 C25m34.61339.861566.75二、1雨篷m34.95356.541764.875-206 换复式雨篷 C2510m24.8391.921881.225-208 换C25 雨篷砼含量每增减 1m3m3-0.34342.20-116.35例题二某综合办公楼工程桩基础采纳预应力高强砼管桩,桩选自《先张法预应力砼管桩》(苏 G03-2025),桩形为 PHC-400(90)AB-C80-9,9,9。即桩型为预应力高强砼管桩,管桩外径 400mm,壁厚 90mm,AB 型桩,砼强度等级C80。第一节、第二节、第三节桩长度分别为 9m、9m、9m 共 100 根...

1、当您付费下载文档后,您只拥有了使用权限,并不意味着购买了版权,文档只能用于自身使用,不得用于其他商业用途(如 [转卖]进行直接盈利或[编辑后售卖]进行间接盈利)。
2、本站所有内容均由合作方或网友上传,本站不对文档的完整性、权威性及其观点立场正确性做任何保证或承诺!文档内容仅供研究参考,付费前请自行鉴别。
3、如文档内容存在违规,或者侵犯商业秘密、侵犯著作权等,请点击“违规举报”。

碎片内容

江苏土建工程造价员考试案例计算题及解析

确认删除?
VIP
微信客服
  • 扫码咨询
会员Q群
  • 会员专属群点击这里加入QQ群
客服邮箱
回到顶部