电脑桌面
添加小米粒文库到电脑桌面
安装后可以在桌面快捷访问

注册公用设备工程师6

注册公用设备工程师6_第1页
1/26
注册公用设备工程师6_第2页
2/26
注册公用设备工程师6_第3页
3/26
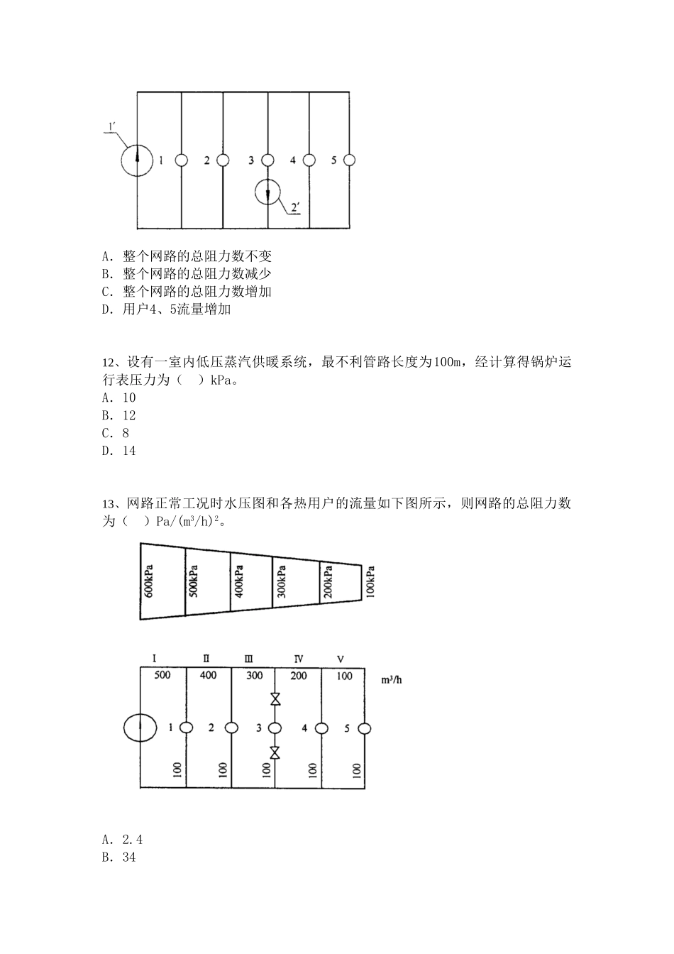
注册公用设备工程师模拟五一、单选[共 100 题,每题 1 分,总计 100 分]1、设置集中采暖的工业建筑,如工艺对室内温度无特别要求,且每名工人占用的建筑面积超过( )时,不宜设置全面采暖,但应在固定工作地点设置局部采暖。A.50m2B.60m2C.90m2D.100m22、围护结构附加修正耗热量不包括( )。A.风力附加B.高度附加C.朝向附加D.太阳辐射附加3、影响散热器传热系数和散热量的最主要因素是( )。A.散热器的材料B.散热器的安装方式C.散热器热媒与空气平均温差D.散热器组合片数4、低温热水地板辐射采暖系统的工作压力不宜大于( );当超过上述压力时应实行相应措施。A.0.4MPaB.0.6MPaC.0.8MPaD.1.0MPa5、采纳集中热风采暖时,送风口的高度,不宜低于( )。A.3mB.3.5mC.4mD.4.5m6、对于一般的散热器供暖的民用建筑( )。A.必须计算通风热负荷B.不必计算通风热负荷C.可算可不算通风热负荷D.没有新风进入,可不计算通风热负荷7、以下哪种情况时,用户采暖系统与热力网的连接方式可采纳直接连接( )。A.建筑物采暖系统高度高于热力网水压图供水压线B.建筑物采暖系统高度高于热力网水压图静水压线C.热力网资用压头高于用户采暖系统的阻力D.采暖系统承压能力低于热力网静水压力8、闭式热水热力网补水装置的流量不应小于供热系统循环流量的( )。A.1%B.2%C.3%D.4%9、锅炉房锅炉总台数,新建时不宜超过( )。A.3台B.4台C.5台D.7台10、下列与平均温差有关的描述,哪项是不正确的( )。A.换热介质沿受热面温度变化,所以其温差各处是不相等的,换热计算中要确定平均温差B.平均温差与换热介质的相对流向有关C.平均温差由换热介质的进出口温度确定D.平均温差由换热介质的进出口温差确定11、如下图所示,其他管段和热用户不变,热用户3处增设加压泵2' 运行时,以下论述中正确的是( )。A.整个网路的总阻力数不变B.整个网路的总阻力数减少C.整个网路的总阻力数增加D.用户4、5流量增加12、设有一室内低压蒸汽供暖系统,最不利管路长度为100m,经计算得锅炉运行表压力为( )kPa。A.10B.12C.8D.1413、网路正常工况时水压图和各热用户的流量如下图所示,则网路的总阻力数为( )Pa/(m3/h)2。A.2.4B.34C.600D.120014、网路正常工况时水压图和各热用户的流量如下图,则用户3之后的网路总阻力数为( )Pa/(m3/h)2。A.7.5B.15C.38.7D.150015、在确定供暖房间所需散热器面积时,当散...

1、当您付费下载文档后,您只拥有了使用权限,并不意味着购买了版权,文档只能用于自身使用,不得用于其他商业用途(如 [转卖]进行直接盈利或[编辑后售卖]进行间接盈利)。
2、本站所有内容均由合作方或网友上传,本站不对文档的完整性、权威性及其观点立场正确性做任何保证或承诺!文档内容仅供研究参考,付费前请自行鉴别。
3、如文档内容存在违规,或者侵犯商业秘密、侵犯著作权等,请点击“违规举报”。

碎片内容

注册公用设备工程师6

确认删除?
VIP
微信客服
  • 扫码咨询
会员Q群
  • 会员专属群点击这里加入QQ群
客服邮箱
回到顶部