电脑桌面
添加小米粒文库到电脑桌面
安装后可以在桌面快捷访问

第一册-机械设备安装工程

第一册-机械设备安装工程_第1页
1/42
第一册-机械设备安装工程_第2页
2/42
第一册-机械设备安装工程_第3页
3/42
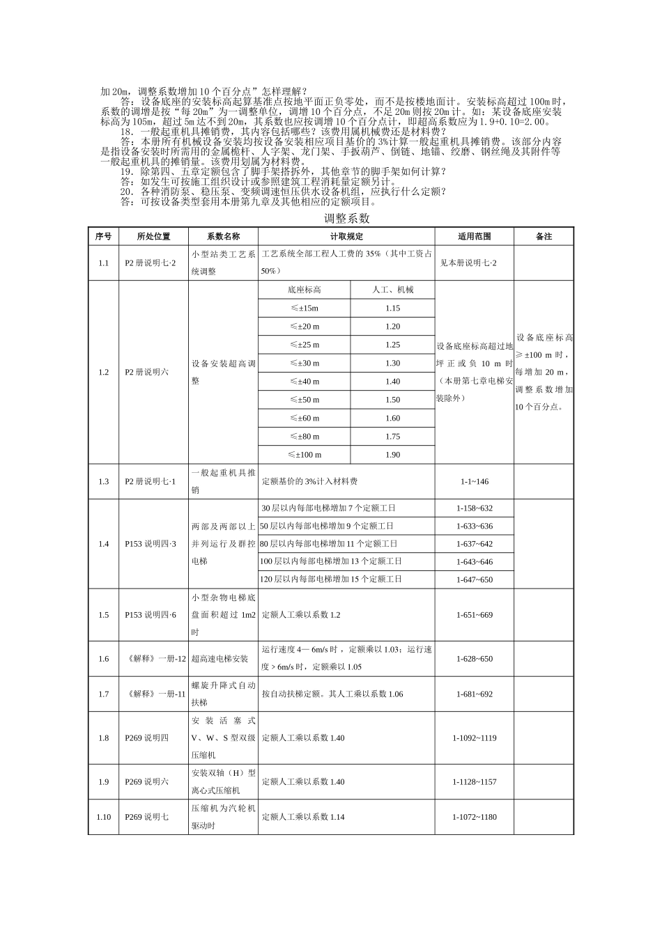
第一册 机械设备安装工程定额解释1.1. 定额中未包括大型设备吊装所用的施工机械费用,请问什么样的设备为大型设备?其所需的施工机械费用如何计算?答:大型设备是指整体设备重量大于 60 吨的设备。本册定额中未考虑大型设备的吊装机具,发生时应按施工方案另行计算。2.2. 本册中设备单机试运转包括的内容有哪些?答:设备单机试运转属于整体设备安装内容范畴。其工作内容应按相应“法律规范”中规定的为准;不包括机械设备部分以外各系统(如电气、仪表、通风等系统)的试验、调整、试运转。单机试运转所用的除水、电、气、油、燃料需另计以外的其他材料、人工及机械均已包括在设备安装定额内。1.3. 本册定额中是否包括设备单机试运转时的配合电工?答:机械设备安装定额内,已包括试运转中所必须配合的电工。机械设备的电气部分的安装、调整、试验、试运转所需的电工,则包括在相应电气安装定额内。3.4. 设备本体范围内的管道及附件没有随设备配套供应,需现场进行配制后安装,应怎样计算该部分的制作安装费?答:设备本体范围(以设备图纸为准)内的管道及附件的安装已包括在设备安装工作内容内。应属设备配套供应而未供应或供应的部件与设备本体图纸不一致需现场进行加工制作时,其制作应另行套用相应定额进行计算。4.5. 机械设备需要现场配制金属结构件时,应套用什么定额?答:遇有设备需要现场配制金属构件、支架,如单件重量为 50kg 以内或 100kg 内可分别执行本册定额 1-1448、1449 子目;如单件重量超过 100kg 时,可按第五册相关规定执行。5.6. 机械设备安装时,利用车间内已有的桥式起重机吊装,执行定额时,是否还要调整定额中的机械费? 答:若使用厂房内已有桥式起重机吊装设备就位,在执行定额时不作调整,应按有偿使用处理。桥式起重机所有者应按使用的情况向使用者收取桥式起重机使用费。6.7. 什么情况下计算泵、风机、压缩机的拆装检查项目?答:风机、泵、压缩机设备凡是按施工及验收法律规范规定必须进行拆装检查工作的,或因设备久置或受潮湿等原因建设单位或设计部门提出进行拆装检查的,且实际上做了该项工作,并有双方签字的拆装检查施工记录时,均可计取拆装检查费用。7.8. 铸铁平台在基础上安装分为“灌浆”和“不灌浆”,是什么概念?答:铸铁平台安装,无论是“灌浆”或“不灌浆”,均不包括设备基础灌浆的工作内容及消耗量,其基础灌浆应按本册第十四章的相关规定另行计算。上...

1、当您付费下载文档后,您只拥有了使用权限,并不意味着购买了版权,文档只能用于自身使用,不得用于其他商业用途(如 [转卖]进行直接盈利或[编辑后售卖]进行间接盈利)。
2、本站所有内容均由合作方或网友上传,本站不对文档的完整性、权威性及其观点立场正确性做任何保证或承诺!文档内容仅供研究参考,付费前请自行鉴别。
3、如文档内容存在违规,或者侵犯商业秘密、侵犯著作权等,请点击“违规举报”。

碎片内容

第一册-机械设备安装工程

您可能关注的文档

确认删除?
VIP
微信客服
  • 扫码咨询
会员Q群
  • 会员专属群点击这里加入QQ群
客服邮箱
回到顶部