电脑桌面
添加小米粒文库到电脑桌面
安装后可以在桌面快捷访问

4-12--对一起110kV电缆竣工试验引发事故的分析

4-12--对一起110kV电缆竣工试验引发事故的分析_第1页
1/3
4-12--对一起110kV电缆竣工试验引发事故的分析_第2页
2/3
4-12--对一起110kV电缆竣工试验引发事故的分析_第3页
3/3
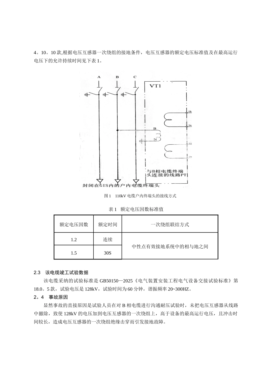
对一起 110kV 电缆竣工试验引发事故的分析白晓斌 曹宝秦 刘超 黄东利(陕西宝鸡供电局 721004)摘 要 通过对一起 110kVXLPE 电缆线路竣工试验所引发的事故进行分析,提出了 110kV 电缆沟通试验应该注意的一些问题,以期引起同行业的借鉴和参考。关键词 110kV 电缆 故障测试 电压互感器1 事故经过2008 年 4 月 4 日,我局负责施工的 110kV 斗贾线电缆工程,电缆长度是 1。32km,型号为YJLW02—64/110kV—1×400mm2,在进行交接性电缆试验中,对 B 相升压到 128kV 持续了 20 分钟时,突然发生接地现象。随后对电缆绝缘进行测试,绝缘阻值为 8K,说明该电缆已发生损坏.于是对电缆进行故障测寻,在应用高压冲闪法测试电缆故障时,放电电压一直从 15kV 加压到50kV,电缆测试仪器显示总是全长,而在户内 GIS 终端头处没有丝毫响动和放电声音,便认为终端头处不可能出现故障。同时根据以往的电缆故障测试经验,测试距离显示全长的情况一般是故障点没有被击穿,于是,更换更大容量的设备,放电电压增大至 90kV,测试距离仍旧显示全长。问题出在哪里呢?经过两天的测试,大家将目光转移到电缆的接线方式上,原来封闭在 GIS 内的 B 相电缆终端头还连接有一个电压互感器,会不会是连接终端头的电压互感器受到损坏,于是将电压互感器的甩开,测试电缆绝缘,果然电缆绝缘明显上升,再次进行沟通耐压试验,试验结果合格.对电压互感器进行检查,发现电压互感器已经击穿损坏,说明电缆是完好的,这是一起由于电压互感器损坏造成电缆耐压试验击穿的现象。2 事故原因分析2。1 110kV 电缆的接线方式110kV 电缆的接线方式如图 1 所示,封闭在 GIS 内的 B 相电缆终端头连接有一个电压互感器,此电压互感器的作用是抽取线路电压,检查电压.2。2 该电压互感器的名牌参数和试验标准该电压互感器的名牌参数是 SVTR-10A,126/230/550kV,50HZ,单相,额定工频耐受电压为1。5UN,30S,国内适用标准 GB1207—1997,该电压互感器投用前施工单位根据标准 GB1207—1997 进行了工频耐压试验,对一次绕组加压 1.5UN =1。5×126 kV= 189kV, 时间为 1 分钟,试验结果合格。通过该电压互感器的铭牌参数 ,查阅标准 GB1207—1997《电压互感器》中的 4.4 款和4。10。10 款,根据电压互感器一次绕组的接地条件,电压互感器的额定电压标准值及在最高运行电压下的允许持续时间见下表 1。图 1 110kV 电缆户内终端头的接线方式...

1、当您付费下载文档后,您只拥有了使用权限,并不意味着购买了版权,文档只能用于自身使用,不得用于其他商业用途(如 [转卖]进行直接盈利或[编辑后售卖]进行间接盈利)。
2、本站所有内容均由合作方或网友上传,本站不对文档的完整性、权威性及其观点立场正确性做任何保证或承诺!文档内容仅供研究参考,付费前请自行鉴别。
3、如文档内容存在违规,或者侵犯商业秘密、侵犯著作权等,请点击“违规举报”。

碎片内容

4-12--对一起110kV电缆竣工试验引发事故的分析

您可能关注的文档

确认删除?
VIP
微信客服
  • 扫码咨询
会员Q群
  • 会员专属群点击这里加入QQ群
客服邮箱
回到顶部