电脑桌面
添加小米粒文库到电脑桌面
安装后可以在桌面快捷访问

公司各部门质量目标分解考核表

公司各部门质量目标分解考核表_第1页
1/2
公司各部门质量目标分解考核表_第2页
2/2
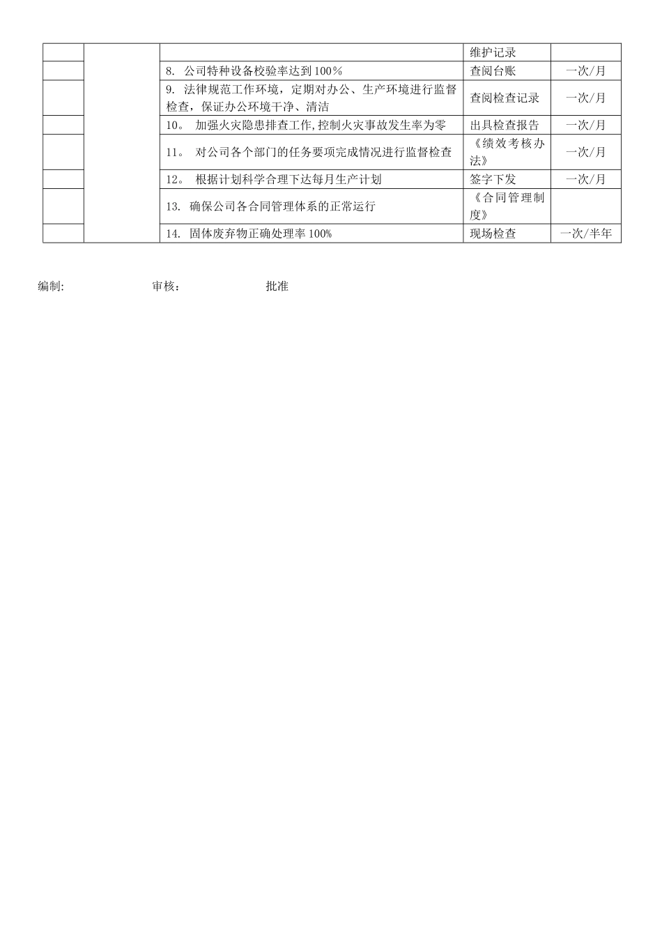
公司各部门质量目标分解考核办法序号部门部门质量/环境目标考核方法考核频次生产部1。 生产设备完好率≥96%实 验 验 收 并 统计一次/月2. 生产计划完成及时率≥95%机 组 实 际 装 配进度一次/月3。 工艺文件正确率 100%根 据 工 艺 文 件实际操作一次/季度4。 产品一次交检合格率 100%机 组 实 际 交 检情况一次/月5. 每道工序一次交检合格率 98%机 组 实 际 交 检情况一次/月6。 节约资源、降低消耗,每年降低水电万元产值消耗率的 1%检 查 每 年 统 计数据7。 固体废弃物正确处理率 100%现场检查一次/半年8。 预防火灾,火灾发生率为零检查实际情况一次/半年采购部1. 合格供方考察不小于五家供应商考察报告一次/年2。 年采购合同正确率≥99%查阅合同一次/年3.外购件入厂合格率≥96%外 购 件 统 计 分析报告一次/月4。 预防火灾,火灾发生率为零检查实际情况一次/半年营销部1。 顾客满意度调查表回收率 95%查 阅 顾 客 满 意度调查表一次/年2。 客户意见与问题反馈率 100%查 阅 往 来 传 真及邮件一次/月3。 客户意见与问题反馈时间不超过一个工作日查 阅 往 来 传 真及邮件一次/月4。 潜在客户回盘率 100%查阅邮件一次/月5. 现有客户走访计划完成率 100%走 访 计 划 、 出差汇报表 二次/年6. 顾客满意度调查表回收率 95%顾 客 满 意 度 调查表一次/年质检科1. 零部件入厂、装配错漏检率不大于 1%质 量 月 报 统 计分析一次/月2. 外场质量反馈问题两个工作日给予传递处理通过 OA 查看一次/月3。 统计一个月的质量问题,通过质量月报发布到每个部门,每月发布 100%通过 OA 查看一次/月4. 考察主要零部件供应商体系运行情况,每年考察 3 个出具考察报告一次/年办公室1. 员工持证上岗率达到 100%质量月报统计一次/月2。 员工出勤率达到 100%通过 OA 查看一次/月3. 公司及外来文件电子目录登记 100%查阅台账一次/月4. 公司培训按期进行,培训执行率 100%出具培训有效性评价表一次/月5。 员工档案管理有效率 100%查阅台账一次/年6.办公设备完好率 98%检查办公设备一次/半年维护记录8. 公司特种设备校验率达到 100%查阅台账一次/月9. 法律规范工作环境,定期对办公、生产环境进行监督检查,保证办公环境干净、清洁查阅检查记录一次/月10。 加强火灾隐患排查工作,控制火灾事故发生率为零出具检查报告一次/月1...

1、当您付费下载文档后,您只拥有了使用权限,并不意味着购买了版权,文档只能用于自身使用,不得用于其他商业用途(如 [转卖]进行直接盈利或[编辑后售卖]进行间接盈利)。
2、本站所有内容均由合作方或网友上传,本站不对文档的完整性、权威性及其观点立场正确性做任何保证或承诺!文档内容仅供研究参考,付费前请自行鉴别。
3、如文档内容存在违规,或者侵犯商业秘密、侵犯著作权等,请点击“违规举报”。

碎片内容

公司各部门质量目标分解考核表

领读文化+ 关注
实名认证
内容提供者

传播文化,铸就未来

确认删除?
VIP
微信客服
  • 扫码咨询
会员Q群
  • 会员专属群点击这里加入QQ群
客服邮箱
回到顶部