电脑桌面
添加小米粒文库到电脑桌面
安装后可以在桌面快捷访问

真空镀铝双向拉伸聚酯薄膜的应用及发展VIP免费

真空镀铝双向拉伸聚酯薄膜的应用及发展_第1页
1/38
真空镀铝双向拉伸聚酯薄膜的应用及发展_第2页
2/38
真空镀铝双向拉伸聚酯薄膜的应用及发展_第3页
3/38
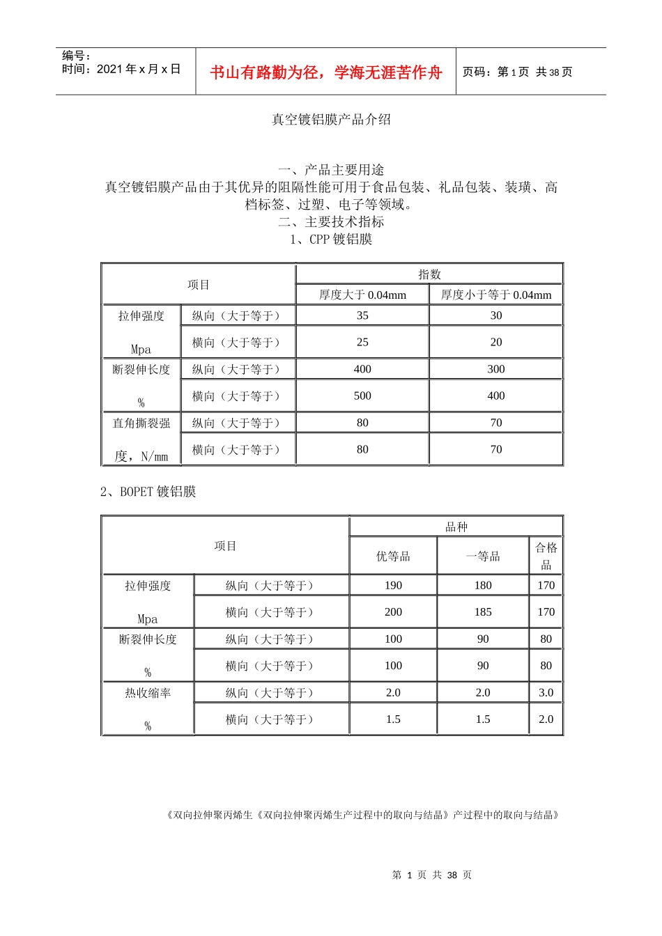
第1页共38页编号:时间:2021年x月x日书山有路勤为径,学海无涯苦作舟页码:第1页共38页真空镀铝膜产品介绍一、产品主要用途真空镀铝膜产品由于其优异的阻隔性能可用于食品包装、礼品包装、装璜、高档标签、过塑、电子等领域。二、主要技术指标1、CPP镀铝膜项目指数厚度大于0.04mm厚度小于等于0.04mm拉伸强度Mpa纵向(大于等于)3530横向(大于等于)2520断裂伸长度%纵向(大于等于)400300横向(大于等于)500400直角撕裂强度,N/mm纵向(大于等于)8070横向(大于等于)80702、BOPET镀铝膜项目品种优等品一等品合格品拉伸强度Mpa纵向(大于等于)190180170横向(大于等于)200185170断裂伸长度%纵向(大于等于)1009080横向(大于等于)1009080热收缩率%纵向(大于等于)2.02.03.0横向(大于等于)1.51.52.0《双向拉伸聚丙烯生《双向拉伸聚丙烯生产过程中的取向与结晶》产过程中的取向与结晶》第2页共38页第1页共38页编号:时间:2021年x月x日书山有路勤为径,学海无涯苦作舟页码:第2页共38页镀铝膜用途说明:常用于食品或其它物品的复合包装主要特点:※优良的光学性能※优异的阻隔性能、可用于包装香味食品※镀铝层附着力强、镀层均匀※复合性能良好薄膜性能检测表性能测试方法单位典型数据物理性能111111厚度DIN53370um20密度ASTMD792kg/m3910克重-g/m218.2摩擦系数DIN53375-A-0.25雾度ASTMD1003%1.0光泽度ASTMD2457-95镀铝层附着力用透明粘胶带试验无脱落表面张力ASTMD2578dyne44机械性能111111拉伸强度(纵向/横向)DIN53455-6-5N/mm2160/260伸长率(纵向/横向)DIN53455-6-5%180/70弹性膜量(纵向)DIN53457-ZN/mm22200受热性能111111热收缩性(纵/横)BMSTT02%4/2热封温度范围-degC110~145热封强度BMSTT01N/15mm3.0※以上数据仅属本公司实测典型数据,并非保证数据。建议用户自行决定是否适合其最终用途第3页共38页第2页共38页编号:时间:2021年x月x日书山有路勤为径,学海无涯苦作舟页码:第3页共38页第4页共38页第3页共38页编号:时间:2021年x月x日书山有路勤为径,学海无涯苦作舟页码:第4页共38页第5页共38页第4页共38页编号:时间:2021年x月x日书山有路勤为径,学海无涯苦作舟页码:第5页共38页2004年1月6日星期二■包装杂志>>技术交流>>真空镀铝双向拉伸聚酯薄膜的应用及发展真空镀铝双向拉伸聚酯薄膜的应用及发展提到真空镀铝膜,人们自然而然会想到包装。虽然,真空镀铝膜的用途已远远不再局限于包装用途了,但无可否认,包装行业仍然是真空镀铝膜的最大市场。为此,先从包装上的应用谈起。一、铝箔与真空镀铝膜真空镀铝膜的引入是由铝箔开始的。软塑包装上使用的铝箔,一般在6~20μm厚度之间。铝箔具有银白色光泽,直接在铝箔上印刷透明油墨,可以有特有金属光泽。铝箔有良好的遮光性、阻气性、阻湿性,有良好的导热性、电磁屏蔽性。其中最为突是铝箔的阻隔性能,在铝箔厚度足够的前提下,可以完全阻隔气体和水分,因而在软塑包装基材膜中,铝箔是不可或缺的材料,被广泛应用在药品包装、食品包装,特别是需要高温蒸煮及保存时间相对较长的药物、化妆品等高档产品的软第6页共38页第5页共38页编号:时间:2021年x月x日书山有路勤为径,学海无涯苦作舟页码:第6页共38页包装中。但是铝箔有一个致命的缺陷——弯曲后,铝箔很容易产生裂纹,影响铝箔的阻隔性,同时铝箔价格较贵。在上世纪80年代,一种新的技术——真空镀铝被引入。此后,越来越多人们开始在不影响质量要求的前提下,改用真空镀铝膜来代替铝箔,从而降低包装成本。所谓真空镀铝是指在高真空度下,铝一旦液化立即汽化,然后将其冷却堆积在塑料薄膜表面,形成一层具有良好金属光泽厚度约为300~600埃的镀铝层。镀铝层的厚度还使用透光量、光密度或者方阻的方式来表示。真空镀铝膜一般是耐温及机械加工性能较好的BOPP、BOPET、BOPA、CPP等材料。通过这样的一种方式,使得真空镀铝膜既具有与基材相似的机械物理性能,同时又拥有与铝箔相似的阻隔性能,详见表一、表二。虽然,真空镀铝膜在阻隔性能上与铝箔仍有一定差距,而事实上,由于真空镀铝膜良好的柔韧性能,可以避免铝箔曲挠龟裂而导致的阻隔性...

1、当您付费下载文档后,您只拥有了使用权限,并不意味着购买了版权,文档只能用于自身使用,不得用于其他商业用途(如 [转卖]进行直接盈利或[编辑后售卖]进行间接盈利)。
2、本站所有内容均由合作方或网友上传,本站不对文档的完整性、权威性及其观点立场正确性做任何保证或承诺!文档内容仅供研究参考,付费前请自行鉴别。
3、如文档内容存在违规,或者侵犯商业秘密、侵犯著作权等,请点击“违规举报”。

碎片内容

真空镀铝双向拉伸聚酯薄膜的应用及发展

确认删除?
VIP
微信客服
  • 扫码咨询
会员Q群
  • 会员专属群点击这里加入QQ群
客服邮箱
回到顶部