电脑桌面
添加小米粒文库到电脑桌面
安装后可以在桌面快捷访问

第十章-MM10_生产性物料、辅料请购流程VIP免费

第十章-MM10_生产性物料、辅料请购流程_第1页
1/12
第十章-MM10_生产性物料、辅料请购流程_第2页
2/12
第十章-MM10_生产性物料、辅料请购流程_第3页
3/12
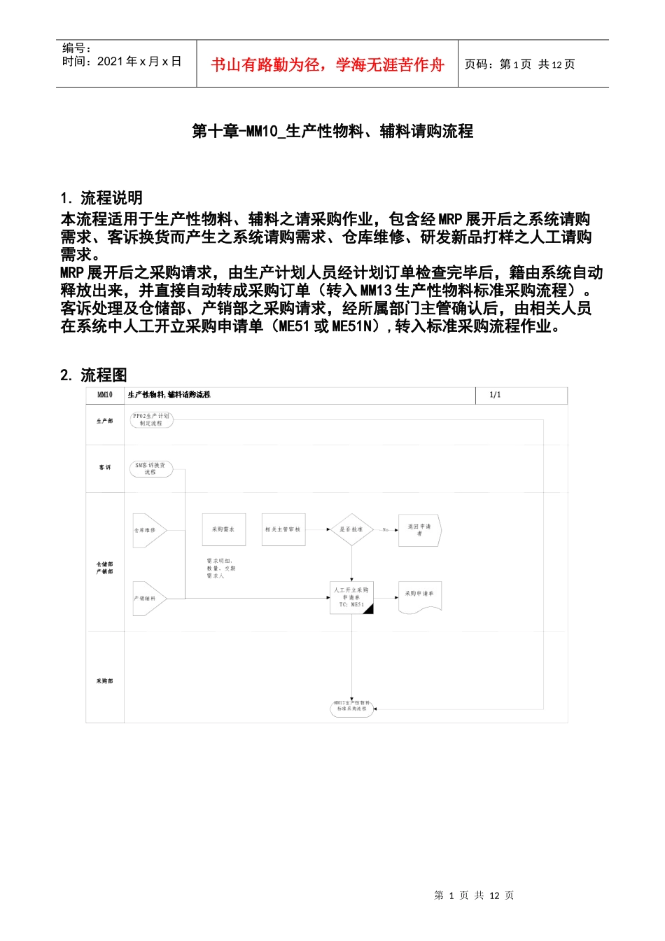
第1页共12页编号:时间:2021年x月x日书山有路勤为径,学海无涯苦作舟页码:第1页共12页第十章-MM10_生产性物料、辅料请购流程1.流程说明本流程适用于生产性物料、辅料之请采购作业,包含经MRP展开后之系统请购需求、客诉换货而产生之系统请购需求、仓库维修、研发新品打样之人工请购需求。MRP展开后之采购请求,由生产计划人员经计划订单检查完毕后,籍由系统自动释放出来,并直接自动转成采购订单(转入MM13生产性物料标准采购流程)。客诉处理及仓储部、产销部之采购请求,经所属部门主管确认后,由相关人员在系统中人工开立采购申请单(ME51或ME51N),转入标准采购流程作业。2.流程图第2页共12页第1页共12页编号:时间:2021年x月x日书山有路勤为径,学海无涯苦作舟页码:第2页共12页3.系统操作3.1.操作范例例一:手工在系统中创建采购申请,并要求交货在FW00工厂例二:在系统中执行对采购申请的修改例三:在系统中显示采购申请3.2.系统菜单及交易代码例一:后勤物料管理采购采购申请创建交易代码:ME51/ME51N例二:后勤物料管理采购采购申请更改交易代码:ME52/ME52N例三:后勤物料管理采购采购申请显示交易代码:ME53/ME53N3.3.系统屏幕及栏位解释例一:手工在系统中创建采购申请单(me51/ME51N)第3页共12页第2页共12页编号:时间:2021年x月x日书山有路勤为径,学海无涯苦作舟页码:第3页共12页栏位名称栏位说明资料范例凭证类型必输项,可以依据采购申请性质,确定凭证类型,如下:NB生产性物料采购申请RU生产性物料具有框架协议要求的采购申请ZB总务类采购申请ZZ分公司向总部进行内部购买的采购申请NB采购申请采购申请非输项,此栏位适用于外部人工给号,因目前采购申请确定为系统自动内部赋号,所以此栏位不予采用货源清单若为生产类采购订单,此栏位必须维护,以确保系统能够自动分配采购申请单打v项的缺省此栏位的所有项目都为可选项。若在此屏交货工厂:第4页共12页第3页共12页编号:时间:2021年x月x日书山有路勤为径,学海无涯苦作舟页码:第4页共12页数据上输入各项数据,则在下一屏之行项目中,都会由系统自动维护成缺省数据。例如:若此屏的“交货工厂”维护为FW00,则在下屏中所有行项目中的交货工厂都为FWOO(请参考下屏视图)“需求追踪号”为非选项,可以由申请人员自行编号便于及时追踪确认单据状况FW00采购组:106需求跟踪号:0按或键进入下一个画面。栏位名称栏位说明资料范例I必选项,依据物料性质,确定订单类型,以利后续采购申请能在系统中自动转换成相应类型之采购订单:空白:标准订单第5页共12页第4页共12页编号:时间:2021年x月x日书山有路勤为径,学海无涯苦作舟页码:第5页共12页若为标准订单,则为空白若为寄售订单,则选取K若为分包(委外加工)订单,则选取L若为第三方(厂商直送)订单,则选取S若为库存转储订单,则选取U若为服务类订单,则选取D按或键进入下一个画面。栏位名称栏位说明资料范例A(帐户设置分类)可选项,用于确定采购申请单归属于哪一种财务会计科目依据实际采购申请类型进行选择空白第6页共12页第5页共12页编号:时间:2021年x月x日书山有路勤为径,学海无涯苦作舟页码:第6页共12页按或键进入下一个画面。栏位名称栏位说明资料范例物料必输项,可以籍由系统辅助系统进行查询作业,并直接点取入物料栏位中101126第7页共12页第6页共12页编号:时间:2021年x月x日书山有路勤为径,学海无涯苦作舟页码:第7页共12页1018913798申请数量必输项,依据实际需求数量,手工输入栏位上述物料各10个交货日期必输项,依据实际需求日期,可以手工输入栏位,也可以籍由系统辅助系统进行查询作业检查所有项目是否输入正确后,按键。例二:在系统中对创建的PR进行修改(me52/ME52N)第8页共12页第7页共12页编号:时间:2021年x月x日书山有路勤为径,学海无涯苦作舟页码:第8页共12页栏位名称栏位说明资料范例采购申请必输项,手工输入需要修改的采购申请单号码,也可籍由系统辅助系统进行查询作业PR:10002014按或键进入下一个画面。栏位名称栏位说明资料范例物料此栏位为灰色,为不可...

1、当您付费下载文档后,您只拥有了使用权限,并不意味着购买了版权,文档只能用于自身使用,不得用于其他商业用途(如 [转卖]进行直接盈利或[编辑后售卖]进行间接盈利)。
2、本站所有内容均由合作方或网友上传,本站不对文档的完整性、权威性及其观点立场正确性做任何保证或承诺!文档内容仅供研究参考,付费前请自行鉴别。
3、如文档内容存在违规,或者侵犯商业秘密、侵犯著作权等,请点击“违规举报”。

碎片内容

第十章-MM10_生产性物料、辅料请购流程

中小学文库+ 关注
实名认证
内容提供者

精品资料应用尽有

确认删除?
VIP
微信客服
  • 扫码咨询
会员Q群
  • 会员专属群点击这里加入QQ群
客服邮箱
回到顶部