电脑桌面
添加小米粒文库到电脑桌面
安装后可以在桌面快捷访问

实验:验证平行四边形法则VIP免费

实验:验证平行四边形法则_第1页
1/3
实验:验证平行四边形法则_第2页
2/3
实验:验证平行四边形法则_第3页
3/3
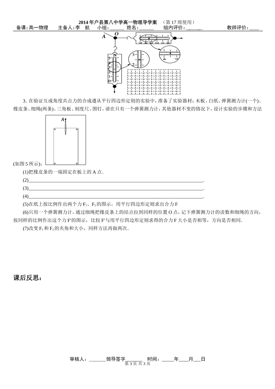
第1页共3页2014年户县第八中学高一物理导学案(第17周使用)备课:高一物理主备人:李航小组:______姓名:______组内评价:____教师评价:____验证力的平行四边形定则导学案班级________姓名________学号_____1.实验原理使某个力F′的作用效果以及F1与F2的共同作用效果都是使橡皮条伸长到同一点,所以F′为F1和F2的合力,作出F′的图示,再根据平行四边形定则作出F1和F2的合力F的图示,比较F、F′,分析在实验误差允许的范围内是否大小相等、方向相同.2.实验目的(1)验证互成角度的两个共点力合成时的平行四边形定则;(2)通过验证力的平行四边形定则,培养用图象法处理实验数据并得出结论的能力.3.实验器材方木板一块,白纸,弹簧秤两个,橡皮条,细绳和细绳套各两个,三角板,刻度尺,图钉几个,铅笔.4.实验步骤(1)在实验桌上平放一块方木板,然后在方木板上铺一张白纸,注意白纸的固定位置,如图所示,用图钉把白纸固定在方木板上.(2)用图钉把橡皮条的一端固定在板上的A点,在橡皮条的另一端系上两条细绳,两条细绳的另一端各系着绳套.(3)用两个弹簧秤分别钩住绳套,互成角度地拉橡皮条,使橡皮条伸长,结点到达某一位置O.(4)用铅笔记下O点的位置和两条细绳的方向,读出并记录两个弹簧秤的示数.(5)用铅笔和刻度尺在白纸上从O点沿着两条细绳的方向画直线,按照一定的标度作出两个力F1和F2的图示,用平行四边形定则求出合力F.(6)只用一个弹簧秤,通过细绳把橡皮条的结点拉到同样位置O,读出并记录弹簧秤的示数,记下细绳的方向,按同一标度作出这个力F′的图示.(7)比较力F′与合力F的大小和方向,看它们在实验误差允许的范围内是否大小相等、方向相同.(8)改变两个分力F1和F2的大小和夹角,再做两次实验.5.注意事项:(1)实验过程中在使用弹簧秤的时候,要注意使弹簧秤与木板平面平行.(2)选用的橡皮条应富有弹性,能发生弹性形变,同一次实验中,橡皮条拉长后的结点的位置必须保持不变.(3)在满足合力不超过弹簧秤的量程及橡皮条形变不超过弹性限度的条件下,应该使拉力尽量大一些,以减小实验中的误差.(4)画力的图示时,应选定恰当的单位长度作为标度;作力的合成图时,应尽量将图画得大一些,但也不要太大而画出纸外,要严格按力的图示要求和几何作图法作出合力.(5)由作图法得到的F和实际测量得到的F′不可能完全符合,只要在误差允许的范围内符合即可.6.实验误差分析本实验误差的主要来源除弹簧测力计本身的误差外,还有读数误差、作图误差,因此读数时眼睛一定要正视刻度,要按有效数字正确读数和记录.两个分力F1、F2间夹角θ越大,用平行四边形定则作图得出的合力F的误差ΔF也越大,审核人:_______领导签字时间:年月日第2页共3页2014年户县第八中学高一物理导学案(第17周使用)备课:高一物理主备人:李航小组:______姓名:______组内评价:____教师评价:____所以实验中不要把θ取得太大,同时夹角也不能太小.例1某同学做“验证力的平行四边形定则”实验时,主要步骤是:A.在桌上放一块方木板,在方木板上铺一张白纸,用图钉把白纸钉在方木板上;B.用图钉把橡皮条的一端固定在板上的A点,在橡皮条的另一端拴上两条细绳,细绳的另一端系着绳套;C.用两个弹簧测力计分别钩住绳套,互成角度地拉橡皮条,使橡皮条伸长,结点到达某一位置O.记录下O点的位置,读出两个弹簧测力计的示数;D.按选好的标度,用铅笔和刻度尺作出两只弹簧测力计的拉力F1和F2的图示,并用平行四边形定则求出合力F;E.只用一只弹簧测力计,通过细绳套拉橡皮条使其伸长,读出弹簧测力计的示数,记下细绳的方向,按同一标度作出这个力F′的图示;F.比较F′和F的大小和方向,看它们是否相同,得出结论.上述步骤中:(1)有重要遗漏的步骤的序号是________和________;(2)遗漏的内容分别是____________和____________.例2在做“探究力的平行四边形定则”实验时:(1)除已有的器材(方木板、白纸、弹簧秤、细绳套、刻度尺、图钉和铅笔)外,还必须有________和________.(2)要使每次合力与分力产生相同的效果,必须()A.每次将橡皮条拉到同样的位置B.每次把橡皮条拉直C.每次准确读...

1、当您付费下载文档后,您只拥有了使用权限,并不意味着购买了版权,文档只能用于自身使用,不得用于其他商业用途(如 [转卖]进行直接盈利或[编辑后售卖]进行间接盈利)。
2、本站所有内容均由合作方或网友上传,本站不对文档的完整性、权威性及其观点立场正确性做任何保证或承诺!文档内容仅供研究参考,付费前请自行鉴别。
3、如文档内容存在违规,或者侵犯商业秘密、侵犯著作权等,请点击“违规举报”。

碎片内容

实验:验证平行四边形法则

您可能关注的文档

精品文档+ 关注
实名认证
内容提供者

中小学学习资料大全

相关文档

确认删除?
VIP
微信客服
  • 扫码咨询
会员Q群
  • 会员专属群点击这里加入QQ群
客服邮箱
回到顶部