电脑桌面
添加小米粒文库到电脑桌面
安装后可以在桌面快捷访问

第一单元_长度和时间的测量VIP免费

第一单元_长度和时间的测量_第1页
1/4
第一单元_长度和时间的测量_第2页
2/4
第一单元_长度和时间的测量_第3页
3/4
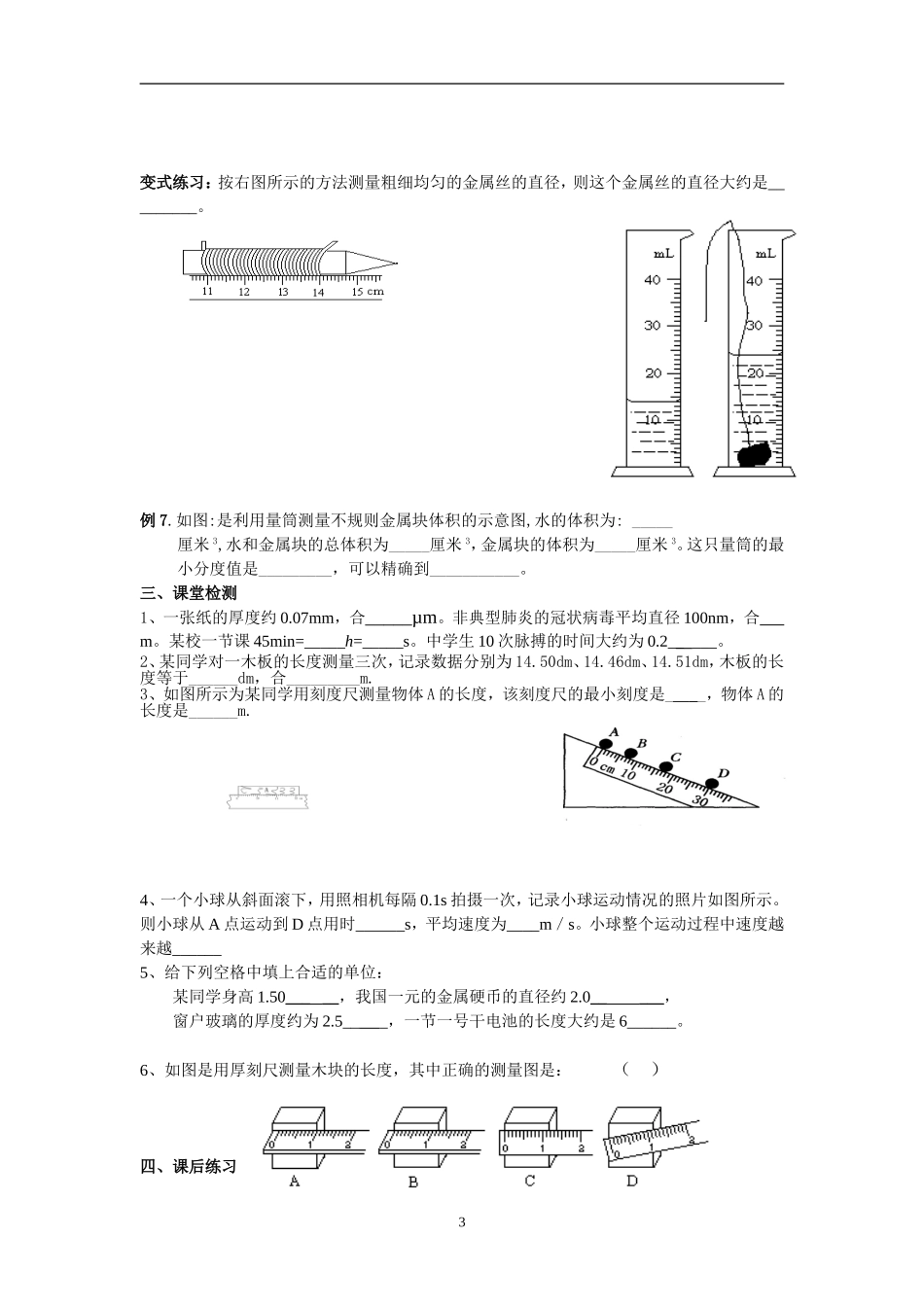
第一单元长度和时间的测量【学习目标】:1.能通过日常生活经验或利用物品粗略估测长度,会选用适当的工具测量长度。2.知道测量结果由数值和单位组成。3.知道测量有误差,知道误差和错误的区别。4.会用适当的工具测量时间。5.会进行长度及体积的单位换算。【学习重点、难点】:1.能通过日常生活经验或利用物品粗略估测长度,会选用适当的工具测量长度。2知道测量有误差,知道误差与错误的区别。3.掌握单位以及单位换算的规律。【学习过程】:一、知识结构1、长度测量的基本工具是:、比较精密的测量工具有和。2、长度的国际单位是:,常用的单位有千米()、分米()、厘米()、毫米()、微米()、纳米()。1m=mm=μm=nm。3、使用刻度尺的规则:(1)"看",使用前要注意观察它的,和。(2)"放",测量时尺要沿着所测长度,尽量靠近被测物体,不用磨损的零刻度线。(3)"读",读数时视线要与尺面,在精确测量时要估读到的下一位。(4)"记",测量值是由和组成4.体积测量:(1)在实验室里常用_______________或________________来测物体的体积。(2)用量筒测液体体积时,视线要跟凹形液面的___________部或凸形液面的____________部相平(即平视)。5、测量的误差:和的差异叫误差。减小误差的方法有。6、时间的国际单位是:,常用单位有、,1min=s,1h=s。二、课堂学习1、测量的意义例1:常见物体长度①普通纸张厚度约几十;②壹元硬币的厚度约2;③成人食指宽度约1.5;④成人手掌宽度约1;⑤成人走一步的距离约8;⑥成人的身高约1.6~1.8;⑦新铅笔长约17;⑧教室高约3;变式练习:下列估测合理的是()A.一只咸鸭蛋的质量约为600gB.一张报纸的厚度约为75nmC.一名中学生ls心跳约为70次D.一盏教室内的日光灯正常工作时的功率约为40W例2:下列单位换算是否正确()A、8.5m=8.5m×100cm=850cmB、459mm=459×=0.459mC、65cm=65÷100m=0.65mD、73dm=73×m=7.3m变式练习:500厘米2=__________分米2=__________米21.5米3=________升=_________厘米3=__________毫升;1360毫升=_______升=___________米3=___________厘米3。2、测量工具的认识及读数例3:观察图中的四幅图,将测量结果写在其下方相应空格处.变式练习:①如左图所示,秒表的读数为____s。②如右图所示,物体的长度为____cm。3、测量有误差,知道误差与错误的区别例4:关于误差,下列说法中正确的是()A、实验中产生的错误叫误差B、误差是由于测量时未遵守操作规则而引起的C、认真仔细测量,就可以避免误差D、选择精密测量仪器,改进实验方法,可以减小误差。变式练习1:一位同学对物体长度的四次测量中得到的数据1.41cm,.42cm1.41cm,1.43cm,则此物体的长度为………………………………………………………………()A.1.4cmB.1.4175cmC.1.42cmD.1.418cm变式练习2:用塑料卷尺测量物体的长度,若用力拉伸尺子进行测量,测得的结果将()A、偏大B、偏小C、不受影响D、无法判断4、测量方法例5:测量时关于尺的用法和眼在A处的观察方法,属于正确的是()变式练习:某同学测量长度的方法如右图所示,它在测量中的错误有:⑴____________________________________。⑵____________________________________。⑶____________________________________。例6:用直尺和三角板测圆柱体直径,下图中方法正确的是()2变式练习:按右图所示的方法测量粗细均匀的金属丝的直径,则这个金属丝的直径大约是_________。例7.如图:是利用量筒测量不规则金属块体积的示意图,水的体积为:_____厘米3,水和金属块的总体积为_____厘米3,金属块的体积为_____厘米3。这只量筒的最小分度值是_________,可以精确到___________。三、课堂检测1、一张纸的厚度约0.07mm,合_____µm。非典型肺炎的冠状病毒平均直径100nm,合m。某校一节课45min=_____h=_____s。中学生10次脉搏的时间大约为0.2_____。2、某同学对一木板的长度测量三次,记录数据分别为14.50dm、14.46dm、14.51dm,木板的长度等于______dm,合_________m.3、如图所示为某同学用刻度尺测量物体A的长度,该刻度尺的最小刻度是___,物体A的长度是______m.4、一个小球从斜面滚下,用照相机...

1、当您付费下载文档后,您只拥有了使用权限,并不意味着购买了版权,文档只能用于自身使用,不得用于其他商业用途(如 [转卖]进行直接盈利或[编辑后售卖]进行间接盈利)。
2、本站所有内容均由合作方或网友上传,本站不对文档的完整性、权威性及其观点立场正确性做任何保证或承诺!文档内容仅供研究参考,付费前请自行鉴别。
3、如文档内容存在违规,或者侵犯商业秘密、侵犯著作权等,请点击“违规举报”。

碎片内容

第一单元_长度和时间的测量

您可能关注的文档

确认删除?
VIP
微信客服
  • 扫码咨询
会员Q群
  • 会员专属群点击这里加入QQ群
客服邮箱
回到顶部