电脑桌面
添加小米粒文库到电脑桌面
安装后可以在桌面快捷访问

中控ECS700硬件IO模块TU713R使用手册VIP免费

中控ECS700硬件IO模块TU713R使用手册_第1页
1/7
中控ECS700硬件IO模块TU713R使用手册_第2页
2/7
中控ECS700硬件IO模块TU713R使用手册_第3页
3/7
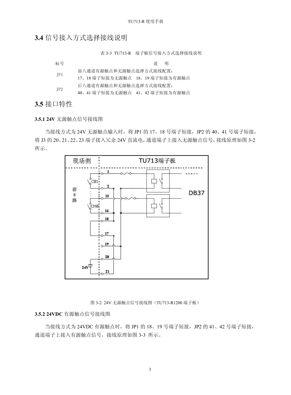
TU713-R 使用手册 1 TU713-R 系列接线端子板 1 基本说明 TU713-R 为16 路继电器隔离开关量输入端子板,可以供一块DI711-S 卡使用,现场的开关量信号经端子板继电器隔离后送入DI711-S 卡。端子板通过DB37 线连接于转接基座MB741-S 或者MB742-S 上使用。 TU713-R 系列端子板有两个型号:TU713-R1200 和TU713-R3200。TU713-R1200 为24VDC 继电器端子板,用于连接24VDC 开关信号,TU713-R3200 为220VAC 继电器端子板,用于连接220VAC开关信号。 2 性能指标 表 2-1 TU713-R 端子板性能指标 型号 TU713-R1200 TU713-R3200 通道数 16点 16点 额定输入电压 24VDC 220VAC,50Hz±5%~60Hz±5% 工作输入电压 (18~30)VDC (185~265)VAC,50Hz±5%~60Hz±5%输入电平 ON:>18VDC OFF:<3VDC ON:>185VAC OFF:<60VAC 每通道消耗电流 23mA(24V 典型值) 5mA(220V 典型值) 触点型阻抗指标 24V指标 ON:<500Ω OFF:>10kΩ220V 指标 ON: <5KΩ OFF: >100KΩ 3 使用说明 端子板接线端子可能含有高电压,禁止人体直接接触。 3.1 外形尺寸 长:150mm 宽:150mm 3.2 端子板外观图 TU713-R 端子板结构外形如图 3-1 所示。 TU713-R1200 中 J3 接线端子为24VDC 外配电接线端子;J4 接线端子的45 号端子为屏蔽地PGND;LED1 为无源触点时 24V 直流电配电输入指示灯;JP1、JP2 为无源触点和有源触点的配置接线端子。 TU713-R3200 中 J4 接线端子为220VAC 外配电接线端子,45 号端子为屏蔽地 PGND;LED1 为无源触点时 220V 交流电压配电输入指示灯;JP1、JP2 为无源触点和有源触点的配置接线端子。 TU713-R 使用手册 2 图 3-1 TU713-R 端子板结构外形图 3 .3 接插件说明 表 3-1 TU713-R1200 端子板接插件说明 标号 说 明 DB1 数据连线插座 J1 前八路接线端子 J2 后八路接线端子 J3 无源触点接线时,接冗余 24V 电压 J4 45 号端子接PGND,其余端子悬空 JP1 前八通道无源触点和有源触点的设置接线端子 JP2 后八通道无源触点和有源触点的设置接线端子 表 3-2 TU713-R3200 端子板接插件说明 标号 说 明 DB1 数据连线插座 J1 前八路接线端子 J2 后八路接线端子 J3 悬空 J4 交流 220V 电压接入端子,45 号端子接PGND JP1 前八通道无源触点和有源触点的设置接线端子 JP2 后八通道无源触点和有源触点的设置接...

1、当您付费下载文档后,您只拥有了使用权限,并不意味着购买了版权,文档只能用于自身使用,不得用于其他商业用途(如 [转卖]进行直接盈利或[编辑后售卖]进行间接盈利)。
2、本站所有内容均由合作方或网友上传,本站不对文档的完整性、权威性及其观点立场正确性做任何保证或承诺!文档内容仅供研究参考,付费前请自行鉴别。
3、如文档内容存在违规,或者侵犯商业秘密、侵犯著作权等,请点击“违规举报”。

碎片内容

中控ECS700硬件IO模块TU713R使用手册

您可能关注的文档

小辰4+ 关注
实名认证
内容提供者

出售各种资料和文档

确认删除?
VIP
微信客服
  • 扫码咨询
会员Q群
  • 会员专属群点击这里加入QQ群
客服邮箱
回到顶部