盖梁预应力张拉施工方案 一、工程概况 盖梁共 10 片,采用 C45 混凝土现浇,预应力张拉方式为后张法一端张拉,钢束采用高强低松弛钢...
引桥盖梁预应力张拉计算书 第一章 设计伸长量复核 一、计算公式及参数: 1、预应力平均张拉力计算公式及参数: 式中: Pp—预应力筋...
预应力钢绞线张拉及压浆施工方案一、工程概况邢衡高速公路是河北省“五纵六横七条线”高速公路网主骨架的重要补充,其建成之后将沟通邢汾、...
1/8现浇箱梁预应力张拉、压浆及封锚一、预应力张拉(1)张拉平台腹板束张拉位于箱梁顶面,顶、底板束张拉在梁腔内进行,横隔板处预应力张拉...
***工程-屋面采光顶张悬梁安装方案第 1 章工程概况本工程为***,本方案主要对屋面钢架采光顶下弦结构施工。绝大部分屋面梁为圆管桁架张拉...
桥面负弯矩预应力施工方案 一、预应力材料机具要求 本工程预应力钢绞线采用фs15.20mmⅡ级松弛(低松弛)预应力 钢绞线(GB/T5224 标准)...
桥面负弯矩张拉施工方案 一、 编制依据 1、现行公路工程施工规范、施工技术规程、质量评定标准与验收办法。 2、河北省高速公路---合同...
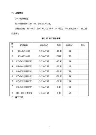
1 一 、工程概况 ( 一 ) 总 体 概 况 即 本 项 目 终 点 K11+700, 全 长 11.7 公 里 。 我标段共有 T 梁 432...
中 国 桥 梁 网 1 桥梁预应力张拉施工方案 目 录 第一章编制依据 ............................................. 2 第二章 ...
1 苏 州 轨 道 交 通 工 程 承包单位:中铁十四局集团有限公司 合同号:苏轨(2010)合计施字Ⅱ-11 监理单位:江苏盛华工程监理...
1 目录 1、工程概况 ...............................................................................................................
吊 杆 张 拉 施 工 工 艺 编 制: 复 核: 中 铁 十 五 局 集 团 有 限 公 司 大 西 客 专 指 挥 部 第 一...
预应力折线型混凝土屋架梁制作 预应力张拉及吊装施工方案 审批: 审核: 编制: 目 录 第一章 工程概况 第二章 编制依据 第三章...
箱梁预应力张拉及管道压浆施工方案1.预应力筋的张拉本桥主桥连续梁上设三向预应力筋,横向及纵向采用申 15.2 钢绞线,竖向采用申 25 精...
(1.长安大学 桥梁与隧道陕西省重点实验室,陕西西安 710064;2.华北水利水电学院 土木与交通学院,郑州 450011;)摘 要:为讨论预应...
精品文档---下载后可任意编辑承包单位:中国中铁二局第五工程有限公司监理单位:中国华西工程设计建设有限公司合同号:编 号:记录表 10...
精品文档---下载后可任意编辑二次张拉低回缩预应力锚具及锚下应力分析的开题报告一、讨论背景与意义随着现代建筑工程所采纳的钢筋混凝土构...
后张法预应力钢绞线张拉伸长值的计算 (一)结构设计形式 第五联现浇预应力箱梁采用单箱三室直腹板断面,梁高 1.6m,混凝土设计标号为 ...
单端张拉与两端张拉施工方案对比分析 龙腾大道跨九华河大桥工程主桥箱梁横梁预应力原图纸采用的是后张法预应力单端张拉,现考虑外模使用的...
预 应 力 智 能 张 拉 工 艺 在 先 张 法 施 工 中 运 用 总 结 一 、 前 言 我 项 目 部 系 中 铁 十 七...

