九年级物理电流和电路单元测试题一、单项选择题(12×2分=24分)1.毛皮和橡胶棒摩擦后,橡胶棒带负电,是由于()A.橡胶棒的一些电子转移到...
九年级物理第三单元《电流和电路》测试题班级姓名座号评分一、选择题(30分)题目12345678910答案1、教室内安装有6盏日光灯,由一个开关控...
�����������������������������������������������������������������...
学习必备欢迎下载九年级物理月考试卷(探究电路)班级姓名:座号:成绩:(请将填空题、选择题、实验题的答案填入第二张试卷的答案卡内,否...
第十二章电路初探命题点1电路、电流、电压、电阻一、选择题1.(2019乐山)如图所示,先后将不同材料接在电路的A、B两点间,闭合开关,能使小...
电路连接的基本方式班级姓名一、课前预习:1.把用电器叫串联电路。2.在串联电路中,电流有条路径,如果灯L1、L2是串联在电路中的,需要用...
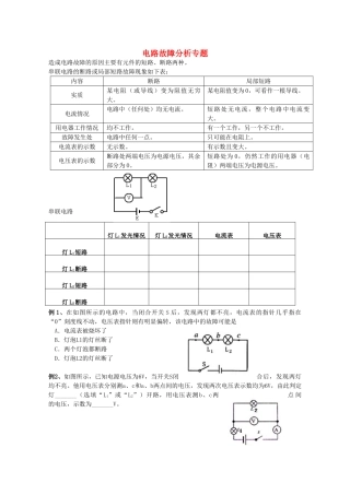
电路故障分析专题造成电路故障的原因主要有元件的短路、断路两种。串联电路的断路或局部短路故障现象如下表:内容断路局部短路实质某电阻(...
********灿若寒星竭诚为您提供优质文档*********灿若寒星第5节串、并联电路中电流的规律同步练习姓名:得分:一、选择题:(每题3分,共36...
********灿若寒星竭诚为您提供优质文档*********灿若寒星第5节串、并联电路中电流的规律01知识管理1.串联电路的电流规律特点:串联电路中...
初二物理电流和电路测试题人教实验版1.____、____都是最常使用的电源,在电路中的作用是_______;灯泡、电动机、电铃都是用电工作的设备,...
一、欧姆定律在串联电路中的应用1、电阻R1为10欧,电源两端电压为6伏,开关S闭合后,求:(1)、当滑动变阻器R接入电路的电阻R2为50欧是通...
电路一、知识点:1、电荷及电荷间的相互作用:自然界只有正、负两种电荷。同种电荷互相,异种电荷互相。2、导体和绝缘体:在通常情况下,容...
学习必备欢迎下载九年级物理全册《电流和电路》综合检测题新人教版一、选择题1.(2011·北京)下列用品中,通常情况下属于绝缘体的是()A.金...
九年级物理探究电路班级_________姓名__________座号___________一、选择题1.如图所示的电路,电源电压不变,当滑动变阻器滑片向右移动时,...
“电流和电路”课例报告课例名称电流和电路科目物理教学对象八年级四班授课者何增喜课时1授课时间2010年12月10日一、课例研究问题的提出及...
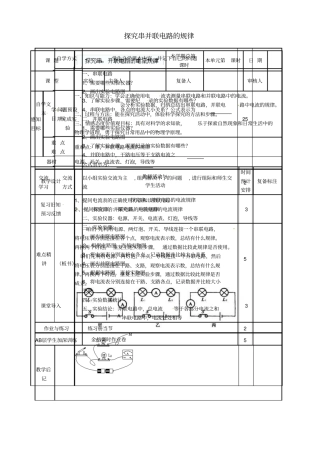
探究串并联电路的规律课题本学期总第课时本单元第课时日期课型实验主备人复备人审核人感知目标学习目标一、知识与能力:学会正确使用电流表...
15.3串联和并联课题15.3串联和并联课时本学期第课时日期本单元第课时课型新授主备人复备人审核人感知目标学习目标知识目标1.知道串联电路...
15.2电流和电路课题15.2电流和电路课时本学期第课时日期本单元第课时课型新授主备人复备人审核人感知目标学习目标知识目标:①初步认识电流...
15.1两种电荷教师活动学生活动设计意图复备标注课题15.1两种电荷课时本学期第课时日期本单元第课时课型新授主备人复备人审核人感知目标学习...
第22讲电路和电流、电压、电阻电路,分类一电路),电路的元件(符号)及组成)【考点梳理】1.常见电路元件名称及符号2.电路的组成(1)电源:能...

