电脑桌面
添加小米粒文库到电脑桌面
安装后可以在桌面快捷访问

进度交期延误原因分析与解决VIP免费

进度交期延误原因分析与解决_第1页
1/12
进度交期延误原因分析与解决_第2页
2/12
进度交期延误原因分析与解决_第3页
3/12
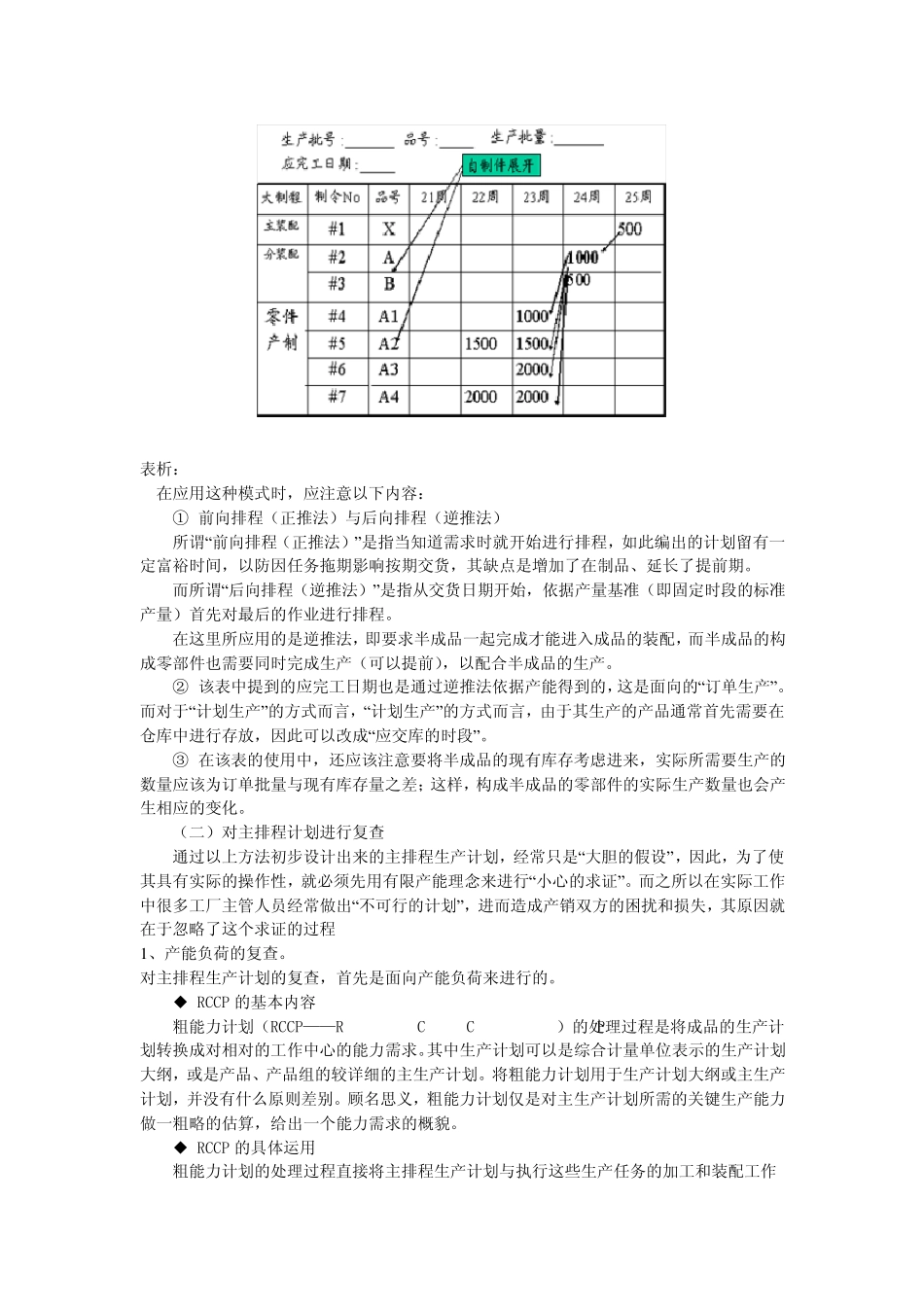
进度交期延误原因分析与解决 一、从PMC 生产管理面进行分析解决上 1 对进度交期延误的状况,首先应该从制造型企业生产管理的层面来进行深入分析。 2PMC 对交期延误的影响及原因 PMC(Produ ction & Material Control),即所谓的“生产物料集成管理” ,它是制造型企业生产管理中一个极为重要的方面,这个方面运作的好坏直接影响到企业的制造任务能否顺利地完成。 (一)PMC 是加工装配业的管理重点 加工装配业是制造业中对材料供应和生产安排要求最高也是最复杂的一个部分,在其生产制造过程中,应该将二者充分结合起来一起进行考虑和讨论。因此,PMC 是一般加工装配业的命脉所在。 1、加工装配业面临的最大问题 对于加工装配业而言,以下的状况是其面临的最大问题: ◆ 到了投产领料阶段,才发现缺料,只好停工待料,进度只好延误 ◆ 由于订单或生产计划临时多变,零部件采购或者自制来不及,只好交期延误; ◆ 进料延误或进料不良退回,无法配合计划投产,最终也只好延误。 2、PMC 的管理内容 为了最大程度地避免以上的问题,在加工装配业中,PMC 理所应当地成为其管理的重点,其具体的管理内容包括: ◆ 主排程生产计划以及细排程进度计划; ◆ 生产进度计划的跟催以及弥补措施; ◆ 采购、委外、自制需求的分析展开以及请购请制作业 ◆ 采购、委外、自制需求的分析展开以及请购请制作业; ◆ 仓储料账管理。 (二)从PMC 出发对交期延误的分析 从生产管理层面来思索交期进度延误的问题,对于加工装配业而言,实际上重点也就在于把握 PMC 对交期进度延误造成影响的原因。 因此,首先应用系统化的分析工具— — 鱼骨图来剖析PMC 之所以会造成交期进度延误的原因,如下图所示: 运用鱼骨图分析 PMC 对交期进度延误的原因示意图 在这个图中,以下的内容是需要提请注意的: ① 对于主排程生产计划以及细排程进度计划而言,计量化排程模式、料况分析以及产能负荷状况分析都是必须重点考虑的方面; ② 所谓的“有效的基准资料”具体包括标准工时等内容,这些资料必须准确,应该通过 IE 的科学方法来进行证明; ③ 不合理的订单交期往往来自于销售部门在不了解生产实际状况的前提下对订单的盲目承接,销售环节和生产环节缺乏良好的沟通和联系。 从以上的原因分析中可以总结出,要做好 PMC 来防止和杜绝交期延误的关键在于以下几个方面: ◆ 用计量化模式做好主排程生产计划 要使得...

1、当您付费下载文档后,您只拥有了使用权限,并不意味着购买了版权,文档只能用于自身使用,不得用于其他商业用途(如 [转卖]进行直接盈利或[编辑后售卖]进行间接盈利)。
2、本站所有内容均由合作方或网友上传,本站不对文档的完整性、权威性及其观点立场正确性做任何保证或承诺!文档内容仅供研究参考,付费前请自行鉴别。
3、如文档内容存在违规,或者侵犯商业秘密、侵犯著作权等,请点击“违规举报”。

碎片内容

进度交期延误原因分析与解决

小辰+ 关注
实名认证
内容提供者

出售各种文档和资料

确认删除?
VIP
微信客服
  • 扫码咨询
会员Q群
  • 会员专属群点击这里加入QQ群
客服邮箱
回到顶部