电脑桌面
添加小米粒文库到电脑桌面
安装后可以在桌面快捷访问

名设备词解释VIP免费

名设备词解释_第1页
1/6
名设备词解释_第2页
2/6
名设备词解释_第3页
3/6
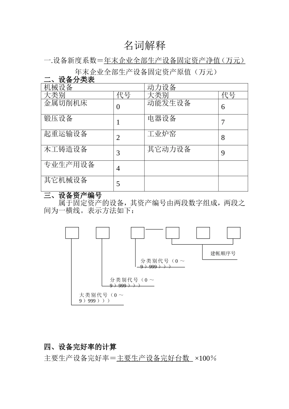
名词解释一.设备新度系数=年末企业全部生产设备固定资产净值(万元)年末企业全部生产设备固定资产原值(万元)二、设备分类表机械设备动力设备大类别代号大类别代号金属切削机床0动能发生设备6锻压设备1电器设备7起重运输设备2工业炉窑8木工铸造设备3其它动力设备9专业生产用设备4其它机械设备5三、设备资产编号属于固定资产的设备,其资产编号由两段数字组成,两段之间为一横线。表示方法如下:四、设备完好率的计算主要生产设备完好率=主要生产设备完好台数×100%分类别代号(0~9)999)))大类别代号(0~9)999)))分类别代号(0~9)999)))建帐顺序号主要生产设备总台数故障停机率(%)=故障停机时间×100%运转时间+故障停机时间故障频率(次/小时)=故障次数实际开动台时五、各类设备完好标准(一)金属切削机床(1~6项为主要项目)适用范围:车床、铣床、磨床、鉋床、钻床、镗床、刻线机、拉床、插床、齿轮及螺纹加工机床、切断机床、组合机床、简易专用机床超声波及电加工机床。1.精度、性能能满足生产工艺要求,精密、稀有机床主要精度性能达到出厂标准。2.各传动系统运转正常,变速齐全。3.各操作系统动作灵敏可靠。4.润滑系统装置齐全,管道完整,油路畅通,油标醒目,油质符符合要求。5.电气系统装置齐全,管线完整,性能灵敏,运行可靠。6.滑动部位运转正常,各滑动部位及零件无严重拉、研、碰伤7.机床内外清洁,无黄袍,无油垢,无锈蚀。8.基本无漏油、漏水、漏气现象。9.零部件完整,随机附件基本齐全,包管妥善。10.安全、防护装置齐全可靠。(二)起重设备(1~7项为主要项目)适用范围:桥式吊车、龙门吊车、单梁吊车、电葫芦等。1.起重和牵引能力达到设计要求。2.各传动系统运转正常,钢丝绳、吊钩、吊环符合安全技术规程。3.制动装置安全可靠,主要零件无严重磨损。4.操作系统灵敏可靠,调速正常。5.主、副梁的下挠、上拱,旁弯等变形均不得超过有关技术规定。6.电气装置齐全有效,安全装置灵敏可靠。7.车轮与轨道有良好接触,无严重啃轨现象。8.润滑装置齐全,效果良好,基本无漏油。9.吊车内外整洁,标牌醒目,零部件齐全。(三)各类生产设备电气部分1.能满足生产要求,操作和控制系统装置齐全,灵敏可靠。2.各种开关、触点接触良好,消弧装置、。安全罩完好齐全。3.各种接触器、继电器、磁力启动器容量合理,触头无严重烧伤,衔铁无粘牢不放或延时释放及卡死等现象。4.电气设备部件整洁,接线整齐,标志醒目。5.运行良好,绝缘强度及安全防护装置符合电气运行规程。6.电机运行无异常音响,温升、电流、电压、功率符合电机铭牌规定。7.设备的通风、散热冷却系统完整齐全,效能良好。8.数控、线切割、电火花等特种机械化的电气装置,按说明书规定的出厂标准检查。六、设备事故损失的计算1.停产和修理时间的计算停产时间:从设备损坏停工时起,到修复后投入使用时为止。修理时间:从动工修理起到全部修完交付生产使用时为止。2.修理费用的计算修理费用系指设备事故修理所花费用,其计算方法为:修理费(元)=修理材料费(元)+备件费(元)+工具辅材费(元)+工时费(元)3.停产损失费用的计算设备因事故停机,造成工厂生产损失,其计算方法为:停产损失(元)=停机小时×每小时生产成本费用4.事故损失费用的计算由于事故迫使设备停产和修理而造成的费用损失,其计算方法如下:事故损失费(元)=停产损失(元)+修理费(元)七、设备事故的性质设备事故按其发生性质可分以下三类:1.责任事故:凡属人为原因,如违反操作维护规程、擅离工作岗位、超负荷运转、加工工艺不合理以及维护修理不良,致使设备损坏停产或效能降低者,称为责任事故。2.质量事故:凡因设备原设计、制造、安装等原因,致使设备损坏停产或效能降低者,称为质量事故。3.自然事故:凡因遭受自然灾害,致使设备损坏停产或效能降低者,称为自然事故。4.一般事故:修复费用一般设备在500~1000元;精、大、稀及机械工业关键设备在1000~30000元者;或因设备事故造成全厂供电中断10~30分钟为一般事故。5.重大事故:修复费用一般达10000以上,机械工业关键设备及精、大、稀设备...

1、当您付费下载文档后,您只拥有了使用权限,并不意味着购买了版权,文档只能用于自身使用,不得用于其他商业用途(如 [转卖]进行直接盈利或[编辑后售卖]进行间接盈利)。
2、本站所有内容均由合作方或网友上传,本站不对文档的完整性、权威性及其观点立场正确性做任何保证或承诺!文档内容仅供研究参考,付费前请自行鉴别。
3、如文档内容存在违规,或者侵犯商业秘密、侵犯著作权等,请点击“违规举报”。

碎片内容

名设备词解释

您可能关注的文档

确认删除?
VIP
微信客服
  • 扫码咨询
会员Q群
  • 会员专属群点击这里加入QQ群
客服邮箱
回到顶部