电脑桌面
添加小米粒文库到电脑桌面
安装后可以在桌面快捷访问

单相桥式全控整流电路

单相桥式全控整流电路_第1页
1/18
单相桥式全控整流电路_第2页
2/18
单相桥式全控整流电路_第3页
3/18
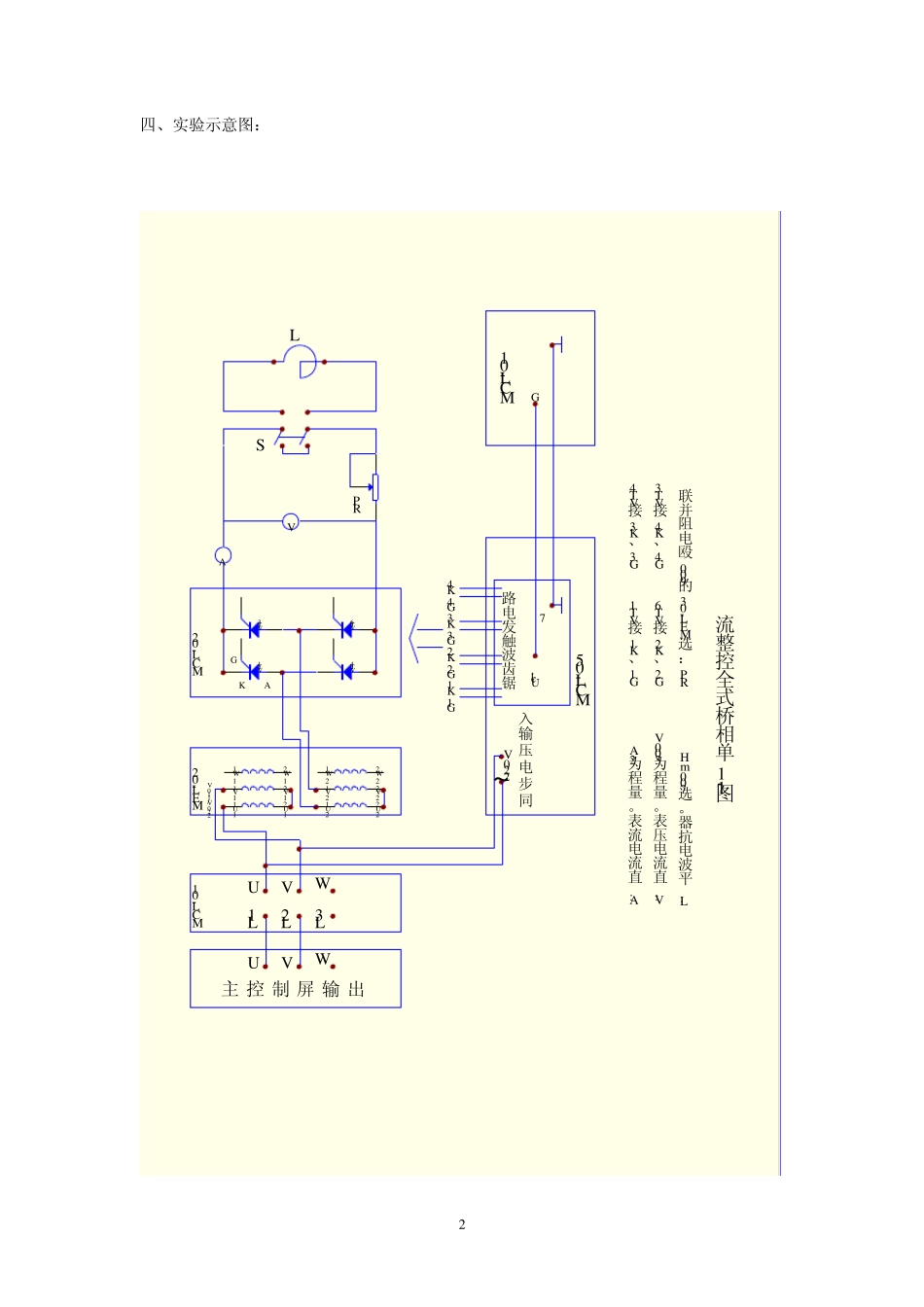
实验编号 实 验 指 导 书 实验项目: 单相桥式全控整流电路 所属课程: 电力电子技术基础 课程代码: EE303 面向专业: 电气工程 学院(系 ): 电气工程系 实 验 室 : 电气工程与自动化 代号: 03010 2010 年 4 月 15 日 1 一、实验目的: 1.了解单相桥式全控整流电路的工作原理。 2.研究单相桥式全控整流电路在电阻负载、电阻—电感性负载时的工作。 3.熟悉 M CL—05 锯齿波触发电路的工作。 二、实验内容: 1.单相桥式全控整流电路供电给电阻负载。 2.单相桥式全控整流电路供电给电阻—电感性负载。 三、实验主要仪器设备: 1.M CL 系列教学实验台主控制屏。 2.M CL—01 组件。 3.M CL—02 组件。 4.M CL—05 组件。 5.M EL—03 三相可调电阻器。 6.M EL—02 三相芯式变压器。 7.双踪示波器 8.万用表 2 四、实验示意图: MEL-02MCL-01MCL-02220V/110V主 控 制 屏 输 出VT1VT3VT4VT6RPG1G2G3G4K1K2K3K4锯齿波触发电路Uct220V步电压输入同~MCL-05MCL-01G7UUVVWWL1L2L31U11U22U12U21V11V22V12V21W11W22W12W2SLAVA: 直流电流表。量程为2AV: 直流电压表。量程为300VL: 平波电抗器。选700mHG1、K1接VT1G2、K2接VT6G3、K3接VT4G4、K4接VT3RP:选MEL-03的900殴电阻并联图1-1单相桥式全控整流AKG 3 五、实验有关原理及原始计算数据,所应用的公式: 工作原 理及 波 形分 析  VT1 和VT4 组 成 一 对 桥 臂 ,在u2 正 半 周 承 受 电 压u2,得到 触 发 脉冲 即 导 通 , 当u2 过 零 时 关 断  VT2 和VT3 组 成 另 一 对 桥 臂 , 在u2 正 半 周 承 受 电 压 -u2, 得 到 触发 脉 冲 即 导 通 , 当u2 过 零 时 关 断 单相全 控桥式 带电 阻负载时 的电路及波形 4 数量关 系 角 的 移 相 范 围 为180。 六、实验数据记录: 电阻负载 ( º) 30° 60° 90° U2 (V) 110 110 110 Ud(V) 46 66 81 电阻电感负载 ( º) 30° 60° 90° U2(V) 110 110 110 Ud(V) 41 60 76 5 七、实验结果的计算及曲线: 单相桥式全控整流电阻负载波形 单相全控 900Ud 、UVT 波形 单相全控 900Ud波形 单相全控 900UVT 波形 6 单相桥式全控整流电阻负载波形 单相全控600Ud 、UVT 波形 单相全控600Ud波形 单相全控600UVT 波形 7 单相...

1、当您付费下载文档后,您只拥有了使用权限,并不意味着购买了版权,文档只能用于自身使用,不得用于其他商业用途(如 [转卖]进行直接盈利或[编辑后售卖]进行间接盈利)。
2、本站所有内容均由合作方或网友上传,本站不对文档的完整性、权威性及其观点立场正确性做任何保证或承诺!文档内容仅供研究参考,付费前请自行鉴别。
3、如文档内容存在违规,或者侵犯商业秘密、侵犯著作权等,请点击“违规举报”。

碎片内容

单相桥式全控整流电路

您可能关注的文档

小辰4+ 关注
实名认证
内容提供者

出售各种资料和文档

相关文档

确认删除?
VIP
微信客服
  • 扫码咨询
会员Q群
  • 会员专属群点击这里加入QQ群
客服邮箱
回到顶部