电脑桌面
添加小米粒文库到电脑桌面
安装后可以在桌面快捷访问

外保温施工方案-北京老旧小区改造

外保温施工方案-北京老旧小区改造_第1页
1/13
外保温施工方案-北京老旧小区改造_第2页
2/13
外保温施工方案-北京老旧小区改造_第3页
3/13
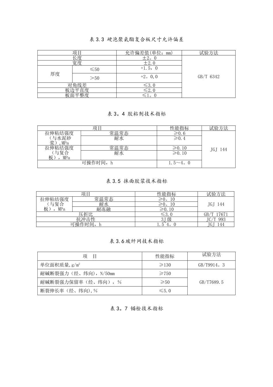
保温施工方案一、编制依据1 《建筑工程施工质量验收统一标准》 GB50300—20012 《外墙外保温工程技术规程》 JGJ144—20243 《硬泡聚氨酯保温防水工程技术法律规范》 GB50404—20244 《建筑装饰装修工程质量验收法律规范》 GB50210—20015 《建筑施工安全检查标准》 JGJ59—996 《施工现场临时用电安全技术法律规范》 JGJ46—20247 《建筑节能工程施工质量验收法律规范》 GB50411-20248 《建筑机械使用安全技术规程》 JG33—20249 《北京市老旧小区综合改造外墙外保温施工技术导则》10 本工程建筑施工图二、作业条件1 总包方为本工程提供室外垂直运输设备,提供现场施工所需的水电及相关临建设施等。2 施工用吊篮或专用外脚手架搭设应牢固,并经安全验收合格.3 基层墙体垂直度要求为全高允许偏差 10mm 以内,表面平整度在 5mm 以内,墙面的水泥灰浆应清除,墙表面的凸起物应剔除。4 外墙外保温施工前,应拆除空调、窗护栏、雨水管等附着物,并妥善保管,施工后恢复或更换.伸出外墙面的各种落水管、进户管线等的预埋件、连接件应安装完毕,并预留出保温层的设计厚度。5 外墙外保温施工前,应拆移附着在外墙的线路,在建筑物周围设立支撑保护,施工后恢复。6 外墙外保温施工前,外门窗应已改造安装完毕,作业门窗口内应已完成防火封挡。7 主要材料:OPU 硬泡聚氨酯保温板、外保温胶粘剂、外保温抹面胶浆、耐碱玻纤网格布、锚栓等.8 气候条件:操作地点环境和基底温度不低于 5℃,风力小于 5 级,雨天不能施工。夏季施工,施工面应避开阳光直射,必要时可搭设防晒布,遮挡墙面.如施工中突遇降雨,应实行有效措施,防止雨水冲刷墙面。三、技术要求表 3。1 外墙外保温系统技术指标表 3。2 硬泡聚氨酯复合板技术指标项目指标试验方法耐候性外观质量无可渗水裂缝,无粉化、空鼓、起泡、剥落现象JGJ144或JG149系统拉伸粘结强度,MPa≥0。10抗冲击强度,J普通型≥3。0JG149加强型≥10。0不透水性试样防护层内侧无水渗透水蒸汽湿流密度(包括外饰面),g/(m2·h)≥0。8524h 吸水量注,g/m2≤500耐冻融(30 次)无空鼓、剥落现象,无可渗水裂缝,粘结强度≥0.10MPaJGJ144热阻 m2·K/w应符合设计要求注:标准环境下养护 7d,之后进行三次循环,循环条件为(1)在试验环境条件下的水槽中浸泡 24h,试样防护层朝下浸在水中,浸入深度为 3 mm~10mm;(2)在(50±5)℃的条件下干燥 24h。完成循环后,试样应在试验环境下再放置...

1、当您付费下载文档后,您只拥有了使用权限,并不意味着购买了版权,文档只能用于自身使用,不得用于其他商业用途(如 [转卖]进行直接盈利或[编辑后售卖]进行间接盈利)。
2、本站所有内容均由合作方或网友上传,本站不对文档的完整性、权威性及其观点立场正确性做任何保证或承诺!文档内容仅供研究参考,付费前请自行鉴别。
3、如文档内容存在违规,或者侵犯商业秘密、侵犯著作权等,请点击“违规举报”。

碎片内容

外保温施工方案-北京老旧小区改造

您可能关注的文档

雏圣文化+ 关注
实名认证
内容提供者

欢迎光临,大量办公文档供您挑选。

确认删除?
VIP
微信客服
  • 扫码咨询
会员Q群
  • 会员专属群点击这里加入QQ群
客服邮箱
回到顶部