电脑桌面
添加小米粒文库到电脑桌面
安装后可以在桌面快捷访问

一般砖砌体砌筑工程----分项工程质量技术交底卡eee-

一般砖砌体砌筑工程----分项工程质量技术交底卡eee-_第1页
1/8
一般砖砌体砌筑工程----分项工程质量技术交底卡eee-_第2页
2/8
一般砖砌体砌筑工程----分项工程质量技术交底卡eee-_第3页
3/8
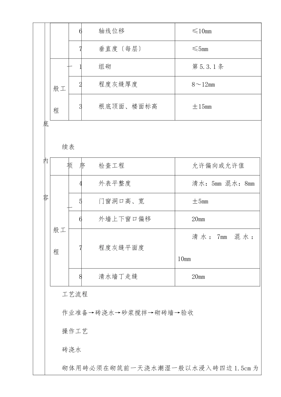
一般砖砌体砌筑工程分项工程质量技术交底卡GDXXX3施工工程名称分部工程交底部位日年月日交底内容施工准备作业条件成室外及房心回填土安装好沟盖板或完成楼板构造施工。办完地基、根底工程隐蔽验收手续。按标高抹好水泥砂浆防潮层。弹好轴线、墙身线及检查线根据进场砖的实际规格尺寸弹出门窗洞口位置线经历线符合设计法律规范和要求办完验收手续。按设计标高要求立好皮数杆皮数杆的间距 15~20m 或每道墙的两端。有砂浆配合比单准备好砂浆试模(6 块为一组)。材料要求砖:品种、规格、强度等级必须符合设计法律规范和要求并有合格证书性能检测。承重构造必须做取样复试。要求砖必须要有一个条面和交底内容交丁面边角整齐。水泥:品种及强度等级应根据砌体的部位及所处的环境条件选择。水泥必须要有合格证、出厂检测和进场复验。砂:用中砂使用之前用 5mm 孔径的筛子过筛。掺合料:白灰熟化时间不少于 7d 或采纳粉煤灰等。其他材料:墙体拉结筋、预埋件、已做防腐处理的木砖等。施工机具应备有大铲、刨、托线板、线坠、小白线、卷尺、程度尺、皮数杆、小水捅、灰槽、砖夹子、扫帚等。质量要求砖砌体工程质量要求符合?砌体工程施工质量验收标准?(GB52025-0502)的有关规定。项序检查工程允许偏向或允许值主控工程1砖强度等级按设计要求 MU2砂浆强度等级按设计要求 M3程度灰缝砂浆饱满度≥804斜搓留置第 5.2.3 条5直搓拉结钢筋及接搓处理第 5.2.4 条底内容6轴线位移≤10mm7垂直度〔每层〕≤5mm一般工程1组砌第 5.3.1 条2程度灰缝厚度8~12mm3根底顶面、楼面标高±15mm续表项序检查工程允许偏向或允许值一般工程4外表平整度清水:5mm 混水:8mm5门窗洞口高、宽±5mm6外墙上下窗口偏移20mm7程度灰缝平面度清 水 : 7mm 混 水 :10mm8清水墙丁走缝20mm工艺流程作业准备→砖浇水→砂浆搅拌→砌砖墙→验收操作工艺砖浇水砌体用砖必须在砌筑前一天浇水潮湿一般以水浸入砖四边 1.5cm 为宜含水率为 10~15 常温施工不得用干砖上墙;雨不得使用含水率达饱和状态的砖砌墙;冬拎不得浇水可适当增大砂浆稠度。砂浆搅拌砂浆配合比采纳重量比计量精度水泥为±2 砂、灰膏控制在±5 以内机械搅拌时搅拌时间不得少于 2min;参加粉煤灰或外加剂搅拌不少于3min;掺用有机塑化剂的砂浆搅拌 3~5min。砌砖墙组砌:砌体一般采纳一顺一丁砌法。砖柱不得采纳先砌四周后填心的包心砌法。排砖撂底:一般外墙第一层砖撂底时两山墙排丁砖前后檐纵墙排...

1、当您付费下载文档后,您只拥有了使用权限,并不意味着购买了版权,文档只能用于自身使用,不得用于其他商业用途(如 [转卖]进行直接盈利或[编辑后售卖]进行间接盈利)。
2、本站所有内容均由合作方或网友上传,本站不对文档的完整性、权威性及其观点立场正确性做任何保证或承诺!文档内容仅供研究参考,付费前请自行鉴别。
3、如文档内容存在违规,或者侵犯商业秘密、侵犯著作权等,请点击“违规举报”。

碎片内容

一般砖砌体砌筑工程----分项工程质量技术交底卡eee-

确认删除?
VIP
微信客服
  • 扫码咨询
会员Q群
  • 会员专属群点击这里加入QQ群
客服邮箱
回到顶部