电脑桌面
添加小米粒文库到电脑桌面
安装后可以在桌面快捷访问

泵的管道设计

泵的管道设计_第1页
1/28
泵的管道设计_第2页
2/28
泵的管道设计_第3页
3/28
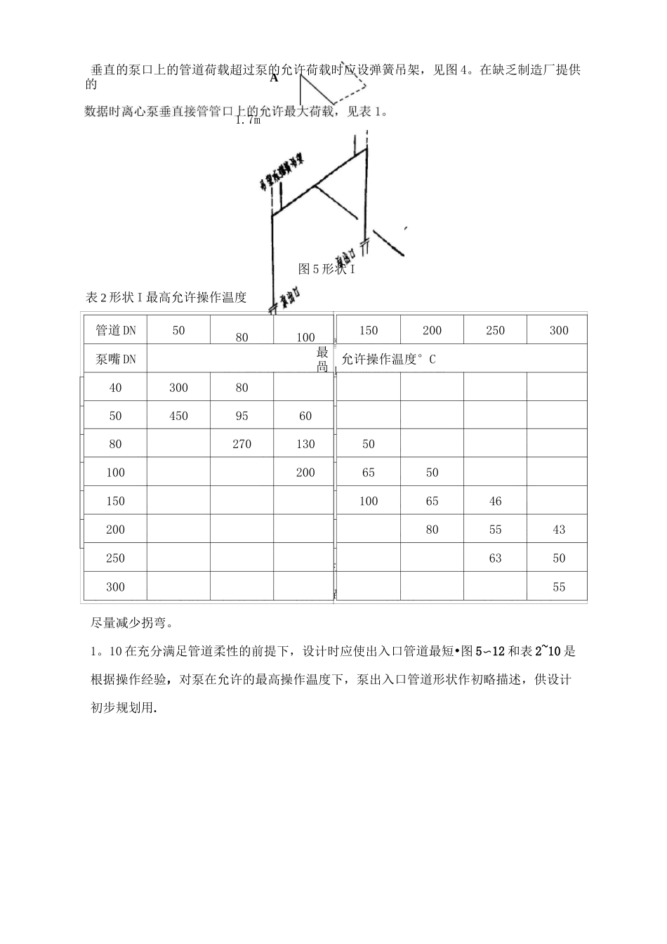
泵的管道设计1 泵的一般配管原则1.1 当泵布置在管廊下面时,进出管廊的配管管底距地面净距除应满足泵的检修外,不应小于 3.5m。1.2 输送腐蚀性介质的管道,不应布置在泵和电机的上方。1。3 泵的进、出口管道应设切断阀和盲板用于切断,此切断阀常用闸阀.若处理的流体是无毒、非可燃性的介质,盲板可以免去。1.4 泵的回转机械属精密机械,一旦受到外力作用会发生变形、振动和噪声,是轴承烧坏和损坏的主要原因,应充分考虑热膨胀对泵出入口管道的要求,以减少管道作用在泵管嘴处的应力和力矩。1。5 要考虑泵的维修检查所需要的空间,使泵的管道、阀门手轮不影响其维修和检查。1、管道布置时,泵的两侧至少要留出一侧作维修用.2、往复泵的泵端和驱动端的管道布置不应妨碍活塞及拉杆的拆卸和检修。3、立式泵上方应留有检修、拆卸泵所需要的空间。4、当管道布置在泵和电动机上方时,管道要有足够的高度,不应影响起重设备的吊装。5、配管时要考虑泵的拆卸,公称管径小于或等于 40 的承插焊管道在适当的位置需设置拆卸法兰。6、几台并列布置的泵的进出口阀门应尽量采用相同的安装高度。当进出口阀门安装在立管上时,一般安装高度为 1。2〜1.3m,手轮方位应便于操作。1。6 泵的基础高出地面不应小于 0.2m,其具体高度应根据泵进口处放净管的安装高度确定.对输送可燃液体和有毒介质的泵,泵的放净管不得采用明沟排放。1.7应考虑泵管道上的阀门及仪表同按钮操作柱的关系,便于泵的启动和切换操作。1.8布置大小不一样的泵时,一般有三种方式:1、泵出口中心线取齐:优点是操作面方便统一。2、泵基础面取齐:便于设置排污管或排污沟以及基础施工方便。3、动力端基础面取齐:优点是电缆接线容易且经济,泵的开关与电流表在一条线上取齐,电动机易操作。当然如果泵的大小差异太大,会造成吸入管太长。1.9为使泵体少受外力作用,应在靠近泵的管段上设置合理的支、吊架或弹簧支、吊架.1、泵的水平吸入管或泵前管道弯头处(垂直时)应设可调支架,见图 1。泵水平吸入管支架泵吸入管弯头处支架图 12、不带底座的管道泵进出口管道支架应尽可能接近管口,见图 2。3、并联泵出口管固定架的一般位置见图 3.图 3 并联泵出口固定架示意图4、泵出口后的第一个弯头处或弯头附近设吊架或弹簧支架.当操作温度高于 120°C 或附加于图 2 管道泵支架垂直的泵口上的管道荷载超过泵的允许荷载时应设弹簧吊架,见图 4。在缺乏制造厂提供的表 1 离心泵垂直接管口上的...

1、当您付费下载文档后,您只拥有了使用权限,并不意味着购买了版权,文档只能用于自身使用,不得用于其他商业用途(如 [转卖]进行直接盈利或[编辑后售卖]进行间接盈利)。
2、本站所有内容均由合作方或网友上传,本站不对文档的完整性、权威性及其观点立场正确性做任何保证或承诺!文档内容仅供研究参考,付费前请自行鉴别。
3、如文档内容存在违规,或者侵犯商业秘密、侵犯著作权等,请点击“违规举报”。

碎片内容

泵的管道设计

您可能关注的文档

确认删除?
VIP
微信客服
  • 扫码咨询
会员Q群
  • 会员专属群点击这里加入QQ群
客服邮箱
回到顶部