电脑桌面
添加小米粒文库到电脑桌面
安装后可以在桌面快捷访问

高考化学一轮复习 第九章 无机实验 课时梯级作业三十一 9.2 物质的制备试题VIP免费

高考化学一轮复习 第九章 无机实验 课时梯级作业三十一 9.2 物质的制备试题_第1页
1/13
高考化学一轮复习 第九章 无机实验 课时梯级作业三十一 9.2 物质的制备试题_第2页
2/13
高考化学一轮复习 第九章 无机实验 课时梯级作业三十一 9.2 物质的制备试题_第3页
3/13
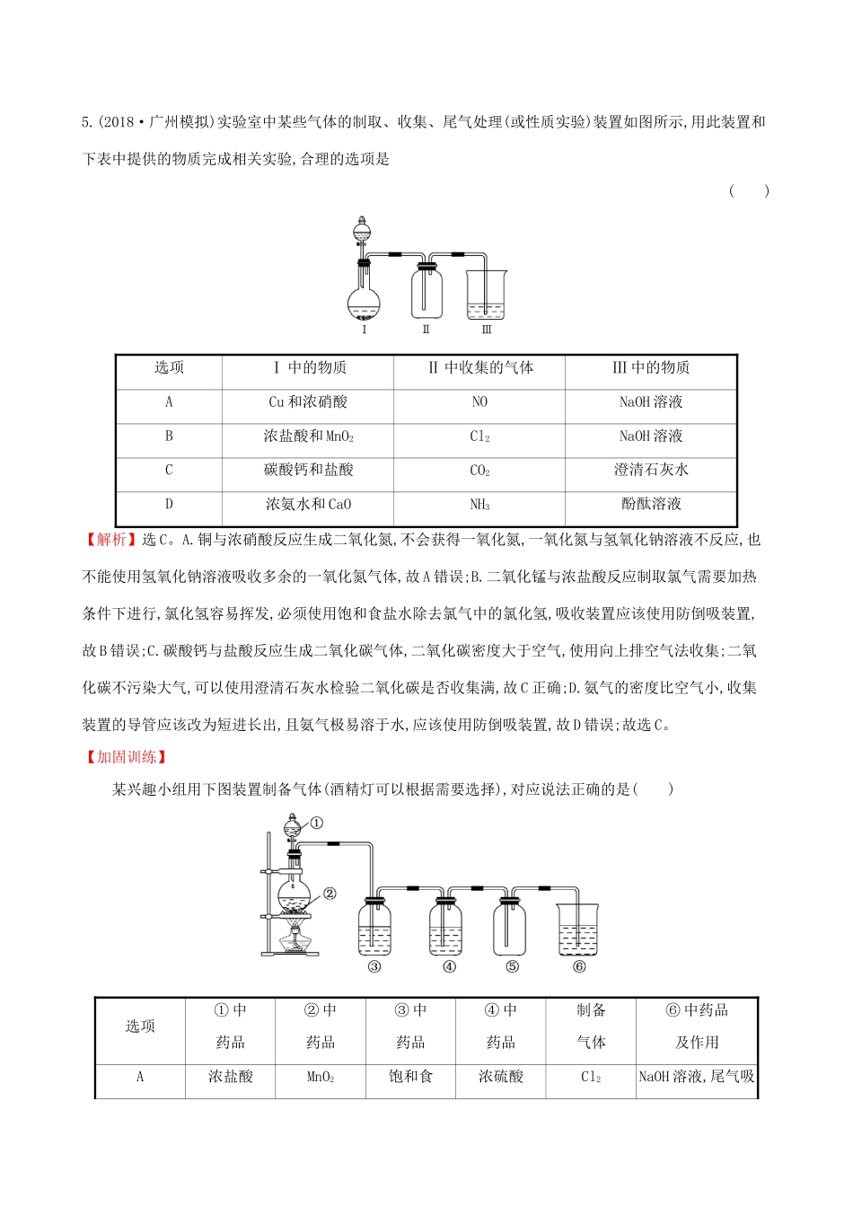
课时梯级作业三十一物质的制备(45分钟100分)一、选择题(本题包括7小题,每题6分,共42分)1.某研究性学习小组讨论甲、乙、丙、丁四种仪器装置的有关用法,其中不合理的是()A.甲装置:可用来制备硅酸B.乙装置:橡皮管的作用是能使水顺利流下C.丙装置:用图示的方法不能检查此装置的气密性D.丁装置:先从①口进气集满二氧化碳,再从②口进气,可收集氢气【解析】选C。碳酸的酸性比硅酸强,可以制备硅酸,A正确;B选项橡皮管的作用能使分液漏斗内外大气压相等,液体顺利流下,B项正确;C选项用图示的方法检查装置的气密性时,只要(甲)(乙)管内的液面能形成高度差,就能证明装置不漏气,C选项错误;D先从①口进气可以收集密度比空气大的气体,再从②口进气,可收集密度比原气体密度小的气体,D选项正确。2.(2018·商丘模拟)利用下列实验装置进行相应的实验,能达到实验目的的是()A.用图1所示装置制取干燥的氨气B.图2装置可用于制取少量纯净的CO2气体C.用图3所示装置制取少量Cl2D.图4装置可用于比较碳酸钠和碳酸氢钠的热稳定性,大试管A中装碳酸钠固体,小试管B中装碳酸氢钠固体【解析】选D。浓硫酸与氨气反应,A错误;碳酸钠不仅溶于水,还能与酸反应,一旦反应发生,无法控制反应的停止;盐酸具有挥发性,有杂质氯化氢气体;B错误;二氧化锰与稀盐酸不反应,C错误;碳酸钠和碳酸氢钠比较热稳定性,给碳酸钠加热,结果碳酸氢钠分解产生二氧化碳气体,结论得证;D正确。3.下列实验中,仪器下端必须插入液面以下的是()①制备氢气的简易装置中的长颈漏斗;②制备氯气装置中的分液漏斗;③制备Fe(OH)2操作中的胶头滴管;④将氯化氢气体溶于水时的导气管;⑤分馏石油时的温度计。A.①③B.②④⑤C.①③④D.全部【解析】选A。①为了防止气体逸出,制备氢气的简易装置中的长颈漏斗下端需插入液面以下,故①正确;②因活塞能控制与外界隔开,制备氯气装置中的分液漏斗不用插入液面下,故②错误;③为了防止空气中氧气氧化氢氧化亚铁,制备Fe(OH)2操作中的胶头滴管下端需插入液面以下,故③正确;④为了防止倒吸,将氯化氢气体溶于水时的导管不能插入液面以下,故④错误;⑤因测量的是蒸气的温度,分馏石油时的温度计不能插入液面以下,故⑤错误;故选A。4.某化学课外小组的学生提出实验室制氨气的以下几种方案,其中比较简便易行的是()A.硝酸铵固体与消石灰共热B.浓氨水逐滴加入新制的生石灰中C.在一定条件下,氮气与氢气化合D.加热分解氯化铵固体【解析】选B。A、硝酸铵受热易分解产生其他气体,甚至引起爆炸事故(如5NH4NO34N2↑+2HNO3+9H2O;NH4NO3N2O↑+2H2O),故A错误;B、利用生石灰遇水放出大量的热,促使氨水分解成氨气,故B正确;C、反应的条件为高温、高压、催化剂,一般实验室并不具备此条件,故C错误;D、分解产生的气体是NH3和HCl,二者在遇冷时又重新化合成NH4Cl固体,容易堵塞导管,发生危险,故D错误。5.(2018·广州模拟)实验室中某些气体的制取、收集、尾气处理(或性质实验)装置如图所示,用此装置和下表中提供的物质完成相关实验,合理的选项是()选项Ⅰ中的物质Ⅱ中收集的气体Ⅲ中的物质ACu和浓硝酸NONaOH溶液B浓盐酸和MnO2Cl2NaOH溶液C碳酸钙和盐酸CO2澄清石灰水D浓氨水和CaONH3酚酞溶液【解析】选C。A.铜与浓硝酸反应生成二氧化氮,不会获得一氧化氮,一氧化氮与氢氧化钠溶液不反应,也不能使用氢氧化钠溶液吸收多余的一氧化氮气体,故A错误;B.二氧化锰与浓盐酸反应制取氯气需要加热条件下进行,氯化氢容易挥发,必须使用饱和食盐水除去氯气中的氯化氢,吸收装置应该使用防倒吸装置,故B错误;C.碳酸钙与盐酸反应生成二氧化碳气体,二氧化碳密度大于空气,使用向上排空气法收集;二氧化碳不污染大气,可以使用澄清石灰水检验二氧化碳是否收集满,故C正确;D.氨气的密度比空气小,收集装置的导管应该改为短进长出,且氨气极易溶于水,应该使用防倒吸装置,故D错误;故选C。【加固训练】某兴趣小组用下图装置制备气体(酒精灯可以根据需要选择),对应说法正确的是()选项①中药品②中药品③中药品④中药品制备气体⑥中药品及作用A浓盐酸MnO2饱和食浓硫酸Cl2NaOH溶液,尾气吸盐水收B稀硝酸Cu烧碱溶液浓硫酸NONaOH溶液,尾气吸收C浓盐酸大理石饱和Na2CO3溶液浓硫酸CO2澄清石灰水,检验D浓盐酸...

1、当您付费下载文档后,您只拥有了使用权限,并不意味着购买了版权,文档只能用于自身使用,不得用于其他商业用途(如 [转卖]进行直接盈利或[编辑后售卖]进行间接盈利)。
2、本站所有内容均由合作方或网友上传,本站不对文档的完整性、权威性及其观点立场正确性做任何保证或承诺!文档内容仅供研究参考,付费前请自行鉴别。
3、如文档内容存在违规,或者侵犯商业秘密、侵犯著作权等,请点击“违规举报”。

碎片内容

高考化学一轮复习 第九章 无机实验 课时梯级作业三十一 9.2 物质的制备试题

您可能关注的文档

文章天下+ 关注
实名认证
内容提供者

各种文档应有尽有

相关文档

确认删除?
VIP
微信客服
  • 扫码咨询
会员Q群
  • 会员专属群点击这里加入QQ群
客服邮箱
回到顶部