电脑桌面
添加小米粒文库到电脑桌面
安装后可以在桌面快捷访问

水利工程原材料及中间产品取样检测的说明

水利工程原材料及中间产品取样检测的说明_第1页
1/3
水利工程原材料及中间产品取样检测的说明_第2页
2/3
水利工程原材料及中间产品取样检测的说明_第3页
3/3
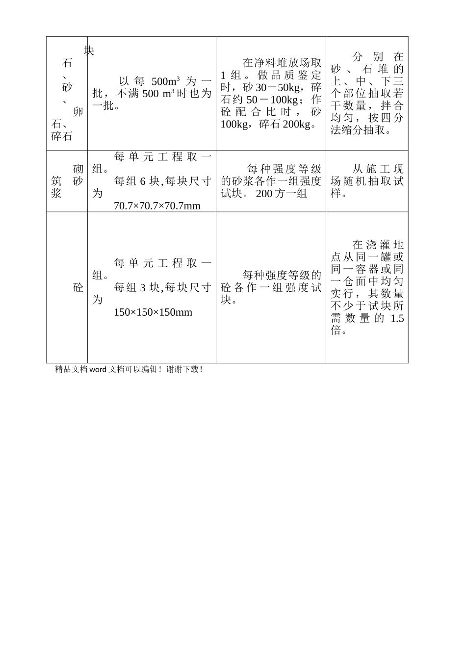
关于水利水电工程原材料及中间产品取样检测的说明水利水电工程所用的原材料、中间产品等严格根据国家及部颁现行标准、规程、法律规范执行。为了保证工程检测质量,根据国务院《建设工程质量管理条例》、水利部《水利工程质量检测管理规定》、《贵州省水利工程质量管理规定》、《贵州省水利工程检测管理办法》、《贵州省水利水电工程见证取样和送检制定的规定》,特作如下说明。1、施工单位根据标准法律规范规定的数量 100%取样。对防洪堤等浆砌石工程每个单元同等级砂浆至少应有一组试块,若砂石料变化大应增加取样数量。2、见证取样数量不得低于法律规范规定数量的 30%。关键部位和主要单元、分部工程的砼试块;砂浆试块;钢材试件;用于关键部位和主要单元工程的水泥掺和料及外加剂等材料,必须实施见证取样和送检。3、根据工程实际情况,监督检测数量视需要而定。4、《常用建筑材料试验取样规定表》见后。5、见证取样编号说明:砼:JH—砂浆:JS— 水泥:JW— 钢筋:JG—砂料:JSa— 碎石:JSt—6、样品送具有国家检测认证标志(CMA)的检测单位进行检测试验。(另外对土质堤防,分左、右岸,3 处/1km 的施工过程中挖试坑检查干容重是否满足设计要求是必须要做的。1 立方米大小的坑。由监理、施工、建设现场代表做留记录就行了)常用建筑材料试验取样规定表材料名称取样单位取样数量取样方法水泥同品种、同等级的水泥 200t,或<200t 为一批混合均匀后取二分 之 一 ( 约 10 -12kg)送检,另一半封存。从 不 同 部 位的至少 20袋或 20 处水泥中抽取。钢材同 型 号 以 60t 为 一批,不足 60t 者也为一批不同型号者500mm 长 4 根任意抽取 3根切弃去端头500mm 后 再 取样。块石、砂、卵石、碎石以 每 500m3 为 一批,不满 500 m3 时也为一批。在净料堆放场取1 组 。 做 品 质 鉴 定时,砂 30-50kg,碎石约 50-100kg;作砼 配 合 比 时 , 砂100kg,碎石 200kg。分别在砂 、 石 堆 的上、中、下三个部位抽取若干数量,拌合均匀,按四分法缩分抽取。砌筑砂浆每 单 元 工 程 取 一组。每组 6 块,每块尺寸为70.7×70.7×70.7mm每 种 强 度 等 级的砂浆各作一组强度 试块。 200 方一组从 施 工 现场随机抽取试样。砼每 单 元 工 程 取 一组。每组 3 块,每块尺寸为150×150×150mm每种强度等级的砼 各 作 一 组 强 度 试块。在 浇 灌 地点从同一罐或同一容器或同一仓面中均匀实行,其数量不少于试块所需 数 量 的 1.5倍。精品文档 word 文档可以编辑!谢谢下载!

1、当您付费下载文档后,您只拥有了使用权限,并不意味着购买了版权,文档只能用于自身使用,不得用于其他商业用途(如 [转卖]进行直接盈利或[编辑后售卖]进行间接盈利)。
2、本站所有内容均由合作方或网友上传,本站不对文档的完整性、权威性及其观点立场正确性做任何保证或承诺!文档内容仅供研究参考,付费前请自行鉴别。
3、如文档内容存在违规,或者侵犯商业秘密、侵犯著作权等,请点击“违规举报”。

碎片内容

水利工程原材料及中间产品取样检测的说明

您可能关注的文档

MY shop+ 关注
实名认证
内容提供者

欢迎挑选适合自己的材料。

确认删除?
VIP
微信客服
  • 扫码咨询
会员Q群
  • 会员专属群点击这里加入QQ群
客服邮箱
回到顶部