电脑桌面
添加小米粒文库到电脑桌面
安装后可以在桌面快捷访问

01-07清凉山隧道进口二次衬砌二级技术交底

01-07清凉山隧道进口二次衬砌二级技术交底_第1页
1/29
01-07清凉山隧道进口二次衬砌二级技术交底_第2页
2/29
01-07清凉山隧道进口二次衬砌二级技术交底_第3页
3/29
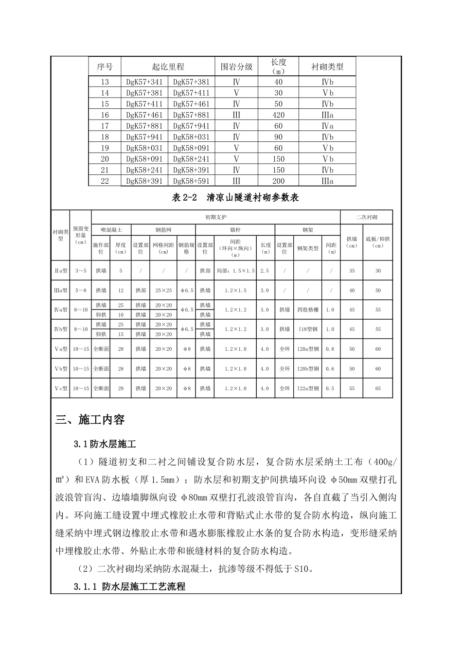
01-07 清凉山隧道进口二次衬砌二级技术交底施工单位:中交二航局西成客专项目部 合同号:XCZQ-02监理单位:西安铁一院工程监理咨询有限责任公司 编 号:XCZQ2-QLSSD-Ⅱ-01-07单位工程清凉山隧道分部工程衬砌施工内容防水层、施工缝、变形缝、模板、钢筋、混凝土、回填注浆交底依据:⑴《高速铁路隧道工程施工质量验收标准》(TB10753-2025)⑵《高速铁路隧道工程施工技术指南》(铁建设[2025]241 号)⑶《清凉山隧道设计图》(西成客专施遂 01)⑷《双线隧道复合式衬砌图》(西成客专施隧参 101)⑸《辅助施工措施及施工方法设计图》(西成客专施隧参 102)⑹《清凉山隧道实施性施工组织设计》⑺《中交二航局西成客专项目部隧道施工作业指导书》一、 工程概况清凉山隧道位于秦岭北麓低中山区陕西省户县境内,进口位于户县环山公路旁方家东侧约 1Km 处,出口位于纸坊十岔沟内,隧道进口 5278.289m 位于 R-8004.6m 的曲线上,纵坡为 25‰的单面上坡。隧道设计为双线隧道,隧道轨面以上有效净空面积为 92㎡,隧道内线间距为 4.6m,隧道衬砌内轮廓采纳半径为 6.41 米的单心圆,内轮廓宽 12.82m,高 8.68m。按防灾要求设置双侧救援通道,救援通道宽 1.5m,高2.2m,其外侧距线路中线 2.4m,救援通道底面高出内轨顶面 30cm。铁路设计为客运专线时速 250km/h,采纳电力牵引,轨道采纳双块式无砟轨道。隧道进口施工正线起讫里程为 DgK56+156-DgK58+591,施工长度 2435m,其中Ⅲ级围岩 1280 米,Ⅳ级围岩 710 米,Ⅴ级围岩 445 米。隧道进口采纳斜切式洞门,进口进洞采纳长管棚进洞,长管棚长 30m。清凉山隧道进口采纳Ⅱ级机械化配套,采纳管棚钻机施作超前支护,利用风动凿岩机配合开挖台架钻孔,非电毫秒雷管光面爆破;无轨运输,侧翻式装载机配合自卸汽车出碴;砼罐车输送,自行式仰拱栈桥浇注仰拱,模板台车泵送浇注衬砌;轴流风机及射流风机混合式通风。施工将超前地质预报和监控量测纳入工序治理,施工过程中加大监控量测,仰拱超前、二次衬砌紧跟,以保证施工安全。浅埋及浅埋偏压地段除加大洞内监控外,同时加大地表监测,施工时遵循“管超前、严注浆、短开挖、强支护、快封闭、勤测量”的原则,注意对监控量测的数据进行分析、整理,发觉专门情形及时反馈以便尽早提出处理方案。隧道施工方法和要紧设备配套表见表 1-1。表 1-1 隧道施工方法和要紧设备配套表项目围岩级不开挖方法运输方式要紧钻爆设备要紧装运...

1、当您付费下载文档后,您只拥有了使用权限,并不意味着购买了版权,文档只能用于自身使用,不得用于其他商业用途(如 [转卖]进行直接盈利或[编辑后售卖]进行间接盈利)。
2、本站所有内容均由合作方或网友上传,本站不对文档的完整性、权威性及其观点立场正确性做任何保证或承诺!文档内容仅供研究参考,付费前请自行鉴别。
3、如文档内容存在违规,或者侵犯商业秘密、侵犯著作权等,请点击“违规举报”。

碎片内容

01-07清凉山隧道进口二次衬砌二级技术交底

一二三四传媒+ 关注
实名认证
内容提供者

大量资料供您选择,没有合适的可以联系小二。

相关文档

确认删除?
VIP
微信客服
  • 扫码咨询
会员Q群
  • 会员专属群点击这里加入QQ群
客服邮箱
回到顶部