UML 图学习 序列图(顺序图)和协作图 分类: UML 2012-11-30 16:42 2528 人阅读 评论(19) 收藏 举报 在面向对象动态建模,用...
(2012•揭阳)如图所示,乒乓球漂浮在水面上,请画出乒乓球受力的示意图. 答案: (2012•揭阳)如图所示,一束光射向凸透镜经折射后射...
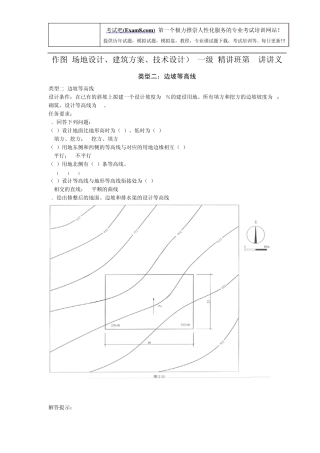
一级注册建筑师考试历年真题整理之技术作图科目---------构造 1 一注演武堂收集整理 q q 群号: 9 6 0 6 1 4 2 3 资料整理:...
一级注册建筑师考试历年真题整理之技术作图科目‐‐‐‐‐‐‐‐‐剖面 一注演武堂收集整理 qq 群号: 96061423 1 资料整理:一注演...
场地设计(作图) 一、作图题1.任务书 设计条件 1.某地块拟建4层(局部可做3层)的商场,层高4m,小区用地尺寸如图所示。 2.西侧高层...
九年级物理电路连接作图专题 一、解答题(共 24 小题,满分 0 分) 1.根据如图所示实物连线图画出电路图. 2.根据如图所示实物连...
第1 页,共19 页 《通电螺线管磁场作图》 一、作图题 1. 如图所示,开关S闭合,发现弹簧缩短,小磁针旋转到如图中所示位置静止,请在...
第1 页,共16 页 《家庭电路作图》 一、作图题 1. 在图中请用笔画线代替导线,将图中的电灯、开关和配有保险丝的插座接入家庭电路中...
1 中考物理专题训练---电学作图题分析 电学作图题主要涉及以下几种类型:(1)根据电路图将实物图补充完整;(2)根据电路图连接实物图;...
1 中考尺规作图专题复习(含答案) 尺规作图定义: 用无刻度的直尺和圆规画图,中考中常见画的图是线段的垂线,垂直平分线,角平分线、...
1 五、典型题型 1 . 已知线段a、b,画一条线段,使其等于ba 2. 分析 所要画的线段等于ba 2,实质上就是 bba. 画法:1...
Sigmaplot作图实例 1 rlxjht 2013/8/5 HHU
光 的 直 线 传 输一、如图1 所示,画出点光源S 照在不透明物体AB 上在光屏MN 上出现的影子;二、如图2 所示,画出井底青蛙在井...
3.4 简朴的旋转作图习题精选一1.如图,把 绕 O 点逆时针旋转 120°、240°,试一试画出的图形是如何的图形.2.如图,画出长方形 AB...
1. 打开origin, 新建一个workbook。 2. 导入数据(默认保存的格式即可) 3. 给 longname 命名编号(和 excel 表格一样,可以输入...
考试吧(Exam8.com)-第一个极力推崇人性化服务的专业考试培训网站! 提供历年试题,模拟试题,模拟盘,教程,专业课试题下载,考试培训等。...
第一章 静力学基础 1-1 画出下列各图中物体A,构件AB,BC 或ABC 的受力图,未标重力的物体的重量不计,所有接触处均为光滑接触。 (a...
第七课 尺规作图 学习活动单 小组 姓名 一、 知识回顾: 1.由若干条_______的线段,_______相连组成的______平面图形叫多边形。 2...
凸轮机构习题作图题
减速器装配工作图的绘制 装配工作图是反映各个零件的相互关系、结构形状以及尺寸的图纸,也是机器组装、调试、维护和绘制零件工作图的依据...

