题目DocumentTitle验证管理制度ValidationManagementSystem编码DocumentNo.AJS-GB-YZ-001版本号Version00制订人Preparedby审核人Reviewedby...
WORD 格式整理版洁净服清洁验证方案方案编号:SMP-YZ-00-4-06制定人:审核人:批准人:专业学习参考资料日期:日期:日期:WORD 格式整理...
******药业有限公司验证文件******药业有限公司冷 库 ( 一 )验证报告二 0 一六年技术支持单位:******科技有限公司******药业有限...
工艺装备验证记录公司名称名称工装模具工序名称孑 L 定位工装编号工装名称孔定位模使用单位金工车间使用设备台钻、冲床使用范围皮带机主...
题目:冷库温度分布验证方案编号:06TS503-08.01起草人:日期:颁发部门:会签:日期:分发部门:实施日期:批准人:日期:北京四环生物制药...
编号:鱼腥草注射液工艺验证方案版本: 0 制 定 人:制定日期:审 核 人:审核日期:批 准 人:批准日期:鱼腥草注射液生产工艺验...
验证生长素的极性运输一、教学设计思想通过前面的学习,学生已知道植物生长素的发现过程,因而这次实验,是让学生体验发现生长素的过程和方...
验证的组织机构及其职责文件编号: POS08-07002 新订:口替代:颁发部门:② - 品质部文本状态:受控分发部门:① - 资料室口;② -...
* * * * 制药 厂管 理 标 准 ----验 证 管 理文 件 名 称验 证 管 理 制 度编码SMP-VT-001-00页数2-1实 施 日 期制...
第 1 页共 18 页危险废物鉴别标准浸出毒性鉴别固体废物金属元素的测定火焰原子吸收光谱法一、 方法来源《危险废物鉴别标准浸出毒性鉴...
. . . . 纸塑包装单包装确认方案版次: A/0 版受控状态:文件会签部门 / 姓名 / 日期部门 / 姓名 / 日期部门 / 姓名 / ...
文件名称:验证和校准管理制度文件编码: 1106· 001-00 起草:日期:审核:日期:批准:日期:生效日期:文件种类:管理标准分发部门总...
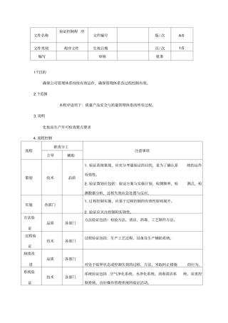
文件名称验证控制程 序文件编号版/ 次A/0文件类别程序文件生效日期页/ 次1/5编写审核批准1?目的确保公司管理体系持续有效运作,确保管理...
验证主计划VALIDATION MASTER PLAN 项目编号 Project Number ---------- System By 2 / 23 验证主计划批准主计划起草签名日期...
编号儿童姓名性别出 生日 期家长联系电话是 否有 接种证是 否全 接种卡介苗乙肝疫苗脊灰疫苗百白破疫苗白破疫苗含 麻 疹成 分 疫...
11验证方案目录1引言SE37A-10/D 螺杆式空压机系统验证概述验证目的:评价压缩空气是否达到洁净要求。范围:洁净车间各用气点。验证周期及...
分发号:冻干粉针 xx 车间KSZ920/100B隧道式灭菌干燥机再验证方案方 案 号:验证地点:xxxxxxxxxxxx 公司再验证方案的审批:方案起草...
隧道烘箱温度验证方案设备名称:隧道烘箱规格型号: HQL3360 生产厂家:使用厂家:有限公司安装位置:灭菌物品: 7ml、10ml、25ml 管制...
验证方案审批表编号:部门起草人日期:年月日审批人所在部门签字审核意见日期批准人日期年月日批准意见执行日期年月日目录1引言1.1 验证小...
下载后可任意编辑方法验证报告要求方法验证报告方法名称: 方法来源: 分析项目: 验证实验室: 一、实验室基本情况 表 1-1 参加验...

