电脑桌面
添加小米粒文库到电脑桌面
安装后可以在桌面快捷访问

复化辛普森公式应用VIP免费

复化辛普森公式应用_第1页
1/9
复化辛普森公式应用_第2页
2/9
复化辛普森公式应用_第3页
3/9
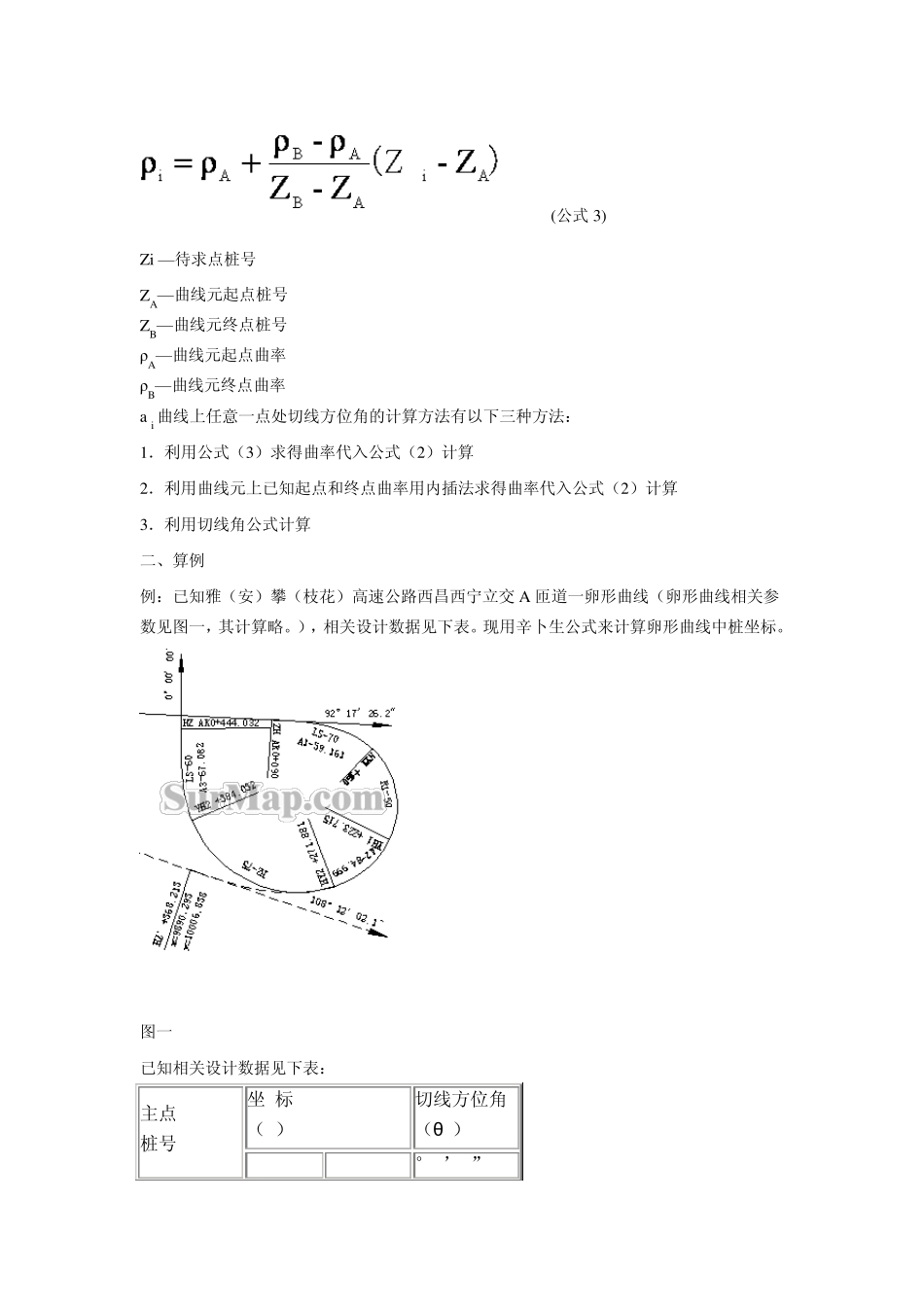
在公路中线坐标计算中,我们通常采用切线支距公式来计算曲线上各点的坐标。但当在不同的曲线上计算时就需用不同的计算公式,这为计算也带来不便。在设有缓和曲线的圆曲线半径较小或是卵形曲线上的坐标计算时,如公式选用不当就会出现较大计算误差,即便是能对切线支距公式进行多项展开,也会增加计算的难度。而用复化辛卜生公式不仅能解决不同曲线线型或直线上的坐标计算问题,而且用复化辛卜生公式计算完全是可逆的(即:可顺前进方向也可逆向计算),尤其在计算第二缓和曲线和卵形曲线时显得尤为方便。 用辛卜生公式计算坐标的精度可由人为或程序自行判断,其计算结果完全能保证坐标计算的精度要求。因此,可以说复化辛卜生公式是一个计算公路中线坐标的万能公式。下面本人就该公式在公路中线坐标计算中的具体应用进行实例解析。 一、复化辛卜生公式 式中: H=(Zi-ZA)/n (公式 2) (公式3) Zi —待求点桩号 ZA—曲线元起点桩号 ZB—曲线元终点桩号 ρA—曲线元起点曲率 ρB—曲线元终点曲率 a i曲线上任意一点处切线方位角的计算方法有以下三种方法: 1.利用公式(3)求得曲率代入公式(2)计算 2.利用曲线元上已知起点和终点曲率用内插法求得曲率代入公式(2)计算 3.利用切线角公式计算 二、算例 例:已知雅(安)攀(枝花)高速公路西昌西宁立交A 匝道一卵形曲线(卵形曲线相关参数见图一,其计算略。),相关设计数据见下表。现用辛卜生公式来计算卵形曲线中桩坐标。 图一 已知相关设计数据见下表: 主点 桩号 坐 标 (m) 切线方位角 (θ ) X Y ° ’ ” ZH AK0+090 9987.403 10059.378 92 17 26.2 HY1 AK0+160 9968.981 10125.341 132 23 51.6 YH1 AK0+223.715 9910.603 10136.791 205 24 33.6 HY2 AK0+271.881 9880.438 10100.904 251 24 18.5 YH2 AK0+384.032 9922.316 10007.909 337 04 54.2 HZ AK0+444.032 9981.363 10000.000 0 00 00 (一)由+271.881 推算Zi=+223.715 的坐标,n 取2 等分 用公式(3)、公式(2)计算+247.798 处曲线及方位角: ρ+247.798=1÷75+(1÷50-1÷75)(247.798-271.881) ÷(223.715-271.881) =0.01666666666666667 a+247.798=71°24’18.5” +(0.016666667+1÷75)(247.798-271.881)×180÷π÷2 =50°42’26.37” 其它各点依次代入公式计算,结果见下表: 曲率及切线方位角计算表 桩号 n等分点处曲线...

1、当您付费下载文档后,您只拥有了使用权限,并不意味着购买了版权,文档只能用于自身使用,不得用于其他商业用途(如 [转卖]进行直接盈利或[编辑后售卖]进行间接盈利)。
2、本站所有内容均由合作方或网友上传,本站不对文档的完整性、权威性及其观点立场正确性做任何保证或承诺!文档内容仅供研究参考,付费前请自行鉴别。
3、如文档内容存在违规,或者侵犯商业秘密、侵犯著作权等,请点击“违规举报”。

碎片内容

复化辛普森公式应用

您可能关注的文档

小辰3+ 关注
实名认证
内容提供者

出售各种资料和文档

相关文档

确认删除?
VIP
微信客服
  • 扫码咨询
会员Q群
  • 会员专属群点击这里加入QQ群
客服邮箱
回到顶部