电脑桌面
添加小米粒文库到电脑桌面
安装后可以在桌面快捷访问

管道系统压力试验记录

管道系统压力试验记录_第1页
1/9
管道系统压力试验记录_第2页
2/9
管道系统压力试验记录_第3页
3/9
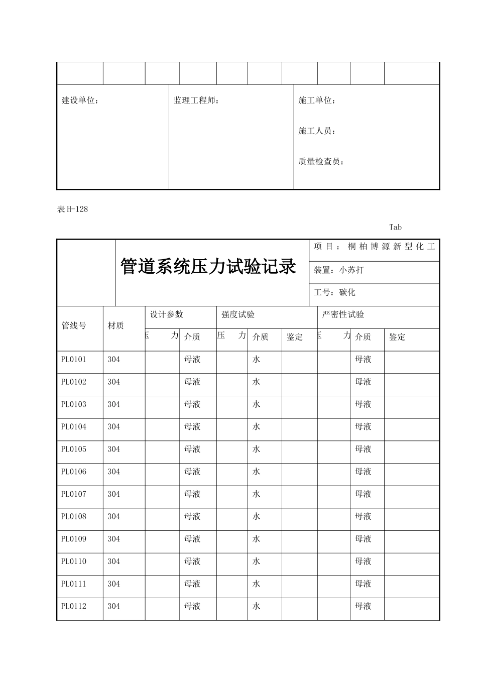
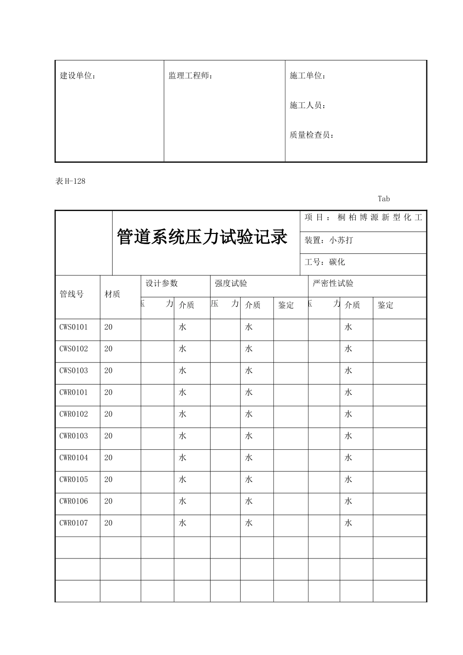
表 H-128 Tab管道系统压力试验记录项 目 : 桐 柏 博 源 新 型 化 工150kt/a 小苏打项目装置:小苏打工号:碳化管线号材质设计参数强度试验严密性试验压力(MPa)介质压力(MPa)介质鉴定压力(MPa)介质鉴定PG0101304CO2水CO2PG0102304CO2水CO2PG0103304CO2水CO2建设单位:监理工程师:施工单位:施工人员:质量检查员:表 H-128 Tab管道系统压力试验记录项 目 : 桐 柏 博 源 新 型 化 工150kt/a 小苏打项目装置:小苏打工号:碳化管线号材质设计参数强度试验严密性试验压力(MPa)介质压力(MPa)介质鉴定压力(MPa)介质鉴定CWS010120水水水CWS010220水水水CWS010320水水水CWR010120水水水CWR010220水水水CWR010320水水水CWR010420水水水CWR010520水水水CWR010620水水水CWR010720水水水建设单位:监理工程师:施工单位:施工人员:质量检查员:表 H-128 Tab管道系统压力试验记录项 目 : 桐 柏 博 源 新 型 化 工150kt/a 小苏打项目装置:小苏打工号:碳化管线号材质设计参数强度试验严密性试验压力(MPa)介质压力(MPa)介质鉴定压力(MPa)介质鉴定PL0101304母液水母液PL0102304母液水母液PL0103304母液水母液PL0104304母液水母液PL0105304母液水母液PL0106304母液水母液PL0107304母液水母液PL0108304母液水母液PL0109304母液水母液PL0110304母液水母液PL0111304母液水母液PL0112304母液水母液建设单位:监理工程师:施工单位:施工人员:质量检查员:表 H-128 Tab管道系统压力试验记录项 目 : 桐 柏 博 源 新 型 化 工150kt/a 小苏打项目装置:小苏打工号:碳化管线号材质设计参数强度试验严密性试验压力(MPa)介质压力(MPa)介质鉴定压力(MPa)介质鉴定PW010120水水水PW010220水水水PW010320水水水PW010420水水水PW010520水水水PW010620水水水PW010720水水水PW010820水水水PW010920水水水建设单位:监理工程师:施工单位:施工人员:质量检查员:表 H-128 Tab管道系统压力试验记录项 目 : 桐 柏 博 源 新 型 化 工150kt/a 小苏打项目装置:小苏打工号:碳化管线号材质设计参数强度试验严密性试验压力(MPa)介质压力(MPa)介质鉴定压力(MPa)介质鉴定LS010120蒸汽水蒸汽LS010220蒸汽水蒸汽LS010320蒸汽水蒸汽建设单位:监理工程师:施工单位:施工人员:质量检查员:表 H-128 Tab管道系统压力试验记录项 目 : 桐 柏 博 源 新 型 化 工150kt/a 小...

1、当您付费下载文档后,您只拥有了使用权限,并不意味着购买了版权,文档只能用于自身使用,不得用于其他商业用途(如 [转卖]进行直接盈利或[编辑后售卖]进行间接盈利)。
2、本站所有内容均由合作方或网友上传,本站不对文档的完整性、权威性及其观点立场正确性做任何保证或承诺!文档内容仅供研究参考,付费前请自行鉴别。
3、如文档内容存在违规,或者侵犯商业秘密、侵犯著作权等,请点击“违规举报”。

碎片内容

管道系统压力试验记录

您可能关注的文档

确认删除?
VIP
微信客服
  • 扫码咨询
会员Q群
  • 会员专属群点击这里加入QQ群
客服邮箱
回到顶部