电脑桌面
添加小米粒文库到电脑桌面
安装后可以在桌面快捷访问

市政道路工程监理规划范本

市政道路工程监理规划范本_第1页
1/37
市政道路工程监理规划范本_第2页
2/37
市政道路工程监理规划范本_第3页
3/37
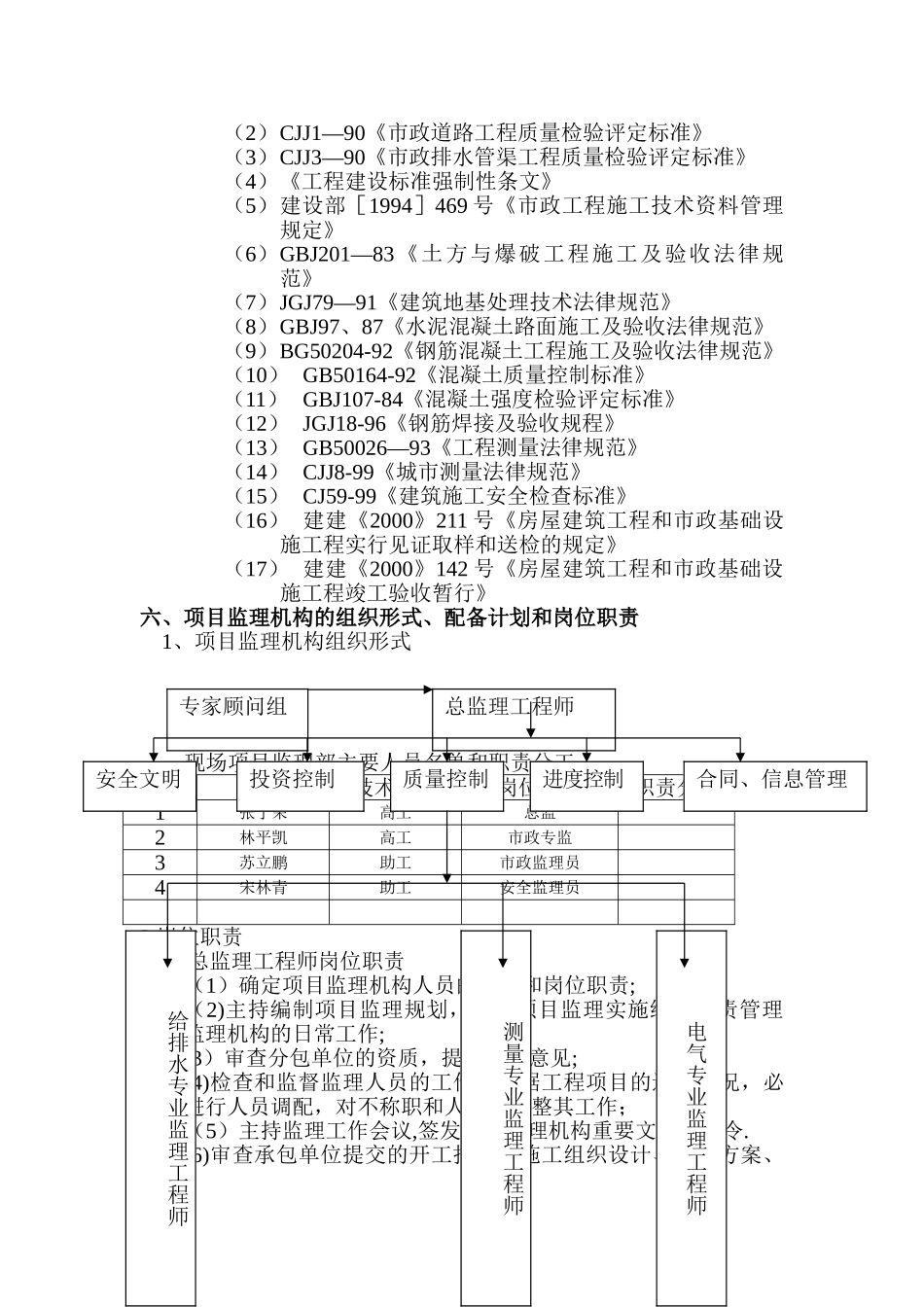
霞浦县牛濑路(六一七路 ~龙泉路) 道路工程监理规划 编 制 :总监理工程师批 准 :技术负责人福建工大工程咨询监理有限公司2016 年 8 月 23 日目 录一、工程概况二、监理工作范围三、监理工作内容四、监理工作目标五、监理工作依据六、项目监理机构组织形式、人员配备和岗位职责七、监理工作程序八、监理工作方法及措施九、监理工作制度十、监理设施一、工程概况:1、工程名称:霞浦县牛濑路(六一七路~龙泉路)道路工程2、建设地点:本工程位于霞浦县松港组团,北接龙泉路,南至六一七路3、建设单位:霞浦县城市建设投资有限公司4、设计单位:中国华西工程设计建设有限公司5、监理单位:福建工大工程咨询监理有限公司6、施工单位:福建省长远园林建设有限公司7、工程主要内容:本道路工程红线宽度为 24m,道路全长 569。627m,设计速度 30Km/h,为城市次干路。道路横断面布置为 4。5m(路侧带)+7。5m(行车道) 7。5m(行车道) +4。5m(路侧带)=24m。道路工程:机动车道结构层面层为抗弯拉强度为 5MPa22CM 厚混凝土,基层为 20CM 厚 5%水泥稳定碎石层,底基层为 2CM 厚级配碎石层;人行道面层为 6CM 透水砖,3CM 厚干硬性水泥砂浆,15CM 厚 C15 透水混凝土,10CM 厚级配碎石层。二、监理工作范围监理工作范围是施工阶段及保修阶段的监理.三、监理工作内容 1、熟悉合同文件和设计文件,了解施工现场情况.2、编制监理规划和监理细则。3、参加交桩和设计技术交底会议及施工图纸会审会。4、主持召开第一次施工场地会议和常规施工场地例会。5、督促承包人建立健全质量保证体系.6、发布开复工令,批准单项工程开工报告.7、审批承包人报送的施工组织设计和施工方案。8、审批承包人提交的总体进度计划,并常常检查和督促承包人实施工程进度计划.9、审查承包人进场的用于本工程的施工机械设备的规格、性能和数量是否满足施工需要。10、审查承包人进场用于本工程的原材料是否达到设计要求。11、监督承包商根据合同文件、技术法律规范和监理程序进行施工,严格控制工程质量,未经签认不得进入下道工序施工.12、组织工程中间验收,并签发中间验收证书。13、主持工程质量事故调查,参加质量事故处理。14、对已完成的合格工程进行计量,签发中期支付凭证。15、处理工程设计变更事宜。16、根据合同规定处理违约事件,协调合同争端.17、编制监理月报和监理方面的竣工文件。18、对承包人的交工申请进行评估,组织对拟交工工程的检查和验收,...

1、当您付费下载文档后,您只拥有了使用权限,并不意味着购买了版权,文档只能用于自身使用,不得用于其他商业用途(如 [转卖]进行直接盈利或[编辑后售卖]进行间接盈利)。
2、本站所有内容均由合作方或网友上传,本站不对文档的完整性、权威性及其观点立场正确性做任何保证或承诺!文档内容仅供研究参考,付费前请自行鉴别。
3、如文档内容存在违规,或者侵犯商业秘密、侵犯著作权等,请点击“违规举报”。

碎片内容

市政道路工程监理规划范本

确认删除?
VIP
微信客服
  • 扫码咨询
会员Q群
  • 会员专属群点击这里加入QQ群
客服邮箱
回到顶部