电脑桌面
添加小米粒文库到电脑桌面
安装后可以在桌面快捷访问

常用圆锥滚子轴承

常用圆锥滚子轴承_第1页
1/12
常用圆锥滚子轴承_第2页
2/12
常用圆锥滚子轴承_第3页
3/12
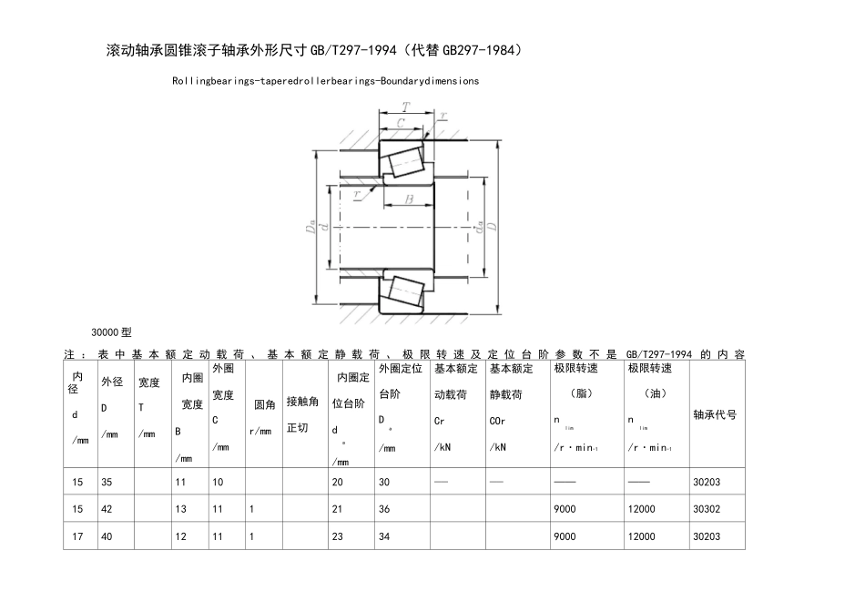
滚动轴承圆锥滚子轴承外形尺寸 GB/T297-1994(代替 GB297-1984)Rollingbearings-taperedrollerbearings-Boundarydimensions30000 型注 : 表 中 基 本 额 定 动 载 荷 、 基 本 额 定 静 载 荷 、 极 限 转 速 及 定 位 台 阶 参 数 不 是GB/T297-1994 的 内 容内径d/mm外径D/mm宽度T/mm内圈宽度B/mm外圈宽度C/mm圆角r/mm接触角正切内圈定位台阶da/mm外圈定位台阶Da/mm基本额定动载荷Cr/kN基本额定静载荷COr/kN极限转速(脂)nlim/r・min-1极限转速(油)nlim/r・min-1轴承代号153511102030————————302031542131112136900012000303021740121112334900012000302031740161412334———————32203174714121234185001100030303174719161234185001100032303203712129950013000329042042151512253725850011000320042047141212641800010000302042047181512641————————32204内圈外圈内圈定外圈定位基本额定基本额定极限转速极限转速内径外径宽度圆角宽度宽度接触角位台阶台阶动载荷静载荷(脂)(油)dDTr轴承代号BC正切dDCrC0rnnaalimlim/mm/mm/mm/mm/mm/mm/mm/mm/kN/kN/r・min-1/r・min-120521513294333750095003030420522118294375009500323042240121291520850011000329/2222441515273926800010000320/222542121291621630010000329052547151530422834750095003200525471717143042750095003300525521513131463770009000302052552181613146————————32205255222221813146477000900033205256217153453486300800030305256217133453466300800031305256224203453630080003230528451212975009500329/2828521616121344667008500320/282858242419134525863008000332/283047121291770009000329063055171614136496300800032006X23055171713136496300800032006305520201613649630080003300630621614136566000750030206306220171365660007500322063062252513656600075003320630721916396359635600700030306307219143963560070003130630722723396356007000323063252141410374763008000329/32内径d/mm外径D/mm宽度T/mm内圈宽度B/mm外圈宽度C/mm圆角r/mm接触角正切内圈定位台阶da/mm外圈定位台阶Da/mm基本额定动载荷Cr/kN基本额定静载荷C0r/kN极限转速(脂)nlim/r・min-1极限转速(油)nlim/r・min-1轴承代号32581717131385260007500320/323265171513859————————302/32326526261385956007000...

1、当您付费下载文档后,您只拥有了使用权限,并不意味着购买了版权,文档只能用于自身使用,不得用于其他商业用途(如 [转卖]进行直接盈利或[编辑后售卖]进行间接盈利)。
2、本站所有内容均由合作方或网友上传,本站不对文档的完整性、权威性及其观点立场正确性做任何保证或承诺!文档内容仅供研究参考,付费前请自行鉴别。
3、如文档内容存在违规,或者侵犯商业秘密、侵犯著作权等,请点击“违规举报”。

碎片内容

常用圆锥滚子轴承

您可能关注的文档

确认删除?
VIP
微信客服
  • 扫码咨询
会员Q群
  • 会员专属群点击这里加入QQ群
客服邮箱
回到顶部