电脑桌面
添加小米粒文库到电脑桌面
安装后可以在桌面快捷访问

基土、灰土垫层、砂垫层和砂石垫层、碎石和碎石和碎砖垫层分项工程检验批质量验收记录VIP免费

基土、灰土垫层、砂垫层和砂石垫层、碎石和碎石和碎砖垫层分项工程检验批质量验收记录_第1页
1/1
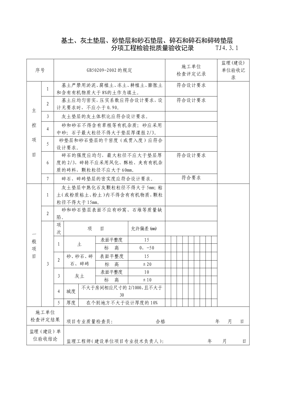
基土、灰土垫层、砂垫层和砂石垫层、碎石和碎石和碎砖垫层分项工程检验批质量验收记录TJ4.3.1序号GB50209-2002的规定施工单位检查评定记录监理(建设)单位验收记录主控项目1基土严禁用淤泥、腐植土、冻土、耕植土、膨胀土和含有有机物质大于8%的土作为填土。符合设计要求2基土应均匀密实,压实系数应符合设计要求,设计无要求时,不应小于0.90。符合设计要求3灰土垫层的灰土体积比应符合设计要求。4砂和砂石不得含有草根等有机杂质;砂应采用中砂;石子最大粒径不得大于垫层厚谍报2/3。5砂垫层和砂石垫层的干密度(或贯入度)应符合设计要求。6碎石的强度应均匀,最大粒径不应大于垫层厚度的2/3,碎转不应采用风化、酥松、夹有有机杂质的砖料,颗粒粒径不应大于60mm。符合设计要求7碎石、碎砖垫层的密实度应符合设计要求。符合要求一般项目1灰土垫层中熟化石灰颗粒粒径不得大于5mm;粘土(或粉质粘土、粉土)内不得含有有机物质,颗粒粒径不得大于15mm。2砂和砂石垫层表面不应有砂窝、石堆等质量缺陷。3项次项目允许偏差(mm)1土表面平整度15标高0,-502砂、砂石、碎石、碎砖表面平整度15标高±203灰土表面平整度10标高±104城度不大于房间相应尺寸的2/1000,且不大于305厚度在个别地方不大于设计厚度的10%施工单位检查评定结果项目专业质量检查员:合格年月日监理(建设)单位验收结论监理工程师(建设单位项目专业技术负责人):年月日

1、当您付费下载文档后,您只拥有了使用权限,并不意味着购买了版权,文档只能用于自身使用,不得用于其他商业用途(如 [转卖]进行直接盈利或[编辑后售卖]进行间接盈利)。
2、本站所有内容均由合作方或网友上传,本站不对文档的完整性、权威性及其观点立场正确性做任何保证或承诺!文档内容仅供研究参考,付费前请自行鉴别。
3、如文档内容存在违规,或者侵犯商业秘密、侵犯著作权等,请点击“违规举报”。

碎片内容

基土、灰土垫层、砂垫层和砂石垫层、碎石和碎石和碎砖垫层分项工程检验批质量验收记录

您可能关注的文档

确认删除?
VIP
微信客服
  • 扫码咨询
会员Q群
  • 会员专属群点击这里加入QQ群
客服邮箱
回到顶部