mlbabaA aba线面平行与面面平行专题复习【知识梳理】线线平行线面平行面面平行题型一线面平行的判定与性质1、,,//labal已知:平面平面,求...
DCABB1A1C11.下列条件中 , 能判断两个平面平行的是 ( ) A.一个平面内的一条直线平行于另一个平面; B.一个平面内的两条直线平行于...
. . 线线平行、线面平行、面面平行部分的练习题1.如图 2-3-3 所示 ,已知 α ∩β =CD, α ∩γ =EF,β ∩γ =AB,AB∥α .求...
DCABB1A1C1直线、平面平行的判定及其性质测试题A 一、选择题1.下列条件中 ,能判断两个平面平行的是( ) A .一个平面内的一条直线平行...
1DCABB1A1C1直线、平面平行的判定及其性质测试题A 一、选择题1.下列条件中 ,能判断两个平面平行的是( ) A .一个平面内的一条直线平...
1 精编平行四边形的性质和判定训练(一)平行四边形的性质1.如图6,在平行四边形ABCD中, DB=DC、, CE BD 于 E,则.2.□ABCD中,...
ABCDPEF立体几何(平行关系的证明)线面平行的证明利用中位线1.在四棱锥ABCDP中,底面 ABCD是正方形,侧棱PD底面 ABCD,DCPD, E是 PC...
立体几何专题――平行1、若直线 l 不平行于平面 a , 且 la , 则 B (A) a 内所有直线与 l 异面 (B) a 内不存在与 l 平行...
1 / 3 空间点线面位置关系及平行判定及性质【知识点梳理】1.平面的基本性质公理1 如果一条直线上的两个点都在一个平面内,那么这条直...
空间中的平行与垂直热点一空间线面位置关系的判定空间线面位置关系判断的常用方法(1)根据空间线面平行、垂直关系的判定定理和性质定理逐项...
1 / 10 §3.2立体几何中的向量方法(一) ——平行与垂直关系的向量证法知识点一求平面的法向量已知平面 α 经过三点 A(1,2,3) ,B(2...
1 / 2word. 空间中的平行关系直线与平面平行的判定定理:平面与平面平行的判定定理:直线与平面平行的性质定理:平面与平面平行的性质定...
空间中的平行关系直线与平面平行的判定定理:平面与平面平行的判定定理:直线与平面平行的性质定理:平面与平面平行的性质定理:1.以下说法...
- 1 - 空间中的平行关系练习题知识点小结平面的基本性质与推论一. 平面的基本性质:1. 连接两点的线中,________最短。 2.过两点有...
专业文档珍贵文档8.4空间中的平行关系1.空间中直线与平面之间的位置关系(1)直线在平面内,则它们__________公共点;(2)直线与平面相交,...
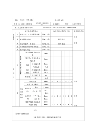
单位(子单位)工程名称南山西苑 3#楼分部(子分部)工程名称主体结构(混凝土结构)验收部位楼层(一、二层)框架柱施工执行标准名称及编...
新希望教育培训学校资料 心在哪儿 新的希望就在哪儿 平面与空间直线和空间中的平行关系 一、重难点: 1平面基本性质的理解与应用;文...
目 录 1 总则......................................................................................................................
平 行 进 口 车 一 、 概 述 衣 食 住 行 , 汽 车 作 为 四 大 传 统 行 业 之 一 , 如 今 随 着 中 国...
1 平行结转分步法案例 班级: 姓名: 学号: 联系电话: 训练时间: 【实训目的】通过平行结转分步法的运用,使学习者体验并掌握其...

