文件会审承认书编 号AMR01品质手册页 次第 1 页共 22 页版 次第 B1 版生效日期: 02.09.05会 审 别: □ 制订 ■修订 □ ...
市生活性服务业品质提升讨论摘要:随着社会经济的快速进展与城市化进程的加快,社区生活性服务业进展作为居民生活中不可或缺的一部分,它直接...
农产品品质与质量安全摘要:农产品质量与安全是以生命科学和农产品科学为基础,讨论农产品的营养、安全与健康的关系、农产品营养的保障和农...
全面提升综合管理品质推行方案一、五全管理简介五全管理是指全面预算管理、全面风险管理、全面质量管理、全员绩效考核、全面市场化运作等,...
全面品质管理概论(TOTAL QUALITY MANAGEMENT)一、前言(一)ISO-9000/2000 中对有关质量名词的定义1. 产品:生产过程的结果。2. 过...
7 檢 驗 檢 驗 之 目 的 ‧ 對 下 一 工 程 ﹙或 顧 客﹚ 保 證 品 質 ‧ 區 別 好 壞 ﹙合 格 、 不 合 ...
光谱分析技术在农产品品质和安全检测中的应用北京普析通用仪器有限责任公司 摘 要:本文较详细地介绍了光谱分析技术在农产品品质检测和农...
制定日期2024-09-15管制印章文件编号文件名称供货商品质管理程序页码2 of 6版本.版次A.0修 订 记 录NO.制/修订日期版次页次修订者修订...
供应商品质系统评分标准供应商品质保证• 1.管理(MANAGEMENT)(共 10 分)• 2.组织/设备(ORGANIZATION/FACILITIES)(每小题2 分...
甲方:_________ 乙方:_________ 为法律规范乙方所提供的企业邮件服务及相关客户服务的品质,使客户能够有效监控乙方的服务,特制定本服...
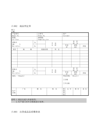
六 D02 成品判定单部门:日期:产品型号Model No.订单号Order No.客户Customer批量:Lot Size抽验数:Sampling size重缺点AQL %Maj...
质量成本管理品 质 管 理 部二〇〇〇年一月1. 目的: 指导公司的质量改进,降低成本,提高效率;衡量质量体系的有效性。2. 使用围...
为规并完善 TRYBA 品质标准的制定、来料检验、制程检验、成品检验与客诉处理;指导TRYBA 品管人员和生产操作人员正确执行自检、互检;使...
品质管理职责1.总则1.1. 制定目的明确本公司所有从事与品质活动有关的各部门与各级人员的工作职责,是实行品质管理与品质保证活动的基础。...
企业与市场成本品质(故事经历) 企业与市场成本品质(0702)1、杜鹃....................................................................
- 制. 改订履历制. 改订编号改订日期改订项目改订容起案者02008.05.01최최최최 最初制订东洙目 次1. 최최최최 适用围2. 최 최 目...
1. 何谓管理干部在企业中从事管理工作的人员,必须运用并发挥所能掌握的一切资源(人、机、材料、经费、场所、时间等)以达成工作的目标。在...
TTQS—訓練品質計分卡訓練機構評核案例分享報告人:勞委會職訓局 TTQS 評核委員李威穎97 年 11 月 4 日主旨:面對全球化競爭及知識...
「6 Sigma」品质管理的讨论(1)■ Francis To 在不少印刷公司取得 ISO 9000 品质保证的同时,在品质保证进展上,近年提出了「6 Sigm...
##物业品质管理部职责一、体系建设1. 负责组织公司质量管理体系的建立、实施、监督管理和持续改进;2. 负责质量管理体系的审与配合进行管...

