大连东 软信息学院学生实验报告课程名称: _电路分析 _________ 专业班级: _微电子 14001 班 _ 姓名: ___刘盛意 _, 殷俊 __...
实验报告课程:电子线路设计与测试专业班级:中兴通信 141 学生姓名:赵亚明学号: 5602214036 2016 年 5 月 10 日目 录一、实验...
实验四分光计的调整及光栅常数的测定分光计作为基本的光学仪器之一,它是精确测定光线偏转角的仪器,也称之为测角仪。光学中很多基本量(如...
实验报告内容与格式实验报告的书写是一项重要的基本技能训练。它不仅是对每次实验的总结,更重要的是它可以初步地培养和训练学生的逻辑归纳...
实验编号: 3 四川师大《 算法设计与分析》 实验报告 2016 年 5 月 1 日计算机科学学院14 级 4 班实验名称:动态规划及其应用...
百度文库- 让每个人平等地提升自我11 《数值分析》实验报告姓名:学号:专业:指导教师:刘 建 生教 授日期: 2015年 12 月 25 ...
实验编号: 6 四川师大《数据结构》 实验报告 2015 年 12 月 28 日计算机科学学院2014 级 4 班实验名称:实验六:图及其应用姓...
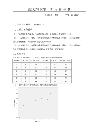
浙江大学城市学院实 验 报 告 纸1 学生姓名: 董媛学号: 31405667 一、实验项目名称: 实验报告(三)二、实验目的和要求(一)...
自动控制原理实验报告控制系统的根轨迹分析实验报告姓名::实验名称:线性定常系统的串联校正一、实验目的1.通过实验,理解所加校正装置...
课程名称数值计算方法实验项目名称常微分方程初值问题的数值解法实验成绩指导老师(签名)日期 2015/12/16 一. 实验目的和要求1. 用 ...
计算机组成原理实验报告——实验一多路选择器的设计与实现专业: 计算机科学与技术(师范)姓名: XXX 学号:指导老师:完成日期:一、...
百度文库- 让每个人平等地提升自我11 实验报告 _实验 2 数据类型与表达式(学生学号 __姓名) 一、实验目的:1、熟悉基本数据类型 (i...
高温超导材料临界转变温度的测定一.实验目的1.通过对氧化物超导材料的临界温度TC两种方法的测定,加深理解超导体的两个基本特性;2.了解...
百度文库- 让每个人平等地提升自我11 实验报告一、实验名称: C2C电子商务上机模拟演练二、实验目的: 1. 熟悉并了解 C2C交易模式的...
四川大学实验报告题目: 果蝇基因组 DNA的提取果蝇基因组 DNA的提取姓名:学号:一、实验目的1. 掌握动物基因组 DNA抽提的操作过程,...
学生实验报告学期: 2015-2016 学年第二学期班级: 2015 级计算机科学与技术学号:姓名:课程编号:课程名称:网页设计与制作填 写 ...
大学物理实验报告实验 3-8 电子示波器的使用一、实验任务1、学会用示波器测量各种波形的电压幅度和周期。2、能够调节出稳定的李萨如图形...
实验报告实验报告 8课程名称核心路由交换技术实验名称交换机生成树解决环路问题姓名学号班级实验目的【实验目的】通过实验掌握交换机生成...
姓名学号院系时间地点【实验题目】发光二极管的伏安特性【实验记录】1.实验仪器仪器名称直流稳定电源电阻箱滑动变阻器安培表伏特表数 字...
四川大学实验报告题目: 植物基因组 DNA的提取与检测一、实验目的1. 了解真核生物基因组DNA提取的一般原理;2. 掌握基因组 DNA提取的...

