电脑桌面
添加小米粒文库到电脑桌面
安装后可以在桌面快捷访问

基于PLC的邮件分拣控制系统设计

基于PLC的邮件分拣控制系统设计_第1页
1/13
基于PLC的邮件分拣控制系统设计_第2页
2/13
基于PLC的邮件分拣控制系统设计_第3页
3/13
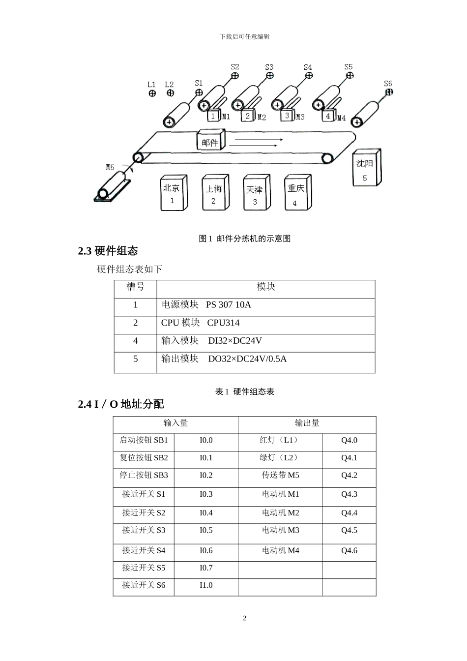
电气控制课程设计专 业: 自动化 班 级: 动 100 1 班 姓 名: 武明强 学 号: 202408 430 指导老师: 张斌 评语:考勤(10)守纪(10)过程(40)设计报告(30)答辩(10)总成绩(100)下载后可任意编辑兰州交通大学自动化与电气工程学院2013 年 07 月 12 日基于 PLC 的邮件分拣控制系统设计1 邮件分拣机设计要求1)当按下启动按钮时,传送带开始运转(即电动机 M5 启动),绿灯 L2 亮,表示可以进邮件。2)接近开关 S1~S6 为邮件检测开关,当接近开关 S1 为闭合状态时表示邮件分拣机检测到有邮件到来。3)输入模拟邮件的邮政编码,分别以 1、2,3、4、5 代表北京、上海、广州重庆、沈阳 5 个城市的邮政编码,即正常的邮政编码值为 1、2、3、4、5。4)检测邮政编码,假如不是这 5 个数,传送带停止运转;假如是这 5 个数中的任意一个,则红灯 L1 亮,绿灯 L2 灭,传送带持续运行。当接近开关 S2 为闭合状态时时,表明邮件到达第一个邮箱处,假如邮件编码与此处编码相同,则传送带停止运转,电动机 M1 启动推动推杆,将此邮件分拣到相应邮箱内,此时,接近开关 S2 变为断开状态,电动机 M1 的推杆自动收回;假如邮件编码不符合,则传送带继续保持运行,当接近开关 S3 为闭合状态时表明邮件到达第二个邮箱出,再次进行比较,若邮政编码相符合,则可由推杆导入第二个邮箱,否则送至下一个邮箱处,继续进行比较检测,依次类推,最终将邮件被分拣到对应的邮箱中。5)在上一步骤的情况下,且邮件编码在识别的范围之内,假如不是前四个邮箱中的邮件,则最终邮件自动进入最后一个邮箱。2 系统硬件设计2.1 任务分析邮件检测开关 S1~S6 采纳接近开关,与启动按钮、复位按钮和停止按钮共同作为 PLC 的输入进行分配 I/O 地址,其中接近开关 S1~S6 在邮件被分拣到邮箱内以后会自动复位。电动机 M1~M4 的邮件分拣推杆在邮件被分拣到邮箱内以后,将会自动弹回原位。邮码设置可以通过外部拨码盘输入来实现,但基于 PLC 的模拟仿真,只能在程序设计部分选用了 MOVE 指令来实现邮件编码的模拟输入,最后通过比较器实现邮件目的地的识别,从而完成分拣任务。根据以上任务分析,该系统有5台电机,2个指示灯,6个接近开关,5个邮箱,3个按钮, 1个传送带装置,共同组成了分拣系统。在本次设计中选用西门子S7-300系列PLC。2.2 硬件示意图1下载后可任意编辑图 1 邮件分拣机的示意图 2...

1、当您付费下载文档后,您只拥有了使用权限,并不意味着购买了版权,文档只能用于自身使用,不得用于其他商业用途(如 [转卖]进行直接盈利或[编辑后售卖]进行间接盈利)。
2、本站所有内容均由合作方或网友上传,本站不对文档的完整性、权威性及其观点立场正确性做任何保证或承诺!文档内容仅供研究参考,付费前请自行鉴别。
3、如文档内容存在违规,或者侵犯商业秘密、侵犯著作权等,请点击“违规举报”。

碎片内容

基于PLC的邮件分拣控制系统设计

确认删除?
VIP
微信客服
  • 扫码咨询
会员Q群
  • 会员专属群点击这里加入QQ群
客服邮箱
回到顶部