电脑桌面
添加小米粒文库到电脑桌面
安装后可以在桌面快捷访问

单相桥式全控整流电路建模与仿真

单相桥式全控整流电路建模与仿真_第1页
1/11
单相桥式全控整流电路建模与仿真_第2页
2/11
单相桥式全控整流电路建模与仿真_第3页
3/11
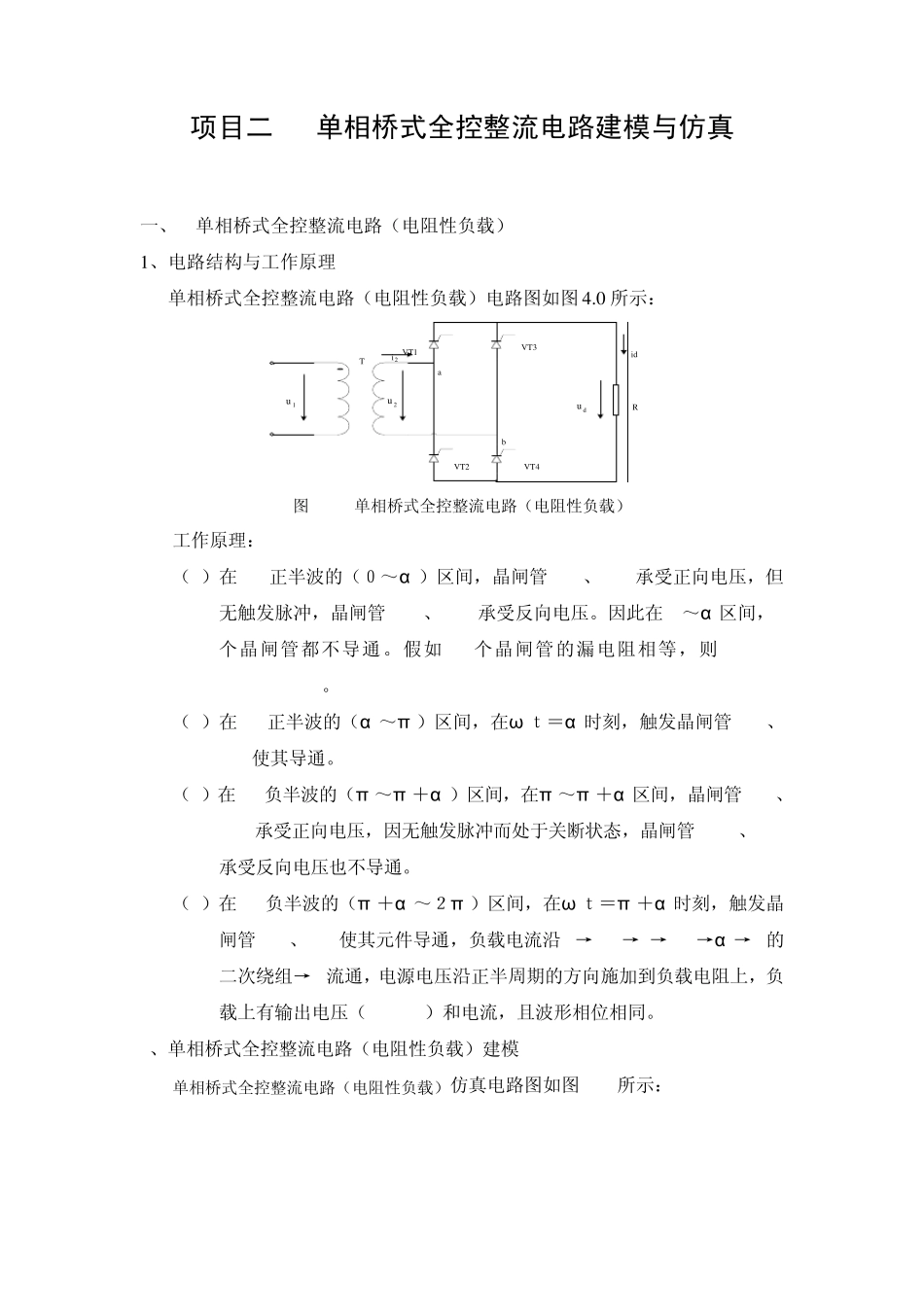
项目二 单相桥式全控整流电路建模与仿真 一、 单相桥式全控整流电路(电阻性负载) 1、电路结构与工作原理 单相桥式全控整流电路(电阻性负载)电路图如图4.0 所示: u 1Tu 2u dRidab VT1VT3VT2VT4i2 图4.0 单相桥式全控整流电路(电阻性负载) 工作原理: (1)在u2正半波的(0~α )区间,晶闸管VT1、VT4承受正向电压,但无触发脉冲,晶闸管VT2、VT3承受反向电压。因此在0~α 区间,4个晶闸管都不导通。假如4个晶闸管的漏电阻相等,则Ut1.4= Ut2.3=1/2u2。 (2)在u2正半波的(α ~π )区间,在ω t=α 时刻,触发晶闸管VT1、VT4使其导通。 (3)在u2负半波的(π ~π +α )区间,在π ~π +α 区间,晶闸管VT2、VT3承受正向电压,因无触发脉冲而处于关断状态,晶闸管VT1、VT4承受反向电压也不导通。 (4)在u2负半波的(π +α ~2π )区间,在ω t=π +α 时刻,触发晶闸管VT2、VT3使其元件导通,负载电流沿b→VT3→R→VT2→α →T的二次绕组→b流通,电源电压沿正半周期的方向施加到负载电阻上,负载上有输出电压(ud=-u2)和电流,且波形相位相同。 2、单相桥式全控整流电路(电阻性负载)建模 单相桥式全控整流电路(电阻性负载)仿真电路图如图4.1所示: 图4.1 单相桥式全控整流电路(电阻性负载)仿真电路图 3、仿真与分析 波形图分别代表晶体管VT 上的电流、晶体管VT 上的电压、电阻加电感上的电压。下列波形分别是延迟角α 为30°、60°、90°、120°时的波形变化。 (1)当延迟角α =30°时,波形图如图4.2 所示: 图4.2 α =30°单相桥式全控整流电路(电阻性负载)波形图 (2)当延迟角α =60°时,波形图如图4.3 所示: 图4.3 α =60°单相桥式全控整流电路(电阻性负载)波形图 (3 )当延迟角α =90°时,波形图如图4 .4 所示: 图4.4 α =90°单相桥式全控整流电路(电阻性负载)波形图 (4 )当延迟角α =120°时,波形图如图4 .5 所示: 图4.5 α =120°单相桥式全控整流电路(电阻性负载)波形图 4、小结 单相桥式全控整流电路(电阻性负载)是典型单相桥式全控整流电路,共用了四个晶闸管,两只晶闸管接成共阳极,两只晶闸管接成共阴极,每一只晶闸管是一个桥臂,桥式整流电路的工作方式特点是整流元件必须成对以构成回路,负载为电阻性。 二、 单相桥式全控整流电路(阻-感性负载) 1.电路结构与工作原理 单相桥式全...

1、当您付费下载文档后,您只拥有了使用权限,并不意味着购买了版权,文档只能用于自身使用,不得用于其他商业用途(如 [转卖]进行直接盈利或[编辑后售卖]进行间接盈利)。
2、本站所有内容均由合作方或网友上传,本站不对文档的完整性、权威性及其观点立场正确性做任何保证或承诺!文档内容仅供研究参考,付费前请自行鉴别。
3、如文档内容存在违规,或者侵犯商业秘密、侵犯著作权等,请点击“违规举报”。

碎片内容

单相桥式全控整流电路建模与仿真

小辰9+ 关注
实名认证
内容提供者

出售各种资料和文档

相关文档

确认删除?
VIP
微信客服
  • 扫码咨询
会员Q群
  • 会员专属群点击这里加入QQ群
客服邮箱
回到顶部