焊 接 工 艺 评 定 报 告 焊接工艺评定编号(PQR05) 预焊接工艺规程编号(PWPS05) 焊接方法 SAW 母 材 钢 号 Q345R 类...
焊接工艺评定方法 Q460 焊接性试验(可以算成是焊接工艺评定),根据化学成分,计算碳当量及冷裂敏感指数等,确定预热温度。制作焊接试样...
钢结构焊接工艺 评 定 方 案 编制: 审核: 批准: X X X X X X 2013 年 3 月 钢结构焊接工艺 评定方案 1. 评定目的...
苏州宝带东路跨运河钢桁梁制造 焊接工艺评定方案(修订) 编制: 复核: 审核: 批准: 中铁九桥工程有限公司 2013年 09月 1 一...
焊接工艺评定指导书 表H-08-01 单位名称: 焊接工艺指导书编号 :HP01-01 日 期:2007.4.1 焊接工艺评定报告编号:HP01 焊接方法...
精品文档 . 焊 接 工 艺 评 定 报 告 评定单位: 无锡林亿机械制造有限公司 评定日期: 2 0 1 5 -0 3 -2 8 精品文档...
焊接工艺评定报告下向焊
焊接工艺评定 焊接工艺评定编号: HP0101 预焊接工艺规程编号: WPS-HP0101 中石化工建设有限公司 焊接工艺评定存档目录 工艺评定编...
报 告 编 号: 工艺指导书编号: 焊 接 工 艺 评 定 报 告 编制: 审核: 批准: 公司名称 年 月 日 公司名称 焊接工...
焊 接 工 艺 评 定 编号: HGP-2012-01 评定单位: 山东华电华源环境工程有限公司 评定日期: 2012-4-28 1 焊接工艺评定存档...
建筑钢结构焊接工艺评定报告 WELDING PROCEDURE QUALIFICATION RECORD 编 号:PQR-235GMAW -05 编 制: 焊接责任 技术人员: ...
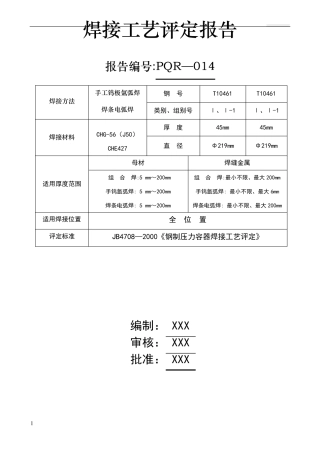
1 焊 接 工 艺 评 定 报 告 报 告 编 号 :PQR— 014 焊 接 方 法 手 工 钨 极 氩 弧 焊 焊 条 电 弧 焊 钢...
焊接工艺评定报告 报 告 编 号: P-GTAW /SMAW -12 焊 接 方 法: 手工氩弧焊+焊条电弧焊 母材牌号及规格: 20#(D76*4+D57*...
焊接工艺评定报告 评定单位:济宁市远东网架有限责任公司 评定日期: 年 月 日 焊接工艺评定指导书 共4 页 第1 页 工程名称 焊...
牌号规格(mm)牌号规格(mm)牌号 规格(mm)焊86-19JB4708-2000手工钨极氩弧焊 焊条电弧焊对接水平固定12Cr1MoVφ 108× 12.512Cr1MoV φ...
焊接工艺评定报告 共4 页第1 页 工程名称 评定报告编号 SAW-D-BG-10 委托单位 工艺指导书编号 SAW-D-ZDS-10 项目负责人 依据标...
目的和适用范围 1.1 本规范对本公司特殊过程――焊接过程进行控制,做到技术先进、经济合理、安全适用、确保质量。 1.2 本规范适用于...
焊接工艺评定一览表
焊接工艺评定报告 (依据DL/T868-2004) 编 号: DHP2 编 制: 焊接负责 技术人员: 批 准: 单 位: 山东省显通安装有限公司...
焊接工艺评定、焊接工艺规程实用编制方法

