电脑桌面
添加小米粒文库到电脑桌面
安装后可以在桌面快捷访问

高三物理一轮复习教学案:测定电池的电动势和内阻VIP免费

高三物理一轮复习教学案:测定电池的电动势和内阻_第1页
1/4
高三物理一轮复习教学案:测定电池的电动势和内阻_第2页
2/4
高三物理一轮复习教学案:测定电池的电动势和内阻_第3页
3/4
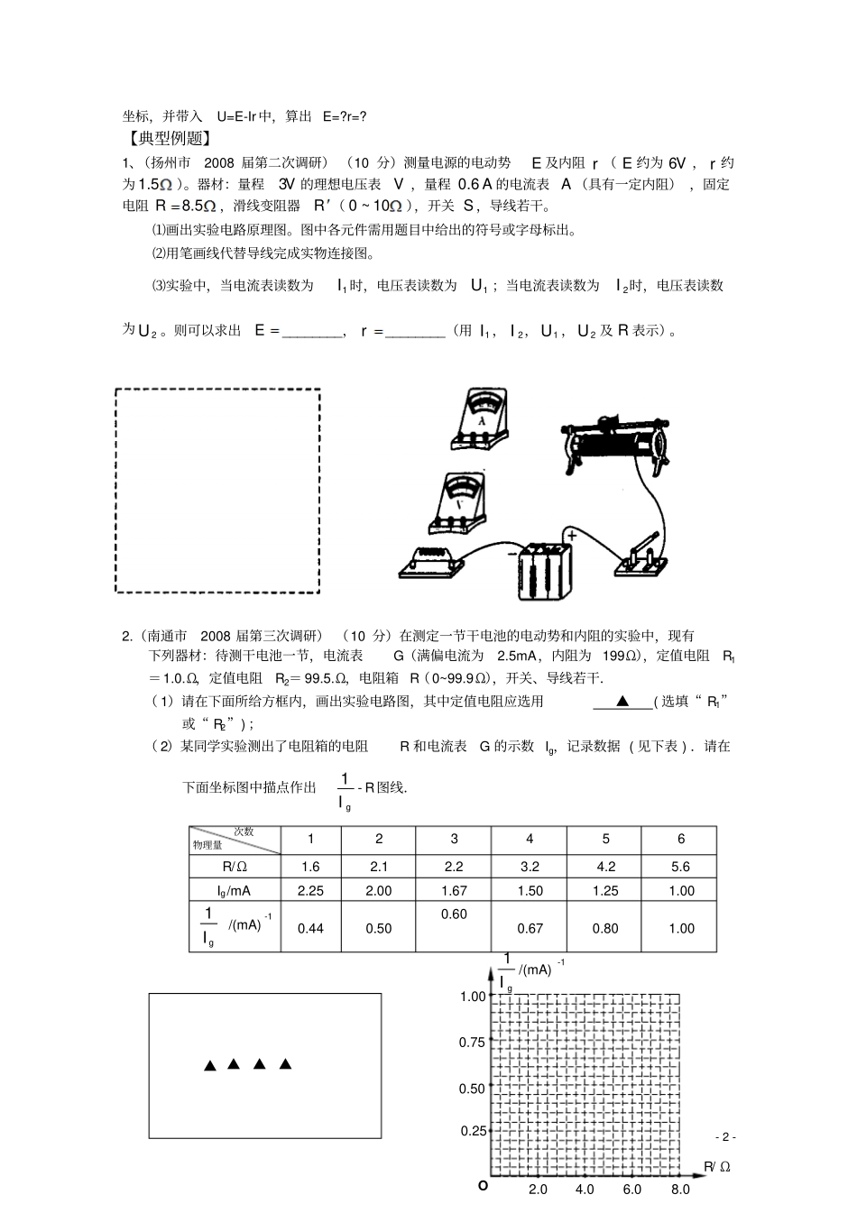
-1-第七课时实验:测定电池的电动势和内阻【实验目的】1.学习测量电源电动势和内阻的方法,掌握科学测量的主要步骤。2.学会科学处理实验数据的方法,有公式法和图像法。【自主学习】一、实验目的测定电源的________________。ErS图2.6-1二、实验原理1、图2.6-1中,电源电动势E、内电阻r,与路端电压U、电流I的关系可写E=______________。2、图2.6-2中,电源电动势E、内电阻r、电流I、电阻R的关系可写为E=______________。3、图2.6-3中电源E、内电阻r、路端电压U、电阻R的关系可写为E=______________。ErRErR图2.6-2图2.6-3实验原理1是本节课的重点。测出几组U,I数值,带入(1)式得到的方程两两组成方程组,可得到E,r值。这种方法误差较大。还可以多测出几组U,I值,然后在U-I坐标平面内描出各组U、I值所对应的点,然后通过这些点画一直线,如图2.6-4所示,直线与纵轴的的交点的纵坐标就是电池的电动势的大小,直线与横轴的交点的横坐标就是电池的短路电流Io=E/r,因此可求的内电阻r=E/Io。三、实验器材U/V_________、__________、__________、__________、开关、导线。四、实验步骤1.连接电路。如图2.6-1所示。电流表取0.6A量程,电压表oIoI/A取3V量程,移动触头位置使连入电路中的有效阻值_______。图2.6-42.测几组(I,U)值。闭合电键,移动变阻器触头位置,使电流有明显示数,记下一组(I,U)值,断开电键。用同样方法,多次移动变阻器触头位置,记录多组(I,U)值,然后断开电键。3.建立坐标系、描点。纵轴表示__________,横轴表示__________,取合适的标度,使所描坐标点分布绝大部分坐标纸,必要时纵坐标可以_________________。4.据描出的坐标点作出U-I图像。应使图象尽量多的通过描出的点,不在图象上的点要尽量对称的分布于图线两侧,误差很大,应坚决舍弃。5.测算电动势和内电阻。准确读出U-I图线与纵轴和横轴的交点-2-坐标,并带入U=E-Ir中,算出E=?r=?【典型例题】1、(扬州市2008届第二次调研)(10分)测量电源的电动势E及内阻r(E约为6V,r约为1.5)。器材:量程3V的理想电压表V,量程0.6A的电流表A(具有一定内阻),固定电阻8.5R,滑线变阻器R(0~10),开关S,导线若干。⑴画出实验电路原理图。图中各元件需用题目中给出的符号或字母标出。⑵用笔画线代替导线完成实物连接图。⑶实验中,当电流表读数为1I时,电压表读数为1U;当电流表读数为2I时,电压表读数为2U。则可以求出E________,r________(用1I,2I,1U,2U及R表示)。2.(南通市2008届第三次调研)(10分)在测定一节干电池的电动势和内阻的实验中,现有下列器材:待测干电池一节,电流表G(满偏电流为2.5mA,内阻为199Ω),定值电阻R1=1.0.Ω,定值电阻R2=99.5.Ω,电阻箱R(0~99.9Ω),开关、导线若干.(1)请在下面所给方框内,画出实验电路图,其中定值电阻应选用▲(选填“R1”或“R2”);(2)某同学实验测出了电阻箱的电阻R和电流表G的示数Ig,记录数据(见下表).请在下面坐标图中描点作出1gI-R图线.次数物理量123456R/Ω1.62.12.23.24.25.6Ig/mA2.252.001.671.501.251.001gI/(mA)-10.440.500.600.670.801.00▲▲▲▲1gI/(mA)-1R/ΩO2.04.06.08.00.250.500.751.00-3-【针对训练】1.在测定电源电动势和内阻的实验中,为使实验效果明显且不会损坏仪器,应选择下列电源中的()A.内阻较大的普通干电池B.内阻较小的普通蓄电池C.小型交流发电机D.小型直流发电机2.下面给出了几种用伏安法测电池电动势和内阻的实验中的数据处理方法,其中既科学、直观,又能减小偶然误差的方法是()A.测出两组I、U的数据,代入方程组E=U1+I1r和E=U2+I2r中,既可求出E和rB.多测几组I、U的数据,求出几组E和r,最后分别求出其平均值C.测出多组I、U的数据,画出U-I图象,再根据图象求E、rD.多测出几组I、U的数据,分别求出I和U的平均值,用电压表测出开路时的路端电压即为电动势E,再用闭合电路欧姆定律求出内电阻r3.为测定某一电池的电动势和内电阻,下面几组器材中,能完成实验的是()A.一只电流表、一只电压表、一只变阻器、开关和导线B.一只电流表、两只变阻器、开关和导线C.一只电流表、一只电阻箱、开关和导线...

1、当您付费下载文档后,您只拥有了使用权限,并不意味着购买了版权,文档只能用于自身使用,不得用于其他商业用途(如 [转卖]进行直接盈利或[编辑后售卖]进行间接盈利)。
2、本站所有内容均由合作方或网友上传,本站不对文档的完整性、权威性及其观点立场正确性做任何保证或承诺!文档内容仅供研究参考,付费前请自行鉴别。
3、如文档内容存在违规,或者侵犯商业秘密、侵犯著作权等,请点击“违规举报”。

碎片内容

高三物理一轮复习教学案:测定电池的电动势和内阻

您可能关注的文档

确认删除?
VIP
微信客服
  • 扫码咨询
会员Q群
  • 会员专属群点击这里加入QQ群
客服邮箱
回到顶部