电脑桌面
添加小米粒文库到电脑桌面
安装后可以在桌面快捷访问

冲裁模具拆装实验指导书

冲裁模具拆装实验指导书_第1页
1/10
冲裁模具拆装实验指导书_第2页
2/10
冲裁模具拆装实验指导书_第3页
3/10
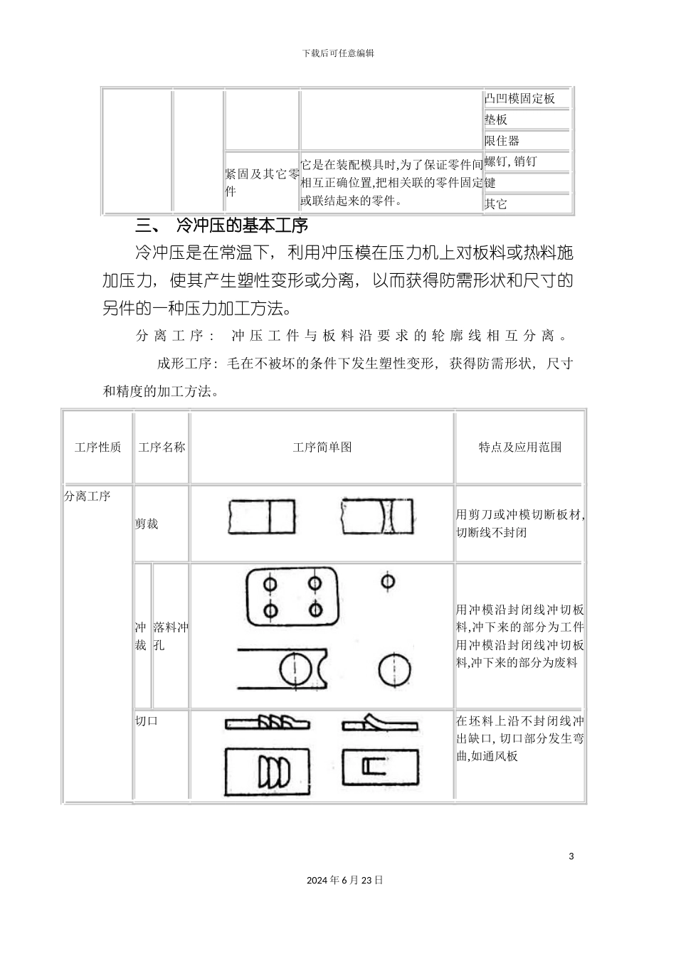
下载后可任意编辑冲裁模具拆装实验指导书12024 年 6 月 23 日下载后可任意编辑冲裁模具拆装实验指导书一、 实验目的由于采纳模具生产零件可获得很高的生产效率和零件精度, 且互换性好, 生产成本低; 因此模具在汽车、 飞机、 仪表、 电子和家电产品的零件制造中得到广泛的应用。有冷冲模 4 副( 复合模 2 副, 步进模 2 副) 。并具有完整的拆装工具和完善的绘图室。本实训是为了提高学生对模具结构的认知能力、 设计能力而开设的, 学生在实训过程中主要进行模具的拆装实验, 经过模塑模具( 冷冲模具) 的拆装, 掌握各类模具的结构、 各零部件的作用、 零件间的配合关系及拆装关系。并绘制模具装配图以及型腔、 型芯等一些主要模具零件图。二、 冲模的主要零部件可分为工艺构件和辅助构件两部分。性能部件定义所含零件冲模零部件工艺构件工作零件它是指直接进行冲裁分离工件的零件。凸模凹模凸凹模定位零件它是指能保证条料在送进和冲裁时在模具上有正确位置的零件。定位板定位销挡料销导正销导尺, 侧刃压料, 卸料及出件零部件用于冲裁后材料的弹性恢复, 工件往往留在凹模洞口内,而条料又紧箍在凸模上,卸料零件的作用就是把工件从凹模洞口顶出,把废料从凸模上卸下。卸料板推件装推件装置压边圈弹簧、 橡胶垫辅助构件导向零件它是保证模具各相对运动部位具有正确位置及良好运动状态的零件。导柱导套导板导筒固定零件它是固定凸模和凹模,并与冲床滑块和滑块工作台相联结的零件。上下模座模柄22024 年 6 月 23 日下载后可任意编辑凸凹模固定板垫板限住器紧固及其它零件 它是在装配模具时,为了保证零件间相互正确位置,把相关联的零件固定或联结起来的零件。螺钉, 销钉 键其它三、 冷冲压的基本工序冷冲压是在常温下, 利用冲压模在压力机上对板料或热料施加压力, 使其产生塑性变形或分离, 以而获得防需形状和尺寸的另件的一种压力加工方法。分 离 工 序 : 冲 压 工 件 与 板 料 沿 要 求 的 轮 廓 线 相 互 分 离 。 成形工序: 毛在不被坏的条件下发生塑性变形, 获得防需形状, 尺寸和精度的加工方法。工序性质工序名称工序简单图特点及应用范围分离工序剪裁用剪刀或冲模切断板材,切断线不封闭冲裁落料冲孔用冲模沿封闭线冲切板料,冲下来的部分为工件用冲模沿封闭线冲切板料,冲下来的部分为废料切口在坯料上沿不封闭线冲出缺口, 切口部分发生弯曲,如通风板32024 年 6 月 23 ...

1、当您付费下载文档后,您只拥有了使用权限,并不意味着购买了版权,文档只能用于自身使用,不得用于其他商业用途(如 [转卖]进行直接盈利或[编辑后售卖]进行间接盈利)。
2、本站所有内容均由合作方或网友上传,本站不对文档的完整性、权威性及其观点立场正确性做任何保证或承诺!文档内容仅供研究参考,付费前请自行鉴别。
3、如文档内容存在违规,或者侵犯商业秘密、侵犯著作权等,请点击“违规举报”。

碎片内容

冲裁模具拆装实验指导书

不二商店+ 关注
实名认证
内容提供者

我是你的不二选择

确认删除?
VIP
微信客服
  • 扫码咨询
会员Q群
  • 会员专属群点击这里加入QQ群
客服邮箱
回到顶部